搜索
热门搜索: 美国中克塞尔美国世铨美国特迪亚美国传力德国HBM梅特勒托利多
产品中心
    当前位置: 首页  > 产品中心  > 张力传感器

    DSA-R-500KN称重传感器,美国BLH NOBEL品牌DSA-R-500KN双端剪切梁传感器

    产品介绍

    一、DSA-R-500KN称重传感器产品介绍

    品牌:美国BLH NOBEL
    系列:DSA-R
    类型:双端剪切梁传感器、称重传感器

    产品介绍:
    (1)DSA-R型是一款低剖面双剪切梁称重传感器,非常适合恶劣环境中的应用。
    (2)由于特殊的设计,DSA-R称重传感器对侧向负载和其他干扰影响不敏感。
    (3)DSA-R称重传感器的工作温度范围高达–40°C至+150°C,因此适用于钢厂和铸造厂。
    (4)非常易于维护—电缆将通过plugand-socket连接进行连接。
    (5)由于高重复性和高长期稳定性,称重传感器即使在常年使用后也能提供非常好的结果。
    (6)IP67提供了极好的防尘和防潮保护。

    产品特点:
    (1)容量为500、1000、1500和2000千牛
    (2)根据要求提供其他容量
    (3)低剖面
    (4)高长期稳定性和可重复性
    (5)工作温度范围–40至+150摄氏度
    (6)15米专用电缆,带连接器,可直接连接至称重传感器
    (7)镀锌钢
    (8)6线电路(6 + 2线,带可选温度监控)
    (9)IP67
    (10)选项:① 通过集成温度传感器(双线电路)进行฀温度监控;② 指示器,当温度过高时会改变颜色

    产品应用:
    (1)料仓和料斗称重
    (2)中间包称重
    (3)钢厂和铸造厂的各种应用
    (4)工业应用


    二、DSA-R称重传感器相关量程

    DSA-R-500KN
    DSA-R-1000KN
    DSA-R-1500KN
    DSA-R-2000KN


    三、DSA-R-500KN称重传感器技术参数

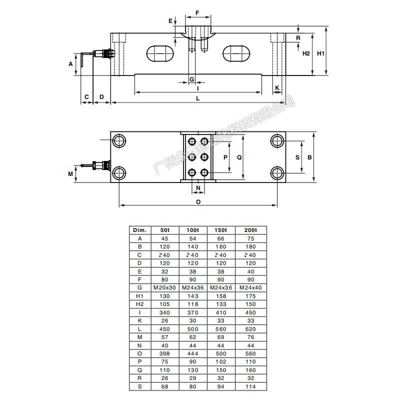
    四、DSA-R-500KN称重传感器产品尺寸

    五、DSA-R-500KN称重传感器产品图片


    产品推荐

    联系我们
    联系方式

    销售热线:

    陈小姐:18520271262

      陈小姐:18688494254

    黄先生:18688492451

      黄先生:18520471262

    上班时间:

    周一到周六9:00-18:00

    二维码
    扫一扫联系我们