搜索
热门搜索: 美国中克塞尔美国世铨美国特迪亚美国传力德国HBM梅特勒托利多
产品中心
    当前位置: 首页  > 产品中心  > 张力传感器

    U3SB-A-50lb传感器,美国NOBEL U3SB-A-50lb 张力传感器

    产品介绍
    香港金元宝免费资料】有卖美国NOBEL U3SB-A系列传感器厂家价格【中国正式★一级经销商】价格实在,质量保证,美国NOBEL U3SB-A系列传感器询价,找广州众鑫提供详细服务信息。
    广州众鑫国际传感器专家,测量控制系统专家。位移系列产品有:传感器,传感器,测力传感器,控制仪表有:位移控制器,测力控制器,变送器。位移控制系统:釜/罐/仓位移控制。饲料/化肥/食品配方控制。
    美国NOBEL U3SB-A系列传感器价格绝对优势,供应原装正品货,对待客户细心负责!
    美国NOBEL传感器U3SB-A系列产品参数:
     香港金元宝免费资料
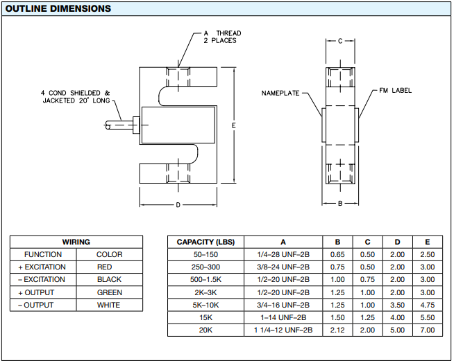
    美国NOBEL传感器U3SB-A系列产品尺寸:
     香港金元宝免费资料
    美国NOBEL传感器U3SB-A系列所有量程如下:
    U3SB-A-50lb, U3SB-A-100lb, U3SB-A-150lb, U3SB-A-250lb, U3SB-A-300lb, U3SB-A-500lb, U3SB-A-750lb, U3SB-A-1Klb, U3SB-A-1.5Klb, U3SB-A-2Klb, U3SB-A-2.5Klb, U3SB-A-3Klb, U3SB-A-5Klb, U3SB-A-10Klb, U3SB-A-15Klb, U3SB-A-20Klb
     拓展阅读
    称重传感器行业如何落实“供给侧”改革的发展战略,如何将信息技术与制造技术深度融合实现数字化、网络化、智能化 设计与制造,是行业内较大型企业必须面对的课题。近年来,三维数字化设计制造能力已经成为国内外企业竞争的核心,是实现企业研制能力变革的支点和突破口, 这一具有风向标性质的变化应引起称重传感器企业高度重视。
     尽管应变式称重传感器的原理和制造工艺决定了它不能象机器零部件那样自动化、智能化无缝连接生产 线大批量生产,但也应该用互联网思维升级称重传感器的结构设计与制造工艺,使其尽量接近数字化、智能化或部分数字化、智能化生产。
    以上是【U3SB-A传感器】U3SB-A美国NOBEL传感器详细信息,如果您对【U3SB-A传感器】U3SB-A美国NOBEL传感器的价格、货期、型号、库存有什么疑问,欢迎拨打18520271262陈工获取【U3SB-A传感器】U3SB-A_美国NOBEL传感器的最新价格详情。
     
     

    产品推荐

    联系我们
    联系方式

    销售热线:

    陈小姐:18520271262

      陈小姐:18688494254

    黄先生:18688492451

      黄先生:18520471262

    上班时间:

    周一到周六9:00-18:00

    二维码
    扫一扫联系我们