搜索
热门搜索: 美国中克塞尔美国世铨美国特迪亚美国传力德国HBM梅特勒托利多
产品中心

    【SLB215传感器】SLB215-220KG~SLB215-4.4t_Mettler Toledo梅特勒托利多称重传感器

    产品介绍
                                                                                                                                                                      

            【香港金元宝免费资料】专业供应瑞士Mettler-Toledo梅特勒-托利多SLB215系列称重传感器,【SLB215传感器】SLB215-220KG~SLB215-4.4t_Mettler Toledo梅特勒托利多称重传感器保证货期快捷,100%原装正品,努力打造中国传感器销售第一品牌商。瑞士Mettler-Toledo梅特勒托利多SLB215系列称重传感器相关型号:SLB215-220kg,SLB215-550kg,SLB215-1100kg,SLB215-2200KG,SLB215-4400kg,SLB215-1.1T,SLB215-2.2T,SLB215-4.4T
     
    Mettler Toledo 梅特勒托利多SLB215系列产品介绍

    英文名称:瑞士METTLER TOLEDO称重传感器
    中文名称:瑞士梅特勒托利多称重传感器
    合金钢材质,表面镀镍
    受力方式:压式
    IP67防护等级
    高精度,高稳定性
    使用方便
    安装附件可选
    量程可选:220kg,550kg,1100kg,2200kg,4400kg
    应用于地磅,汽车衡,轨道衡,料罐,料仓等设备
     
     
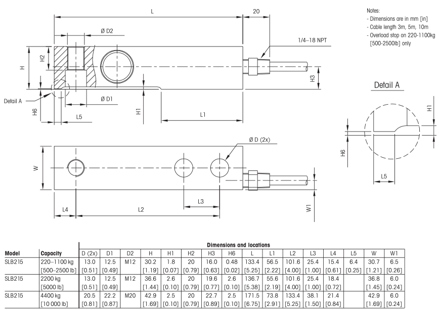
    Mettler Toledo 梅特勒托利多SLB215系列安装尺寸

    香港金元宝免费资料 

    Mettler Toledo 梅特勒托利多SLB215系列技术指标
     
    香港金元宝免费资料 

    Mettler Toledo 梅特勒托利多SLB215系列注意事项

    1、内部电路板和其他零件的更换及相关操作必须由专业工程师或技术人员进行。
    2、打开壳盖前须保证设备断电至少10min。壳盖的打开须由专业工程师或技术人员进行。
    3、防爆型的必须转移到一个安全的区域进行维修保养、拆卸、再组装。
    4、转换器电路板组件中包含敏感部件,可能会被静电损坏。小心操作以免直接接触电子部件或电路板上的电路图案,必要时需采取相应的防静电措施

    拓展阅读

    品牌介绍
    梅特勒-托利多(METTLER TOLEDO),作为全球领先的精密仪器及衡器制造商,在百年悠久发展历程中一直保持着技术和市场的领先性。如今,梅特勒-托利多提供的解决方案遍布实验室、工业及零售业(商业)的各个流程与环节,从高精度的微量分析到千吨以上的称重应用,梅特勒-托利多统一的团队、全球的服务网、完美的解决方案帮助全球用户增进效率、创造价值,轻松应对各种挑战。
     
    悬臂梁式称重传感器概述
    悬臂梁式钢制称重传感器 ,一端固定,一端加载,采用钢球传力,上下压头承载或双球头式结构,设有良好的密封结构。受力后自动调心好,安装容易,使用方便,互换性好。
     
            以上是【SLB215传感器】SLB215-220KG~SLB215-4.4t_Mettler Toledo梅特勒托利多称重传感器详细信息,如果您对【SLB215传感器】SLB215-220KG~SLB215-4.4t_Mettler Toledo梅特勒托利多称重传感器的价格、货期、型号、库存有什么疑问,欢迎拨打18520271262陈工获取【SLB215传感器】SLB215-220KG~SLB215-4.4t_Mettler Toledo梅特勒托利多称重传感器的最新价格详情。
    产品推荐

    联系我们
    联系方式

    销售热线:

    陈小姐:18520271262

      陈小姐:18688494254

    黄先生:18688492451

      黄先生:18520471262

    上班时间:

    周一到周六9:00-18:00

    二维码
    扫一扫联系我们