搜索
热门搜索: 美国中克塞尔美国世铨美国特迪亚美国传力德国HBM梅特勒托利多
产品中心

    120-20T传感器,美国特迪亚 120-20T 称重传感器

    产品介绍
     
    120-20T称重传感器属于美国特迪亚Tedea品牌的产品,是一款柱式称重传感器,不锈钢外壳,防护等级为IP68,量程可选3T~50T,适用于卡车地磅、筒仓和料斗称重、列车“轨道”秤、过程称重等。
     
    一、美国特迪亚 120-20T称重传感器产品介绍
     
    产品描述:
     
      120型是一种大容量汽车衡和筒仓称重传感器,配备有独特的摇臂安装部件。120型适用于所有重型称重应用,为用户提供了高精度和低安装成本。
      
      120型有一个不锈钢外壳以防腐蚀。合金钢压缩元件为镀镍,摇臂安装附件为镀锌合金钢。另外两条感应线反馈到达称重传感器的电压。通过将该电压输入适当的电子设备,可以完全补偿因温度变化和/或电缆延伸引起的引线电阻变化。
     
    产品类型:美国特迪亚称重传感器柱式称重传感器
     
    产品系列:120
     
    产品特征:
      - 容量3-50吨
      - 不锈钢外壳
      - 安装电涌放电器
      - 安装简单
      - 总误差为0.02%
      - 6线感应电路
      - 输出公差0.1%
     
    产品应用:
      - 卡车地磅
      - 筒仓和料斗称重
      - 列车“轨道”秤
      - 过程称重

     
    二、美国特迪亚 120-20T称重传感器实拍图

     
    美国特迪亚 120-20T称重传感器实拍图1

    美国特迪亚 120-20T称重传感器实拍图2

    美国特迪亚 120-20T称重传感器实拍图3

    美国特迪亚 120-20T称重传感器实拍图4

    美国特迪亚 120-20T称重传感器实拍图5

    美国特迪亚 120-20T称重传感器实拍图6


     
    三、美国特迪亚 120-20T称重传感器相关型号

     
    120-3T 称重传感器
    120-5T 称重传感器
    120-10T 称重传感器
    120-20T 称重传感器
    120-30T 称重传感器
    120-50T 称重传感器
     
     
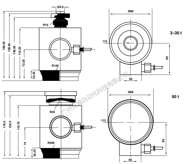
    四、美国特迪亚 120-20T称重传感器产品尺寸

    美国特迪亚 120-20T称重传感器产品尺寸
     

    五、美国特迪亚 120-20T称重传感器产品技术参数

    美国特迪亚 120-20T称重传感器产品技术参数
     
    六、美国特迪亚 120-20T称重传感器安全说明

     
    1、120系列称重传感器设计用于称重应用,用于任何其他用途应视为不符合相关的规定。
     
    2、为确保安全操作,称重传感器只能按照安装说明中的说明使用。在使用过程中,还必须遵守相关应用的法律和安全要求。这同样适用于附件的使用。
     
    3、如果称重传感器发生破损时可能会导致设备损坏或危害人身安全,那么用户必须采取适当的安全措施(如防止坠落、倒塌或过载的安全装置)。为了安全无故障运行,称重传感器不仅必须正确运输、储存、定位和安装,还必须小心操作和维护,避免过载使用。
     
    4、120-20T称重传感器的最大载荷为20T,使用时要注意瞬间过载发生的可能,瞬间的过载亦可能导致传感器的损坏。

     

     
    香港金元宝免费资料重点推出以下品牌产品,确保全新原装正品,价优,欢迎新老客户咨询!
     
     
    ★ 德国HBM:称重传感器-- Z6F,C16A,RTN,HLCB1, PW2D, PW6D,PW2C,PW6K,PW6C,PW10A,PW12C,PW16A,PW22,S40A,C2等系列
    ★ 德国HBM:数字传感器-- C16I,FIT5AEB3,FIT7A
    ★ 德国HBM:扭矩/力传感器 -- T40B,T22,T5,U9C,C9C,S9M,U2B,S2M等系列
    ★ 德国HBM:称重仪表/变送器 -- WE2111,RM4220, BM40,AE101, AE301,EM201等系列
     
    ★ 美国世铨celtron:传感器 -- STC,HBB,LPS,LOC,PSD,LCD,MBB,SQB等系列
    ★ 特迪亚Tedea-huntleigh: --3410,616,355,1015,1040,1022,1260,120,1241,240等系列
    ★ 美国传力Transcell :传感器-- BSS,BSH,DBSL,SBST,CR,SBS,BAB等系列
     
    ★ 梅特勒托利多:称重传感器-- TSC,TSB,MTB,GD,SLB415,SLB215,MT1022,MT1260,MT1241,SB,SBS,SBH等系列
    ★ METTLER TOLEDO:数字传感器—GDD,SLC720,0760,PDX,SLC820等系列
    ★ 梅特勒托利多:控制仪表 -- IND331,IND245,IND320L,IND230,IND560,B520,IND110,WM0800,AJB等系列

    产品推荐

    联系我们
    联系方式

    销售热线:

    陈小姐:18520271262

      陈小姐:18688494254

    黄先生:18688492451

      黄先生:18520471262

    上班时间:

    周一到周六9:00-18:00

    二维码
    扫一扫联系我们