搜索
热门搜索: 美国中克塞尔美国世铨美国特迪亚美国传力德国HBM梅特勒托利多
产品中心

    DBSL-30T传感器,美国传力 DBSL-30T称重传感器

    产品介绍

    DBSL-30T称重传感器属于美国传力Transcell品牌的产品,材质为优质合金钢,拥有高精度、高稳定性等优点,可选量程1T至30T,适用于试验机、汽车衡和大型料斗秤等衡器。
     
    一、美国传力 DBSL-30T称重传感器产品介绍
     
    产品类型:美国传力称重传感器轮辐式称重传感器
    产品系列:DBSL
    产品特点:
       - 优质合金钢材质
       - 高精度
       - 高稳定性
       - 低外形
       - 安装简便、快速
       - 表层镀镍防腐处理
       - 适用于试验机、汽车衡和大型料斗秤等
       - 可选量程:1T,2T,3T,5T,10T,15T,20T,25T,30T
    接线方式:
        红色:+ 激励
        黑色:- 激励
        绿色:+ 信号
        白色:- 信号
     
    
    二、美国传力 DBSL-30T称重传感器实拍图

     
    美国传力 DBSL-30T称重传感器实拍图1

    美国传力 DBSL-30T称重传感器实拍图2

    美国传力 DBSL-30T称重传感器实拍图3
     
    美国传力 DBSL-30T称重传感器实拍图4

     
    三、美国传力 DBSL-30T称重传感器相关型号
     
    DBSL-1t 称重传感器
    DBSL-2t 称重传感器
    DBSL-3t 称重传感器
    DBSL-5t 称重传感器
    DBSL-10t 称重传感器
    DBSL-15t 称重传感器
    DBSL-20t 称重传感器
    DBSL-25t 称重传感器
    DBSL-30T 称重传感器
     
     
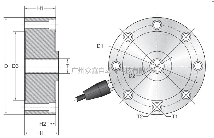
    四、美国传力 DBSL-30T称重传感器产品尺寸
     
    美国传力 DBSL-30T称重传感器产品尺寸
    美国传力 DBSL-30T称重传感器产品尺寸参数

     
    五、美国传力 DBSL-30T称重传感器技术参数


    Rated Output 额定输出 3.0mV/V ±0.25%
    Zero Balance 零点平衡 ±1% of rated output
    Creep after 30 minutes 蠕变 ±0.03% of rated output
    Nonlinearity 非线性 ±0.03% of rated output
    Hysteresis 滞后 ±0.03% of rated output
    Repeatability 重复性 ±0.03% of rated output
    Temp, effect on output 灵敏度温漂 <0.002% of applied output/℃
    Temp, effect on zero 零点温漂 <0.002% of rated output/℃
    Safe Temp. Range 可用温度范围 -10℃ to + 70℃
    Temp. Compensated 温度补偿范围 -10℃ to + 40℃
    Safe Overload 安全载荷 150%
    Input Impedance 输入阻抗 775 ohm ± 20 ohm / 387 ohm ± 20 ohm (<20t)
    Output Impedance 输出阻抗 700 ohm ± 5 ohm / 350 ohm ± 5 ohm (<20t)
    Insulation Resistance 绝缘阻抗 >5000 M ohm (50V DC)
    Rated Excitation 推荐激励电压 10V DC/AC
    Maximum Excitation 最大激励电压 15V DC/AC
    Cable Length 导线长度 6m/10m
    Cable Color Code 导线颜色 Red( + E) Black(-E) Green( + S) White(-S)
     
     
    六、美国传力 DBSL-30T称重传感器安全说明
     
    1、DBSL系列称重传感器设计用于称重应用,用于任何其他用途应视为不符合相关的规定。
     
    2、为确保安全操作,称重传感器只能按照安装说明中的说明使用。在使用过程中,还必须遵守相关应用的法律和安全要求。这同样适用于附件的使用。
     
    3、如果称重传感器发生破损时可能会导致设备损坏或危害人身安全,那么用户必须采取适当的安全措施(如防止坠落、倒塌或过载的安全装置)。为了安全无故障运行,称重传感器不仅必须正确运输、储存、定位和安装,还必须小心操作和维护,避免过载使用。
     
    4、DBSL-30T称重传感器的载荷为30T,使用时要注意瞬间过载发生的可能,瞬间的过载亦可能导致传感器的损坏,可选择更大一级的量程。
     
     
     
     
     
    香港金元宝免费资料重点推出以下品牌产品,确保全新原装正品,价优,欢迎新老客户咨询!
     
     
    ★ 德国HBM:称重传感器-- Z6F,C16A,RTN,HLCB1, PW2D, PW6D,PW2C,PW6K,PW6C,PW10A,PW12C,PW16A,PW22,S40A,C2等系列
    ★ 德国HBM:数字传感器-- C16I,FIT5AEB3,FIT7A
    ★ 德国HBM:扭矩/力传感器 -- T40B,T22,T5,U9C,C9C,S9M,U2B,S2M等系列
    ★ 德国HBM:称重仪表/变送器 -- WE2111,RM4220, BM40,AE101, AE301,EM201等系列
     
    ★ 美国世铨celtron:传感器 -- STC,HBB,LPS,LOC,PSD,LCD,MBB,SQB等系列
    ★ 特迪亚Tedea-huntleigh: --3410,616,355,1015,1040,1022,1260,120,1241,240等系列
    ★ 美国传力Transcell :传感器-- BSS,BSH,DBSL,SBST,CR,SBS,BAB等系列
     
    ★ 梅特勒托利多:称重传感器-- TSC,TSB,MTB,GD,SLB415,SLB215,MT1022,MT1260,MT1241,SB,SBS,SBH等系列
    ★ METTLER TOLEDO:数字传感器—GDD,SLC720,0760,PDX,SLC820等系列
    ★ 梅特勒托利多:控制仪表 -- IND331,IND245,IND320L,IND230,IND560,B520,IND110,WM0800,AJB等系列
    产品推荐

    联系我们
    联系方式

    销售热线:

    陈小姐:18520271262

      陈小姐:18688494254

    黄先生:18688492451

      黄先生:18520471262

    上班时间:

    周一到周六9:00-18:00

    二维码
    扫一扫联系我们