搜索
热门搜索: 美国中克塞尔美国世铨美国特迪亚美国传力德国HBM梅特勒托利多
产品中心

    PW15AHC3/100KG传感器,德国HBM PW15AHC3/100KG 称重传感器

    产品介绍

    一、PW15AHC3/100kg称重传感器产品介绍

    品牌:德国HBM
    系列:PW15AHC3
    类型:单点式称重传感器
    产品特点:
    (1)额定载荷10千克...100公斤
    (2)不锈钢
    (3)最小验证间隔Y的高比率
    (4)工业足迹(SP4M)
    (5)防护等级IP68;IP69K
    (6)不同的电缆长度和其他可用选项

    二、PW15AHC3/100kg称重传感器相关量程

    PW15AHC3/10kg
    PW15AHC3/20kg
    PW15AHC3/50kg
    PW15AHC3/100kg

    三、PW15AHC3称重传感器实拍图




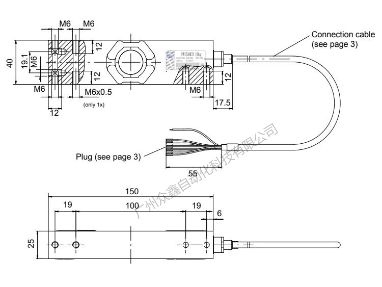
    四、PW15AHC3称重传感器产品尺寸

    五、PW15AHC3称重传感器技术参数



    产品推荐

    联系我们
    联系方式

    销售热线:

    陈小姐:18520271262

      陈小姐:18688494254

    黄先生:18688492451

      黄先生:18520471262

    上班时间:

    周一到周六9:00-18:00

    二维码
    扫一扫联系我们