香港金元宝免费资料-资料免费精选
语言
国家/地区
中文
English
专注自动化称重系统
全国咨询热线:
18520271262
020-28186246
首页
搜索
热门搜索:
美国中克塞尔
美国世铨
美国特迪亚
美国传力
德国HBM
梅特勒托利多
产品中心
当前位置:
首页
>
产品中心
>
称重传感器
>
单点式称重传感器
PW29C3/1000KG传感器,德国HBM PW29C3/1000KG 称重传感器
联系我们
查看pdf
产品介绍
一、PW29C3/1000kg称重传感器产品介绍
品牌:德国HBM
系列:PW29C3
类型:单点式称重传感器
产品特点:
(1)额定负载100千克...1000公斤
(2)不锈钢
(3)密封封装(IP68;IP69K)
(4)平台尺寸800 × 800 mm
(5)最小验证间隔Y的高比率
(6)不同的电缆长度和可交付的其他选项
二、PW29C3/1000kg称重传感器相关量程
PW29C3/100kg
PW29C3/250kg
PW29C3/500kg
PW29C3/750kg
PW29C3/1000kg
三、PW29C3称重传感器图片
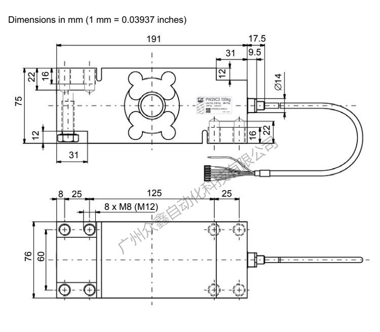
四、PW29C3称重传感器产品尺寸
五、PW29C3称重传感器技术参数
产品推荐
DZM-X1卡轨式称重变送模块-美国中克塞尔品牌
详情
LCT6(03)重量变送器
详情
ZXM-P1高精度称重显示控制器-ZXMP1美国中克塞尔品牌称重仪表
详情
ZM02力值显示控制器-美国中克塞尔品牌称重仪表
详情
上一篇:PW29C3/750KG传感器,德国HBM PW29C3/750KG 称重传感器
下一篇:PW29PC3/100KG传感器,德国HBM PW29PC3/100KG 称重传感器
联系我们
销售工程师-陈小姐
销售工程师-谢小姐
销售工程师-黄先生
联系方式
销售热线:
陈小姐:18520271262
陈小姐:18688494254
黄先生:18688492451
黄先生:18520471262
上班时间:
周一到周六
9:00-
18:00
二维码
联
系
我
们