搜索
热门搜索: 美国中克塞尔美国世铨美国特迪亚美国传力德国HBM梅特勒托利多
产品中心

    FIT7AC3/75KG传感器,德国HBM FIT7AC3/75KG 称重传感器

    产品介绍

    一、FIT7AC3/75kg称重传感器产品介绍

    品牌:德国HBM
    系列:FIT7AC3
    类型:数字称重传感器
    产品特点:
    (1)用于动态称重的数字称重传感器
    (2)精度等级达到C4,最大刻度间隔系数Y达到25,000,有OIML R60测试报告
    (3)偏心负载补偿(OIML R76)
    (4)配料模式
    (5)4极限值开关
    (6)触发模式(外部或水平)
    (7)动态应用的自动参数化
    (8)不锈钢
    (9)防护等级IP66
    (10)集成过载保护
    (11)用于参数设置和动态分析的PC软件
    (12)提供各种选项和附件

    二、FIT7AC3/75kg称重传感器相关量程

    FIT7AC3/3kg
    FIT7AC3/5kg
    FIT7AC3/10kg
    FIT7AC3/20kg
    FIT7AC3/30kg
    FIT7AC3/50kg
    FIT7AC3/75kg

    三、FIT7AC3称重传感器图片

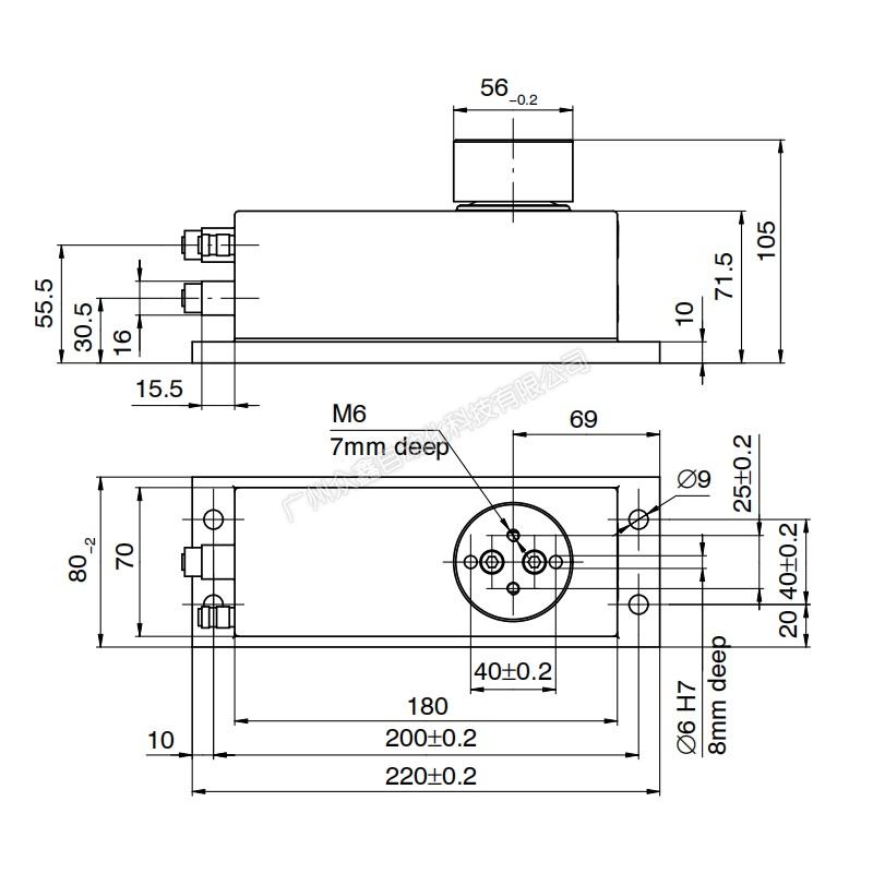
    四、FIT7AC3称重传感器产品尺寸

    五、FIT7AC3称重传感器技术参数



    产品推荐

    联系我们
    联系方式

    销售热线:

    陈小姐:18520271262

      陈小姐:18688494254

    黄先生:18688492451

      黄先生:18520471262

    上班时间:

    周一到周六9:00-18:00

    二维码
    扫一扫联系我们