搜索
热门搜索: 美国中克塞尔美国世铨美国特迪亚美国传力德国HBM梅特勒托利多
产品中心
    当前位置: 首页  > 产品中心  > 称重传感器  > S型称重传感器

    TSC-300KG传感器,梅特勒托利多 TSC-300KG称重传感器

    产品介绍
     
    一、梅特勒托利多 TSC-300kg称重传感器产品优势
     
    1、安装方便
     
    任何料斗,悬挂物都可以通过配置S型拉式称重传感器及其相应的连接件,组成一个称重系统,可供贸易结算。方便客户进行系统改造。
     
    2、连接方式多样
     
    专业的连接件设计,避免重量在传递到传感器的过程中出现精度损失。同时提供形式多样的连接件附件,客户可以根据不同的应用情况直接选择合适的连接装置。
     
    3、应用广泛
     
    梅特勒托利多称重传感器 TSC系列采用合金钢镀镍,可用于吊钩秤、料斗秤、系统配料称重控制。
     
     
    二、梅特勒托利多 TSC-300kg称重传感器产品特点

    - S型称重传感器,拉式弯曲梁结构
    - 获得国家计量器具许可证,可用于贸易结算
    - 准确度等级C3
    - 获得国家级防爆安全检验站防爆认证
    - 防爆标志:
      Ex ia IIC T4~T6 Ga
      Ex iaD 20 T85~T135
     
     
    三、梅特勒托利多 TSC称重传感器实拍图
     




     
    四、梅特勒托利多 TSC-300kg称重传感器相关型号
     
    TSC-50kg 5m CN
    TSC-100kg 5m CN
    TSC-200kg 5m CN
    TSC-300kg 5m CN
    TSC-500kg 5m CN
    TSC-1t 5m CN
     
     
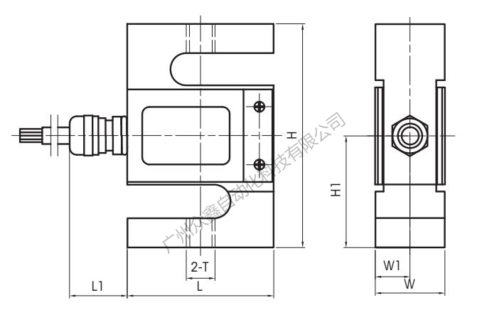
    五、梅特勒托利多 TSC-300kg称重传感器安装尺寸
     
    梅特勒托利多 TSC-300kg称重传感器安装尺寸1
    梅特勒托利多 TSC-300kg称重传感器安装尺寸2

     
    六、梅特勒托利多 TSC-300kg称重传感器技术指标

    梅特勒托利多 TSC-300kg称重传感器技术指标1
    梅特勒托利多 TSC-300kg称重传感器技术指标2


    香港金元宝免费资料重点推出以下品牌产品,确保全新原装正品,价优,欢迎新老客户咨询!
     
     
    ★ 德国HBM:称重传感器-- Z6F,C16A,RTN,HLCB1, PW2D, PW6D,PW2C,PW6K,PW6C,PW10A,PW12C,PW16A,PW22,S40A,C2等系列
     
    ★ 德国HBM:数字传感器-- C16I,FIT5AEB3,FIT7A
     
    ★ 德国HBM:扭矩/力传感器 -- T40B,T22,T5,U9C,C9C,S9M,U2B,S2M等系列
    ★ 德国HBM:称重仪表/变送器 -- WE2111,RM4220, BM40,AE101, AE301,EM201等系列
    ★ 美国世铨celtron:传感器 -- STC,HBB,LPS,LOC,PSD,LCD,MBB,SQB等系列
    ★ 特迪亚Tedea-huntleigh: --3410,616,355,1015,1040,1022,1260,120,1241,240等系列
    ★ 美国传力Transcell :传感器-- BSS,BSH,DBSL,SBST,CR,SBS,BAB等系列
    ★ 梅特勒托利多:称重传感器-- TSC,TSB,MTB,GD,SLB415,SLB215,MT1022,MT1260,MT1241,SB,SBS,SBH等系列
    ★ METTLER TOLEDO:数字传感器—GDD,SLC720,0760,PDX,SLC820等系列
     
    ★ 梅特勒托利多:控制仪表 -- IND331,IND245,IND320L,IND230,IND560,B520,IND110,WM0800,AJB等系列
     

    产品推荐

    联系我们
    联系方式

    销售热线:

    陈小姐:18520271262

      陈小姐:18688494254

    黄先生:18688492451

      黄先生:18520471262

    上班时间:

    周一到周六9:00-18:00

    二维码
    扫一扫联系我们