搜索
热门搜索: 美国中克塞尔美国世铨美国特迪亚美国传力德国HBM梅特勒托利多
产品中心

    【世铨PSD传感器】PSD-200kg~PSD-25t_美国celtron称重传感器

    产品介绍
                                                                                                                                                                             

            【 香港金元宝免费资料】专业供应CELTRON世铨PSD系列称重传感器,【世铨PSD传感器】PSD-200kg~PSD-25t_美国celtron称重传感器保证货期快捷,100%原装正品,努力打造中国传感器销售第一品牌商。CELTRON世铨PSD系列称重传感器相关型号:PSD-200kg,PSD-500kg,PSD-1000kg,PSD-1500kg,PSD-2500kg,PSD-5000kg,PSD-10000kg,PSD-25000kg;PSD-0.2t,PSD-2.5t,PSD-5t,PSD-10t,PSD-25t.
     
    CELTRON世铨PSD系列产品介绍
     
    产品品牌:美国世铨Celtron称重传感器,世铨称重传感器
    产品特点:
    材质合金钢 
    具有良好的防水防潮功能
    可选FM认证
    防护等级IP67
    具有优良的性能
    量程可选:200kg,500kg,1000kg,1500kg,2500kg,5000kg,10000kg,25000kg;0.2t,2.5t,5t,10t,25t.
    广泛运用于平台秤,吊钩秤、汽车衡、测试机,称重料斗和船只等检测系统等
     
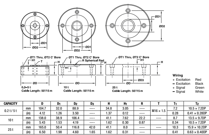
    CELTRON世铨PSD系列安装尺寸
     
    香港金元宝免费资料 
     
    CELTRON世铨PSD系列技术指标
     
    香港金元宝免费资料 
     
    CELTRON世铨PSD系列完整规格型号
     
    PSD-2500kg,PSD-5000kg,PSD-10000kg,PSD-25000kg,PSD-2.5t,PSD-5t,PSD-10t,PSD-25t.
    PSD-200kgSJTT,PSD-500kgSJTT,PSD-1tSJTT,PSD-1.5tSJTT,PSD-2.5tSJTT,PSD-5tSJTT,PSD-10tSJTT,PSD-20tSJTT,PSD-25tSJTT,PSD-30tSJTT.
    PSD-200kgSJTH,PSD-500kgSJTH,PSD-1TSJTH,PSD-1.5TSJTH,PSD-2.5TSJTH,PSD-5TSJTH,PSD-10TSJTH,PSD-20TSJTH,PSD-25TSJTH,PSD-30TSJTH
     
    拓展阅读
     
    品牌介绍
    美国CELTRON有限公司在美国成立,是一个基于应变式称重传感器,数字指标,吊秤称重系统,自成立以来,CELTRON称重传感器的产品远销38个国家,在多个国家设立了分支机构或办事处,生产基地遍布美洲、东欧、中国等地;广州众鑫可为用户的实验和生产提供最佳的服务与解决方案。
    美国CELTRON称重传感器Tedea - Huntleigh,Sensortronics,REVERE,和Celtron品牌是美国威世(VISHAY)集团品牌,美国威世(VISHAY)集团成立于1962年,Celtron总部位于美国宾夕法尼亚洲。Celtron  50多年中威世集团通过科技创新和不断的并购, Celtron迅速发展成为世界上最大的分离式半导体和无源电子器件制造商之一。目前Celtron集团已有69个制造基地遍布全球17个国家,威世Celtron集团被美国财富杂志评为半导体领域“2004、2005年度全美最让人钦佩的公司”。 Celtron其产品被广泛地应用于工业、计算机、汽车、消费品、电信、军事、航空和医药等领域的各种电子仪器和设备上。
     
    轮辐式称重传感器概述
    轮辐式称重传感器是专为电子秤和台秤,其中只有一个载荷传感器可用于与低轮廓是必需的。这是celtron单点负载最轻的模型细胞的家庭。传感器的设计是用于大规模生产最合适操作。构造的电镀铝合金和完全盆栽IP66级别,提供良好的保护,防止水分侵入。轮辐式设计使PSD称重传感器可以解决许多困难的问题,在超负荷条件下的剪切网格设计保证可以正常运行,具有优良的性能。
     
            以上是【世铨PSD传感器】PSD-200kg~PSD-25t_美国celtron称重传感器详细信息,如果您对【世铨PSD传感器】PSD-200kg~PSD-25t_美国celtron称重传感器的价格、货期、型号、库存有什么疑问,欢迎拨打18520271262陈工获取【世铨PSD传感器】PSD-200kg~PSD-25t_美国celtron称重传感器的最新价格详情。
    产品推荐

    联系我们
    联系方式

    销售热线:

    陈小姐:18520271262

      陈小姐:18688494254

    黄先生:18688492451

      黄先生:18520471262

    上班时间:

    周一到周六9:00-18:00

    二维码
    扫一扫联系我们