搜索
热门搜索: 美国中克塞尔美国世铨美国特迪亚美国传力德国HBM梅特勒托利多
产品中心

    【世铨MDB传感器】MDB-10T~MDB-40T_美国celtron称重传感器

    产品介绍
                                                                                                                                                                                 

            【香港金元宝免费资料】专业供应CELTRON世铨MDB系列称重传感器,【世铨MDB传感器】MDB-10T~MDB-40T_美国celtron称重传感器保证货期快捷,100%原装正品,努力打造中国传感器销售第一品牌商。CELTRON世铨MDB系列称重传感相关型号:MDB-10T,MDB-20T,MDB-25T,MDB-30T,MDB-40T。

    CELTRON世铨MDB系列产品介绍

    产品品牌:美国世铨CELTRON称重传感器,世铨称重传感器
    产品特点:
    -激励电压:10VDC±5% 
    -灵敏度输出:2或3mV/V 
    -蠕变: <<>>额定输出的0.02%
    -非线性:<<>>额定输出的0.05%
    -MDB重复性:<<>额定输出的0.003%
    -适应温度:—32℃—60℃
    -过载能力:为传感器容量的150%
    -温度灵敏度:零值时为±0.0003%
    -满值时为±0.0004%。
    -MDB传感器输出:合理化输出
    -双向(张力/压缩),防护等级IP67
    -可选功能:调频批准可以使用
    -桥式称重传感器产品材质:不锈钢设计
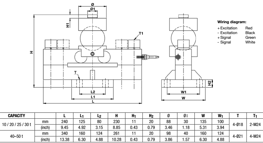
    -量程可选:10T,20T,25T,30T,40T.

    CELTRON世铨MDB系列安装尺寸

    香港金元宝免费资料
     
    CELTRON世铨MDB系列技术指标

    香港金元宝免费资料 
     
    拓展阅读
     
    品牌介绍
    美国CELTRON有限公司在美国成立,是一个基于应变式称重传感器,数字指标,吊秤称重系统,自成立以来,CELTRON称重传感器的产品远销38个国家,在多个国家设立了分支机构或办事处,生产基地遍布美洲、东欧、中国等地;广州众鑫可为用户的实验和生产提供最佳的服务与解决方案。
    美国CELTRON称重传感器Tedea - Huntleigh,Sensortronics,REVERE,和Celtron品牌是美国威世(VISHAY)集团品牌,美国威世(VISHAY)集团成立于1962年,Celtron总部位于美国宾夕法尼亚洲。Celtron  50多年中威世集团通过科技创新和不断的并购, Celtron迅速发展成为世界上最大的分离式半导体和无源电子器件制造商之一。目前Celtron集团已有69个制造基地遍布全球17个国家,威世Celtron集团被美国财富杂志评为半导体领域“2004、2005年度全美最让人钦佩的公司”。 Celtron其产品被广泛地应用于工业、计算机、汽车、消费品、电信、军事、航空和医药等领域的各种电子仪器和设备上。
     
    桥式称重传感器概述
    采用桥式称重传感器的长承载器衡器,在使用过程中其球状压头随着承载器长度变化,压头也在弹性体的球窝内沿长度方向滚动,使作用力加载方向偏移,从而产生偏载。虽然此类称重传感器的抗偏载性能比较好,但是位移量较大时也会影响一定的计量性能。
     
        以上是【世铨MDB传感器】MDB-10T~MDB-40T_美国celtron称重传感器详细信息,如果您对【世铨MDB传感器】MDB-10T~MDB-40T_美国celtron称重传感器的价格、货期、型号、库存有什么疑问,欢迎拨打18520271262陈工获取【世铨MDB传感器】MDB-10T~MDB-40T_美国celtron称重传感器的最新价格详情。
    产品推荐

    联系我们
    联系方式

    销售热线:

    陈小姐:18520271262

      陈小姐:18688494254

    黄先生:18688492451

      黄先生:18520471262

    上班时间:

    周一到周六9:00-18:00

    二维码
    扫一扫联系我们