搜索
热门搜索: 美国中克塞尔美国世铨美国特迪亚美国传力德国HBM梅特勒托利多
产品中心

    【BTA-A传感器】BTA-A-5t~BTA-A-50t_宁波柯力称重传感器

    产品介绍
                                                                                                                                                            
    香港金元宝免费资料专业供应BTA系列柯力桥式称重传感器,【BTA-A传感器】BTA-A-5t~BTA-A-50t_宁波柯力称重传感器,保证货期快捷,100%原装正品,10年行业经验专注高端高质传感器服务,提供自动化完整解决方案。BTA系列柯力桥式称重传感器相关型号:BTA-A-5t,BTA-A-10t,BTA-A-15t,BTA-A-20t,BTA-A-25t,BTA-A-30t,BTA-A-40t,BTA-A-50t.

    柯力BTA系列称重传感器产品介绍

    英文名称:SUNCELLS
    品名:柯力称重传感器
    产品特性:桥式称重传感器
    ★.采用优质合金钢材料
    ★.材质可选:合金钢、不锈钢
    ★.安装方便,防护等级IP66
    ★.量程可选:5t,10t,15t,20t,25t,30t,40t,50t
    ★.BTA-A系列适用于汽车衡、轨道衡、配料秤及各种专用衡器

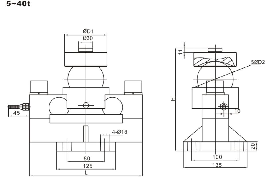
    柯力BTA系列称重传感器安装尺寸

    香港金元宝免费资料
     
    柯力BTA系列称重传感器技术参数

    香港金元宝免费资料
     
    柯力BTA系列称重传感器完整型号

    柯力BTA-5t称重传感器
    柯力BTA-10t称重传感器
    柯力BTA-15t称重传感器
    柯力BTA-20t称重传感器
    柯力BTA-25t称重传感器
    柯力BTA-30t称重传感器
    柯力BTA-40t称重传感器
    柯力BTA-50t称重传感器
     
    柯力BTA-A-5t称重传感器
    柯力BTA-A-10t称重传感器
    柯力BTA-A-15t称重传感器
    柯力BTA-A-20t称重传感器
    柯力BTA-A-25t称重传感器
    柯力BTA-A-30t称重传感器
    柯力BTA-A-40t称重传感器
    柯力BTA-A-50t称重传感器
     
    柯力BTA-ASS-5t称重传感器
    柯力BTA-ASS-10t称重传感器
    柯力BTA-ASS-15t称重传感器
    柯力BTA-ASS-20t称重传感器
    柯力BTA-ASS-25t称重传感器
    柯力BTA-ASS-30t称重传感器
    柯力BTA-ASS-40t称重传感器
    柯力BTA-ASS-50t称重传感器
     
    拓展阅读

    品牌介绍
    宁波柯力传感科技股份有限公司,创建于2002年,是目前全球最大钢制传感器生产企业,也是国内称重元件销售量最大企业 ,总部坐落于宁波江北投资创业园区,占地100多亩,现已成为集设计研发、制造、销售于一体的国家级重点高新技术企业。
    宁波柯力传感科技股份有限公司,创建于2002年,是目前全球最大钢制传感器生产企业,也是国内称重元件销售量最大企业 ,总部坐落于宁波江北投资创业园区,占地100多亩,现已成为集设计研发、制造、销售于一体的国家级重点高新技术企业。公司现有安徽柯力电气制造有限公司一家全资子公司,余姚太平洋称重工程有限公司、余姚宏业称重技术有限公司两家控股子公司和沈阳龙腾电子有限公司、余姚市银环流量仪表有限公司两家参股子公司。公司先后获得中国衡器协会副理事长单位、中国《工业计量》协会副理事长单位,2010年度全国轻工业卓越绩效先进企业,浙江省名牌产品,宁波“市级工程技术中心”,中国轻工业衡器行业十强企业第二名,宁波市百家战略性新兴产业企业之一,2011年宁波市江北区三十强企业第一名和工业企业纳税第一名,宁波市江北区区长质量奖等荣誉称号。
     
    桥式称重传感器概述
    采用桥式称重传感器的长承载器衡器,在使用过程中其球状压头随着承载器长度变化,压头也在弹性体的球窝内沿长度方向滚动,使作用力加载方向偏移,从而产生偏载。虽然此类称重传感器的抗偏载性能比较好,但是位移量较大时也会影响一定的计量性能。
     
    以上【BTA-A传感器】BTA-A-5t~BTA-A-50t_宁波柯力称重传感器详细信息,如果您对【BTA-A传感器】BTA-A-5t~BTA-A-50t_宁波柯力称重传感器的价格、货期、型号、库存有什么疑问,欢迎拨打18520271262 陈工获取【BTA-A传感器】BTA-A-5t~BTA-A-50t_宁波柯力称重传感器最新价格详情。
    产品推荐

    联系我们
    联系方式

    销售热线:

    陈小姐:18520271262

      陈小姐:18688494254

    黄先生:18688492451

      黄先生:18520471262

    上班时间:

    周一到周六9:00-18:00

    二维码
    扫一扫联系我们