搜索
热门搜索: 美国中克塞尔美国世铨美国特迪亚美国传力德国HBM梅特勒托利多
产品中心

    【NHS-SS传感器】NHS-SS-1t~NHS-SS-150t_宁波柯力称重传感器

    产品介绍
                                                                                                                                                          
     香港金元宝免费资料专业供应NHS-SS系列柯力扭环式称重传感器,【NHS-SS传感器】NHS-SS-1t~NHS-SS-150t_宁波柯力称重传感器保证货期快捷,100%原装正品,10年行业经验专注高端高质传感器服务,提供自动化完整解决方案。NHS-SS系列柯力扭环式拉式称重传感器相关型号:NHS-1t,NHS-2.2t,NHS-3.3t,NHS-4.7t,NHS-10t,NHS-15t,NHS-22t,NHS-33t,NHS-47t,NHS-68t,NHS-100t,NHS-150t,NHS-SS-1t,NHS-SS-2.2t,NHS-SS-3.3t,NHS-SS-4.7t,NHS-SS-10t,NHS-SS-15t,NHS-SS-22t,NHS-SS-33t,NHS-SS-47t,NHS-SS-68t,NHS-SS-100t,NHS-SS-150t
     
    柯力NHS-SS系列称重传感器产品介绍

    英文名称:SUNCELLS
    品名:柯力称重传感器
    产品特性:扭环式称重传感器
    ★防护等级:IP68
    ★采用优质的合金钢材质
    ★工作温度范围:-30℃~+70℃
    ★材质可选:不锈钢,合金钢
    ★应用于平台秤,汽车衡和过程称重等工业称重领域
    ★量程可选:1t,2.2t,3.3t,4.7t,10t,15t,22t,33t,47t,68t,100t,150t
     
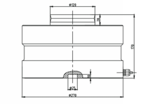
    柯力NHS-SS系列称重传感器外观尺寸

    香港金元宝免费资料
     
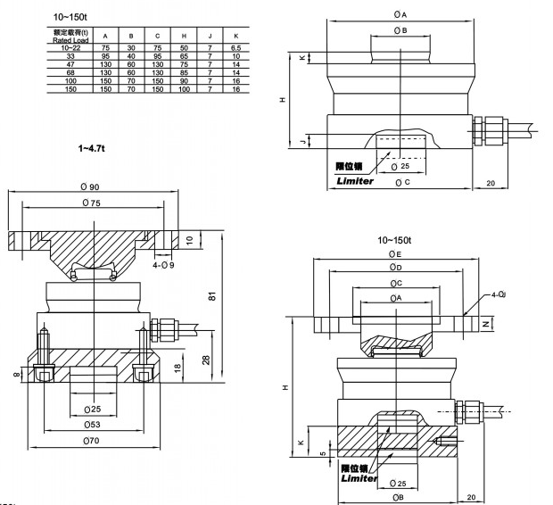
    柯力NHS-SS系列称重传感器安装指南
     
    香港金元宝免费资料
     
    柯力NHS-SS系列称重传感器技术参数


     香港金元宝免费资料
     
    柯力NHS-SS系列称重传感器完整型号

    NHS-1t,NHS-2.2t,NHS-3.3t,NHS-4.7t,NHS-10t,NHS-15t,NHS-22t,NHS-33t,NHS-47t,NHS-68t,NHS-100t,NHS-150t
    NHS-A-1t,NHS-A-2.2t,NHS-A-3.3t,NHS-A-4.7t,NHS-A-10t,NHS-A-15t,NHS-A-22t,NHS-A-33t,NHS-A-47t,NHS-A-68t,NHS-A-100t,NHS-A-150t
    NHS-SS-1t,NHS-SS-2.2t,NHS-SS-3.3t,NHS-SS-4.7t,NHS-SS-10t,NHS-SS-15t,NHS-SS-22t,NHS-SS-33t,NHS-SS-47t,NHS-SS-68t,NHS-SS-100t,NHS-SS-150t
    NHS-ASS-1t,NHS-ASS-2.2t,NHS-ASS-3.3t,NHS-ASS-4.7t,NHS-ASS-10t,NHS-ASS-15t,NHS-ASS-22t,NHS-ASS-33t,NHS-ASS-47t,NHS-ASS-68t,NHS-ASS-100t,NHS-ASS-150t
     
    拓展阅读

    品牌介绍
    宁波柯力传感科技股份有限公司,创建于2002年,是目前全球最大钢制传感器生产企业,也是国内称重元件销售量最大企业 ,总部坐落于宁波江北投资创业园区,占地100多亩,现已成为集设计研发、制造、销售于一体的国家级重点高新技术企业。
    宁波柯力传感科技股份有限公司,创建于2002年,是目前全球最大钢制传感器生产企业,也是国内称重元件销售量最大企业 ,总部坐落于宁波江北投资创业园区,占地100多亩,现已成为集设计研发、制造、销售于一体的国家级重点高新技术企业。公司现有安徽柯力电气制造有限公司一家全资子公司,余姚太平洋称重工程有限公司、余姚宏业称重技术有限公司两家控股子公司和沈阳龙腾电子有限公司、余姚市银环流量仪表有限公司两家参股子公司。公司先后获得中国衡器协会副理事长单位、中国《工业计量》协会副理事长单位,2010年度全国轻工业卓越绩效先进企业,浙江省名牌产品,宁波“市级工程技术中心”,中国轻工业衡器行业十强企业第二名,宁波市百家战略性新兴产业企业之一,2011年宁波市江北区三十强企业第一名和工业企业纳税第一名,宁波市江北区区长质量奖等荣誉称号。
     
    防护密封的基础和方法
    称重传感器的密封护的基础,是防护面胶涂刷电阻应变计。塑料防护面:
    (1)电介质强度>5000M,体积电阻率10141018Ω.cm;
    (2)与金属表面有很强的凝聚力,从该接口,以防止湿气穿透;
    (3)吸湿小,内聚强度;
    (4)的固化反应不会释放有害的化合物,无腐蚀性的电阻应变仪;
    (5)固化膜的柔软,在应变范围内的弹性部件的弹性常数。
    电阻应变计防护面塑料刷牙和清洗前刷牙的时间是必不可少的。在生产过程中的称重传感器,完成下列两项任务,其中之一是补丁,加压固化,固化救济,质量检验
    调查,粘贴端子,压线组桥接,并测量其绝缘电阻的每一个过程中的质量标准;第二是可接受的质量的过程中,弹性元件的整体清洗。弹性元件的整体清洗后,必须迅速放入高温的试验容器中,加热40℃,保温一定的时间内,从包装盒中的弹性元件刷牙的保护面胶(1)在干燥的除去环境条件下。其目的是为了防止电阻应变计生产过程中的水分,奠定基础,最终保护和密封。
     
           以上【NHS-SS传感器】NHS-SS-1t~NHS-SS-150t_宁波柯力称重传感器详细信息,如果您对【NHS-SS传感器】NHS-SS-1t~NHS-SS-150t_宁波柯力称重传感器的价格、货期、型号、库存有什么疑问,欢迎拨打18520271262陈工 获取【NHS-SS传感器】NHS-SS-1t~NHS-SS-150t_宁波柯力称重传感器最新价格详情。
    产品推荐

    联系我们
    联系方式

    销售热线:

    陈小姐:18520271262

      陈小姐:18688494254

    黄先生:18688492451

      黄先生:18520471262

    上班时间:

    周一到周六9:00-18:00

    二维码
    扫一扫联系我们