搜索
热门搜索: 美国中克塞尔美国世铨美国特迪亚美国传力德国HBM梅特勒托利多
产品中心
    当前位置: 首页  > 产品中心  > 称重传感器  > S型称重传感器

    【RSCC3称重传感器】1-RSCC3/50kg-1~1-RSCC3/5t-1_德国HBM称重传感器

    产品介绍
                                                                                                                                                                      

            【香港金元宝免费资料】专业供应德国HBM 1-RSCC系列称重传感器,【RSCC3称重传感器】1-RSCC3/50kg-1~1-RSCC3/5t-1_德国HBM称重传感器保证货期快捷,100%原装进口,努力打造中国传感器销售第一品牌商。德国HBM 1-RSCC系列称重传感器相关型号:1-RSCC3/50KG-1,1-RSCC3/100KG-1,1-RSCC3/200KG-1,1-RSCC3/500KG-1,1-RSCC3/1T-1,1-RSCC3/2T-1,1-RSCC3/5T-1。

    德国HBM 1-RSCC系列产品介绍

    产品品牌:德国HBM称重传感器,HBM称重传感器
    产品特点:
    S型称重传感器
    材质:不锈钢
    精度高、稳定性好、易安装
    符合OIML R60,防爆ATEX 95可选
    其有非常高的精度 (按照 OIML R60 标准)
    可以在恶劣的工业环境中使用
    量程可以选:50KG,100KG,200KG,500KG,1T,2T,5T
    应用:筒仓/漏斗/罐称重,起重机秤,叉车秤,计量/灌装,拉伸/拉力测量,试验机,吊钩秤,搅拌站等

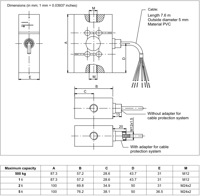
    德国HBM 1-RSCC系列安装尺寸

    香港金元宝免费资料 
     香港金元宝免费资料

    德国HBM 1-RSCC系列技术数据

     香港金元宝免费资料

    拓展阅读

    品牌介绍
    从 1950 年成立起, HBM (霍丁格包尔文(苏州)电子测量技术有限公司, 简称 HBM) 便在测试和测量领域 具有极高的声誉, 在 多种工业领域 为客户提供高精度,高可靠的传感器,仪表到完整的测量解决方案.作为全球测试技术和市场的领导者, HBM 可以提供从虚拟到真实的物理测量的产品和服务.产品包括传感器, 仪表和数据采集系统以及 耐久性,测试和分析软件.另外, HBM 拥有的强大设计和开发团队还可以为 客户定制传感器.销售网络HBM 在全球的 销售网络 可以为你提供快速高效的服务和技术支. HBM 在 欧洲, 美洲 和 亚洲 有27个分部和销售办公室,1,700 多名员工,并在40多个国家设有代表处。研究和开发我们在德国达姆斯塔特,美国的马尔伯勒以及中国的苏州设有研发和生产中心。
    我们的高质量标准有目共睹: 1986, HBM 是德国第一家获得 ISO9001 认证 的公司。1996, HBM 获得国际环境管理机构颁发的 ISO14001 认证 证书。HBM 是 Spectris plc - 仪器仪表和电子控制专业技术公司,全资拥有的子公司。
     
    S型称重传感器概述
    S型称重传感器是传感器中最为常见的一种传感器,主要用于测固体间的拉力和压力,通用也人们也称之为拉压力传感器,因为它的外形像S形状,所以习惯上也称S型称重传感器,此传感器采用合金钢材质,胶密封防护处理,安装容易,使用方便,适用于吊秤,配料秤,机改秤等电子测力称重系统.
    S型称重传感器特点
    传感器基于这样一个原理:弹性体(弹性元件,敏感梁)在外力作用下产生弹性变形,使粘贴在他表面的电阻应变片(转换元件)也随同产生变形,电阻应变片变形后,它的阻值将发生变化(增大或减小),再经相应的测量电路把这一电阻变化转换为电信号(电压或电流),从而完成了将外力变换为电信号的过程。
      
           以上是【RSCC3称重传感器】1-RSCC3/50kg-1~1-RSCC3/5t-1_德国HBM称重传感器详细信息,如果您对【RSCC3称重传感器】1-RSCC3/50kg-1~1-RSCC3/5t-1_德国HBM称重传感器的价格、货期、型号、库存有什么疑问,欢迎拨打18520271262陈工获取【RSCC3称重传感器】1-RSCC3/50kg-1~1-RSCC3/5t-1_德国HBM称重传感器的最新价格详情。
    产品推荐

    联系我们
    联系方式

    销售热线:

    陈小姐:18520271262

      陈小姐:18688494254

    黄先生:18688492451

      黄先生:18520471262

    上班时间:

    周一到周六9:00-18:00

    二维码
    扫一扫联系我们