搜索
热门搜索: 美国中克塞尔美国世铨美国特迪亚美国传力德国HBM梅特勒托利多
产品中心

    【Z7A传感器】Z7A/500kg~Z7A/10T_德国HBM称重传感器

    产品介绍
                                                                                                                                                                     

           【香港金元宝免费资料】专业供应德国HBM Z7A系列称重传感器,【Z7A传感器】Z7A/500kg~Z7A/10T_德国HBM称重传感器保证货期快捷,100%原装正品,努力打造中国传感器销售第一品牌商。德国HBM Z7A系列称重传感器相关型号:Z7AD1/500 kg,Z7AD1/1 t,Z7AD1/2 t,Z7AD1/5 t,Z7AD1/10t;Z7AC3/500 kg,Z7AC3/1 t,Z7AC3/2 t,Z7AC3/5 t,Z7AC3/10t.

    德国HBM Z7A系列产品介绍

    产品品牌:德国HBM称重传感器,HBM称重传感器
    产品特点:
    名称:悬臂梁式称重传感器
    符合 OIML R60 标准,分度最高达 1000d
    精度等级D1, C3
    符合 EMC 认证(EN 45 501)
    高度低,结构结实,保护等级IP67。
    材料镀锌钢(弹性体)
    应用:地磅,汽车衡,轨道衡,料罐
    额定载荷:500 kg,1 t,2 t,5 t,10t

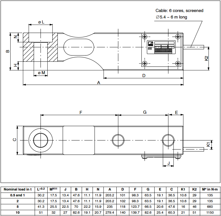
    德国HBM Z7A系列安装尺寸

    香港金元宝免费资料
     
    德国HBM Z7A系列技术数据

    香港金元宝免费资料 

    德国HBM Z7A系列完整规格型号

    Z7A/500 kg,Z7A/1 t,Z7A/2 t,Z7A/5 t,Z7A/10t
    Z7AD1/500 kg,Z7AD1/1 t,Z7AD1/2 t,Z7AD1/5 t,Z7AD1/10t
    Z7AC3/500 kg,Z7AC3/1 t,Z7AC3/2 t,Z7AC3/5 t,Z7AC3/10t.

    拓展阅读
     
    剪切梁式称重传感器概述
    剪切梁式钢制称重传感器 ,一端固定,一端加载,采用钢球传力,上下压头承载或双球头式结构,设有良好的密封结构。受力后自动调心好,安装容易,使用方便,互换性好。
    称重传感使用注意事项
    1、内部电路板和其他零件的更换及相关操作必须由专业工程师或技术人员进行。
    2、打开壳盖前须保证设备断电至少10min。壳盖的打开须由专业工程师或技术人员进行。
    3、防爆型的必须转移到一个安全的区域进行维修保养、拆卸、再组装。
    4、转换器电路板组件中包含敏感部件,可能会被静电损坏。小心操作以免直接接触电子部件或电路板上的电路图案,必要时需采取相应的防静电措施
     
         以上是【Z7A传感器】Z7A/500kg~Z7A/10T_德国HBM称重传感器详细信息,如果您对【Z7A传感器】Z7A/500kg~Z7A/10T_德国HBM称重传感器的价格、货期、型号、库存有什么疑问,欢迎拨打18520271262陈工获取【Z7A传感器】Z7A/500kg~Z7A/10T_德国HBM称重传感器的最新价格详情。
    产品推荐

    联系我们
    联系方式

    销售热线:

    陈小姐:18520271262

      陈小姐:18688494254

    黄先生:18688492451

      黄先生:18520471262

    上班时间:

    周一到周六9:00-18:00

    二维码
    扫一扫联系我们