搜索
热门搜索: 美国中克塞尔美国世铨美国特迪亚美国传力德国HBM梅特勒托利多
产品中心

    【C16AD1传感器】C16AD1/15t~C16AD1/400t_德国HBM称重传感器

    产品介绍
                                                                                                                                                                         

           【香港金元宝免费资料】专业供应德国HBM C16AD1系列称重传感器,【C16AD1传感器】C16AD1/15t~C16AD1/400t_德国HBM称重传感器保证货期快捷,100%原装正品,努力打造中国传感器销售第一品牌商。德国HBM C16AD1系列称重传感器相关型号:C16AD1/15T,C16AD1/20T,C16AD1/30T,C16AD1/40T,C16AD1/60T,C16AD1/100T,C16AD1/200T,C16AD1/400T。

    德国HBM C16AD1系列产品介绍

    产品品牌:德国HBM称重传感器,HBM称重传感器
    产品特点:
    柱式称重传感器
    自复位功能,安装简单
    不锈钢,激光焊封, IP68
    贸易秤用传感器
    分度为5000d (OIML R60) 最高到10000 d ( NTEP class III LM )
    可并行连接,并可以四角调整
    符合EMC / ESD标准(EN 45 501)
    防爆型号,符合ATEX 95标准(可选)
    C16A称重传感器并有防雷击保护功能(可选)
    结构结实 并有防旋转功能,适用于汽车衡
    量程可选:15t,20t,30t,40t,60t,100t,200t,400t

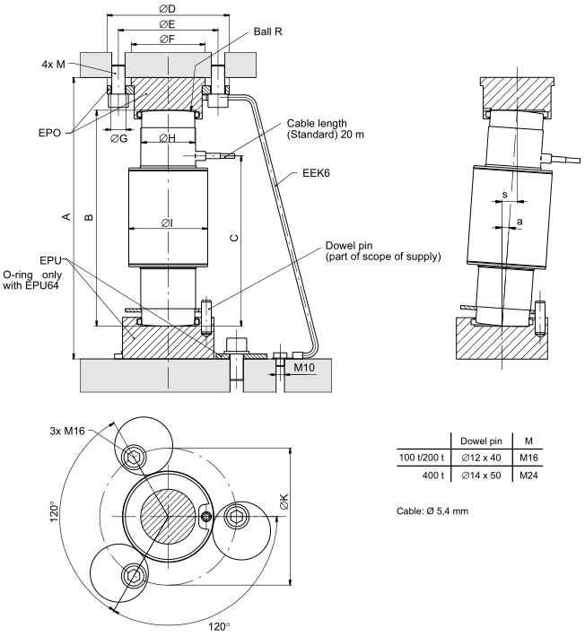
    德国HBM C16AD1系列安装尺寸

    香港金元宝免费资料
     
    德国HBM C16AD1系列技术数据
     
    香港金元宝免费资料 
     
    德国HBM C16AD1系列完整规格型号

    C16AD1/20t称重传感器,HBM称重传感器  
    C16AD1/30t称重传感器,HBM称重传感器     
    C16AD1/40t称重传感器,HBM称重传感器    
    C16AD1/60t称重传感器,HBM称重传感器  
    C16AD1/100t称重传感器,HBM称重传感器   
    C16AD1/200t称重传感器,HBM称重传感器
    C16AD1/400t称重传感器,HBM称重传感器
    C16AC3/20t称重传感器,HBM称重传感器    
    C16AC3/30t称重传感器,HBM称重传感器   
    C16AC3/40t称重传感器,HBM称重传感器    
    C16AC3/60t称重传感器,HBM称重传感器  
    C16AC3/100t称重传感器,HBM称重传感器  

    拓展阅读
     
    柱式称重传感器概述
    柱式称重传感器适用于经密封处理,适应恶劣环境。用于工程力检测、过载安全检测及冲击力测量与控制。  适用于大型平台秤、汽车衡、轨道衡等。可选择六线制接线方式。柱式称重传感器量程大,广泛用于重工业领域。
      
        以上是【C16AD1传感器】C16AD1/15t~C16AD1/400t_德国HBM称重传感器详细信息,如果您对【C16AD1传感器】C16AD1/15t~C16AD1/400t_德国HBM称重传感器的价格、货期、型号、库存有什么疑问,欢迎拨打18520271262陈工获取【C16AD1传感器】C16AD1/15t~C16AD1/400t_德国HBM称重传感器的最新价格详情。
    产品推荐

    联系我们
    联系方式

    销售热线:

    陈小姐:18520271262

      陈小姐:18688494254

    黄先生:18688492451

      黄先生:18520471262

    上班时间:

    周一到周六9:00-18:00

    二维码
    扫一扫联系我们