搜索
热门搜索: 美国中克塞尔美国世铨美国特迪亚美国传力德国HBM梅特勒托利多
产品中心

    9010-90KG独立称重模块,美国特迪亚 9010-90KG 称重传感器

    产品介绍

    一、美国特迪亚 9010-90kg独立称重模块相关介绍

    产品品牌:美国特迪亚 Tedea
    产品系列:9010
    产品类型:独立称重模块
    产品经销:香港金元宝免费资料
    产品量程:3kg,5kg,7kg,10kg,15kg,20kg,30kg,50kg,90kg
    产品介绍:
    (1)9010型是一个独立的称重模块,用于反复冲击加载应用或需要快速称重和稳定时间的应用,如多头秤、检重秤和其他具有突然或冲击加载特征的静态和动态称重应用。
    (2)9010型独特的流体阻尼系统允许称重传感器用于以前需要使用LVDT或类似类型的测量设备的应用中。
    (3)9010型具有独特的可调皮重负载取消功能,将称重传感器的适应性引入称重和分级应用。
    (4)两条额外的传感线反馈到达称重传感器的电压。由于温度变化和/或电缆延伸引起的导线电阻变化的完全补偿,可通过将该电压馈入适当的电子设备来实现。
    产品特点:
    (1)容量3-90公斤
    (2)独特的可调皮重取消机制
    (3)gao效粘性阻尼
    (4)在三个方向上有6个内置过载限位器
    (5)称重速度比标准称重传感器快得多
    (6)IP65防护等级
    (7)可选不锈钢版和带附加通气管的IP66版本
    (8)可选提供OIML和FM认证的版本

    二、美国特迪亚 9010独立称重模块可选量程

    9010-3kg
    9010-5kg
    9010-7kg
    9010-10kg
    9010-15kg
    9010-20kg
    9010-30kg
    9010-50kg
    9010-90kg

    三、美国特迪亚 9010独立称重模块产品图片

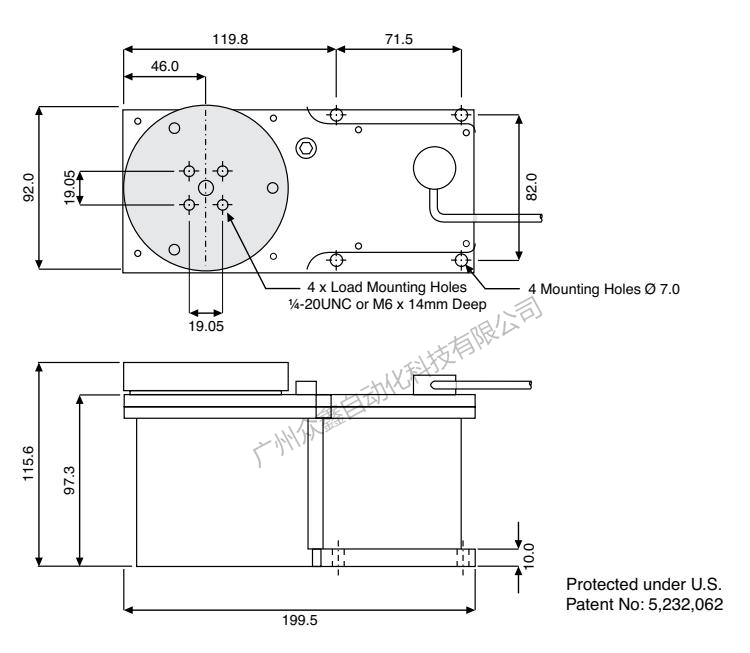
    四、美国特迪亚 9010-90kg独立称重模块产品尺寸

    五、美国特迪亚 9010-90kg独立称重模块技术参数


    产品推荐

    联系我们
    联系方式

    销售热线:

    陈小姐:18520271262

      陈小姐:18688494254

    黄先生:18688492451

      黄先生:18520471262

    上班时间:

    周一到周六9:00-18:00

    二维码
    扫一扫联系我们