搜索
热门搜索: 美国中克塞尔美国世铨美国特迪亚美国传力德国HBM梅特勒托利多
产品中心

    1430-23lbs传感器,美国特迪亚 1430-23lbs 称重传感器

    产品介绍

    一、美国特迪亚 1430-23lbs称重传感器相关介绍

    产品品牌:美国特迪亚 Tedea
    产品系列:1430
    产品类型:称重传感器
    产品经销:香港金元宝免费资料
    产品量程:3kg,17lbs,23lbs
    产品介绍:
    (1)1430设计独特,可减少旋转液体灌装机动态力导致的称重误差。1430在安装位置半径达1米的范围内以0至13 rpm的速度运行时,可提供高称量精度。
    (2)1430型的密封不锈钢结构在腐蚀性或强冲洗环境中提供了安全的操作。坚固的结构为称重轴和侧面负载提供了显着的过载保护。
    侧向载荷,例如出现在300 kg的瓶子堵塞中的侧向载荷,已经被施加到没有显着零变化的单元上。
    (3)1430具有可调粘性阻尼,可缩短稳定时间,加快机器运转周期。
    产品特点:
    (1)容量:3千克、17磅、23磅
    (2)不锈钢结构
    (3)对旋转动力不敏感
    (4)单点性能
    (5)在1米半径处转速为13转/分
    (6)密封冲洗配置
    产品应用:
    (1)旋转灌装机


    二、美国特迪亚 1430-23lbs称重传感器可选量程

    1430-3kg
    1430-17lbs
    1430-23lbs

    三、美国特迪亚 1430-23lbs称重传感器图片

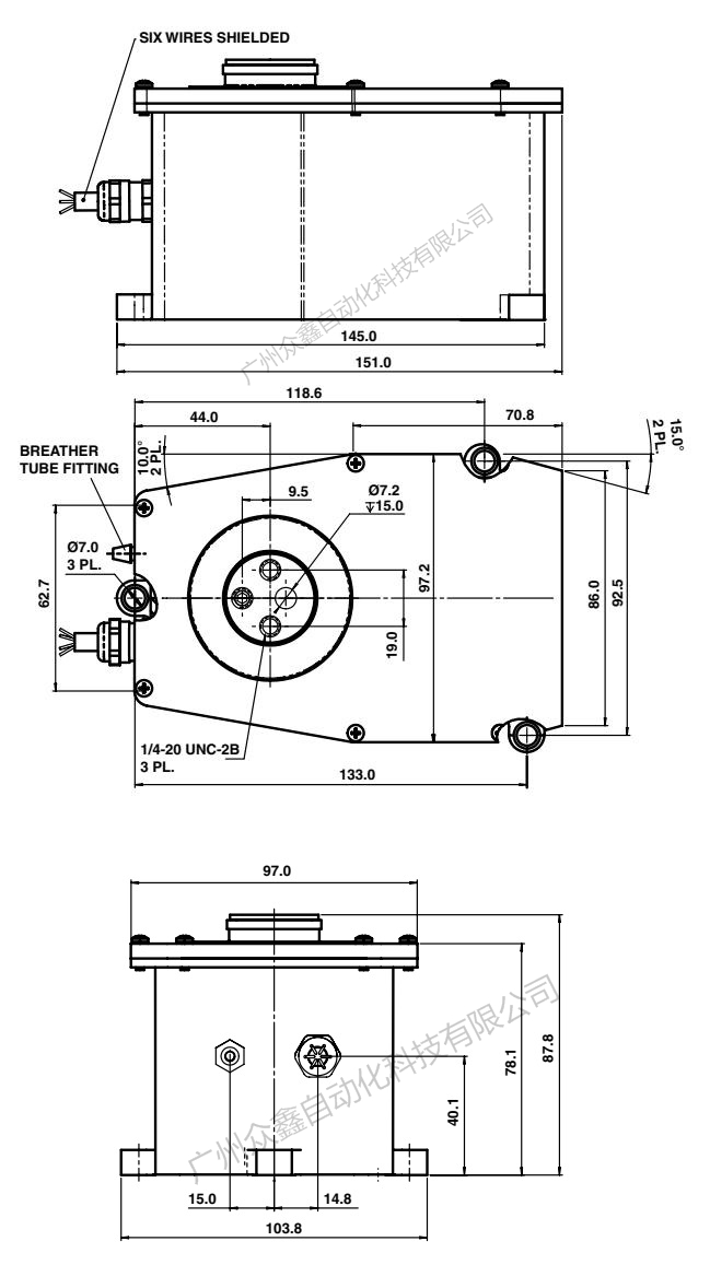
    四、美国特迪亚 1430-23lbs称重传感器产品尺寸

    五、美国特迪亚 1430-23lbs称重传感器技术参数


    产品推荐

    联系我们
    联系方式

    销售热线:

    陈小姐:18520271262

      陈小姐:18688494254

    黄先生:18688492451

      黄先生:18520471262

    上班时间:

    周一到周六9:00-18:00

    二维码
    扫一扫联系我们