搜索
热门搜索: 美国中克塞尔美国世铨美国特迪亚美国传力德国HBM梅特勒托利多
产品中心

    【特迪亚120传感器】120-3t~120-50t_美国Vishay Tedea-Huntleigh称重传感器

    产品介绍
                                                                                                                                                                                
    香港金元宝免费资料专业供应美国TEDEA特迪亚120系列称重传感器,【特迪亚120传感器】120-3t~120-50t_美国Vishay Tedea-Huntleigh称重传感器,保证货期快捷,100%原装正品,努力打造中国传感器销售第一品牌商。TEDEA特迪亚120系列称重传感器相关型号:120-3t,120-5t,120-10t,120-20t,120-30t,120-50t。

    Tedea-Huntleigh特迪亚120系列产品介绍

    产品品牌:美国特迪亚称重传感器, Tedea称重传感器
    产品特性:柱式称重传感器
    金属焊接密封
    综合精度:0.02%
    防护等级:IP68
    材质:钢外壳,镀合金钢,
    线长:15m 6W
    额定输出:1.5mV/V±0.1%.
    综合误差:0.050—0.020%
    输入阻抗:670±10Ω
    输出阻抗:605±5Ω
    安全过载:150%
    最大激励电压:24V
    防护等级:IP68
    电缆:15米6芯PVC
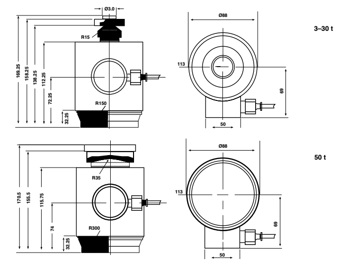
    量程:3t,5t,10t,20t,30t ,50t
    -应用:汽车衡、轨道衡、轴重计、配料秤、筒槽计量等领域。

    Tedea-Huntleigh特迪亚120系列安装尺寸

    香港金元宝免费资料
     
    Tedea-Huntleigh特迪亚120系列技术指标

    香港金元宝免费资料
     
    Tedea-Huntleigh特迪亚120系列完整型号

    120-3t,120-5t,120-10t,120-20t,120-30t,120-50t
     
    拓展阅读

    品牌介绍
    美国威世(Vishay)集团公司是目前世界上生产高精度称重传感器的最大制造商之一,也是商业和工业电子称重系统和传感器技术之先驱。威世特迪亚-亨特利(北京)电子有限公司是威世(Vishay)集团在中国的独资企业,于1994年成立,目前除生产各种称重传感器外,并销售集团公司其他产品,包括各类称重仪表、变送器等。
     
    柱式称重传感器概述
    柱式称重传感器适用于经密封处理,适应恶劣环境。用于工程力检测、过载安全检测及冲击力测量与控制。  适用于大型平台秤、汽车衡、轨道衡等。可选择六线制接线方式。柱式称重传感器量程大,广泛用于重工业领域。
     
           以上是【特迪亚120传感器】120-3t~120-50t_美国Vishay Tedea-Huntleigh称重传感器详细信息,如果您对【特迪亚120传感器】120-3t~120-50t_美国Vishay Tedea-Huntleigh称重传感器的价格、货期、型号、库存有什么疑问,欢迎拨打18520271262陈工 获取【特迪亚120传感器】120-3t~120-50t_美国Vishay Tedea-Huntleigh称重传感器的最新价格详情。
    产品推荐

    联系我们
    联系方式

    销售热线:

    陈小姐:18520271262

      陈小姐:18688494254

    黄先生:18688492451

      黄先生:18520471262

    上班时间:

    周一到周六9:00-18:00

    二维码
    扫一扫联系我们