搜索
热门搜索: 美国中克塞尔美国世铨美国特迪亚美国传力德国HBM梅特勒托利多
产品中心

    BSB-10T传感器,韩国CAS凯士 BSB-10tf 称重传感器

    产品介绍

    一、韩国凯士CAS品牌 BSB-10T称重传感器产品介绍

    产品品牌:韩国凯士CAS
    产品系列:BSB
    产品类型:悬臂梁式称重传感器
    产品经销商:香港金元宝免费资料
    产品量程:250kgf,500kgf,1K,2K,3K,5K,10K
    产品介绍:BSB是一款钢制的悬臂梁式传感器,其独特的设计结构使其能兼容各类平台秤,漏斗秤,罐装秤和其它各类秤。
    产品特点:
    (1)压力式
    (2)按照IP67等级设计
    选配:
    (1)TW螺栓型配件 (250kgf~2tf/3~5tf)
    (2)TWE球形配件 (250kgf~2tf/3~5tf)
    应用范围:
    (1)台秤
    (2)罐装秤,漏斗秤

    二、韩国凯士CAS品牌 BSB称重传感器全部型号

    BSB-250L
    BSB-500L
    BSB-1T
    BSB-2T
    BSB-3T
    BSB-5T
    BSB-10T

    三、韩国凯士CAS品牌 BSB称重传感器图片

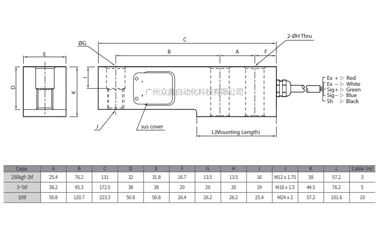
    四、韩国凯士CAS品牌 BSB-10T称重传感器产品尺寸

    五、韩国凯士CAS品牌 BSB-10T称重传感器技术参数



    产品推荐

    联系我们
    联系方式

    销售热线:

    陈小姐:18520271262

      陈小姐:18688494254

    黄先生:18688492451

      黄先生:18520471262

    上班时间:

    周一到周六9:00-18:00

    二维码
    扫一扫联系我们