搜索
热门搜索: 美国中克塞尔美国世铨美国特迪亚美国传力德国HBM梅特勒托利多
产品中心

    BSS-5T-EXP传感器,韩国CAS凯士 BSS-EXP-5tf 称重传感器

    产品介绍

    一、韩国凯士CAS品牌 BSS-5T-EXP称重传感器产品介绍

    产品品牌:韩国凯士CAS
    产品系列:BSS-EXP
    产品类型:悬臂梁式称重传感器
    产品经销商:香港金元宝免费资料
    产品量程:500kgf,1K,2K,3K,5K
    产品介绍:BSS-EXP是一款不锈钢悬臂梁式传感器, 此款传感器的防爆性能适用于中型尺寸的防爆秤, 其IP66的防水等级是潮湿区域应用的选择。
    产品特点:
    (1)压力式
    (2)不锈钢材质
    (3)高度密封结构
    (4)按照IP66 等级设计
    选配:
    (1)TW螺栓型配件 (250kgf~2tf/3~5tf)
    (2)TWE球形配件 (250kgf~2tf/3~5tf)
    (3)BCEP-EXP/本安型 (Exia IIC T4)
    (4)BCEP-EXP-D/防火型 (Exia IIC T6)
    (5)BCEP-EXP-TD/防尘型 (ExtDA21T135CIP66
    应用范围:
    (1)台秤
    (2)罐装秤,漏斗秤

    二、韩国凯士CAS品牌 BSS-EXP称重传感器全部型号

    BSS-500L-EXP
    BSS-1T-EXP
    BSS-2T-EXP
    BSS-3T-EXP
    BSS-5T-EXP

    三、韩国凯士CAS品牌 BSS-EXP称重传感器图片

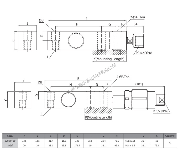
    四、韩国凯士CAS品牌 BSS-5T-EXP称重传感器产品尺寸

    五、韩国凯士CAS品牌 BSS-5T-EXP称重传感器技术参数


    产品推荐

    联系我们
    联系方式

    销售热线:

    陈小姐:18520271262

      陈小姐:18688494254

    黄先生:18688492451

      黄先生:18520471262

    上班时间:

    周一到周六9:00-18:00

    二维码
    扫一扫联系我们