搜索
热门搜索: 美国中克塞尔美国世铨美国特迪亚美国传力德国HBM梅特勒托利多
产品中心
    当前位置: 首页  > 产品中心  > 称重传感器  > S型称重传感器

    SL-5T传感器,韩国CAS凯士 SL-5tf 称重传感器

    产品介绍

    一、韩国凯士CAS品牌 SL-5T称重传感器产品介绍

    产品品牌:韩国凯士CAS
    产品系列:SL
    产品类型:S型称重传感器
    韩国凯士代理商:香港金元宝免费资料
    产品量程:2K,5K
    产品介绍:SL是一款钢制的拉力型传感器, 适用于拉力型秤和拉力测试机。此款传感器获得了结合LM-200A过载保护系统的安全认证。
    产品特点:
    (1)拉力型
    (2)过载保护结构
    (3)按照IP66等级设计
    产品选配:
    卸扣式配件
    应用范围:
    (1)材质测试机
    (2)压力测试机

    二、韩国凯士CAS品牌 SL称重传感器全部型号

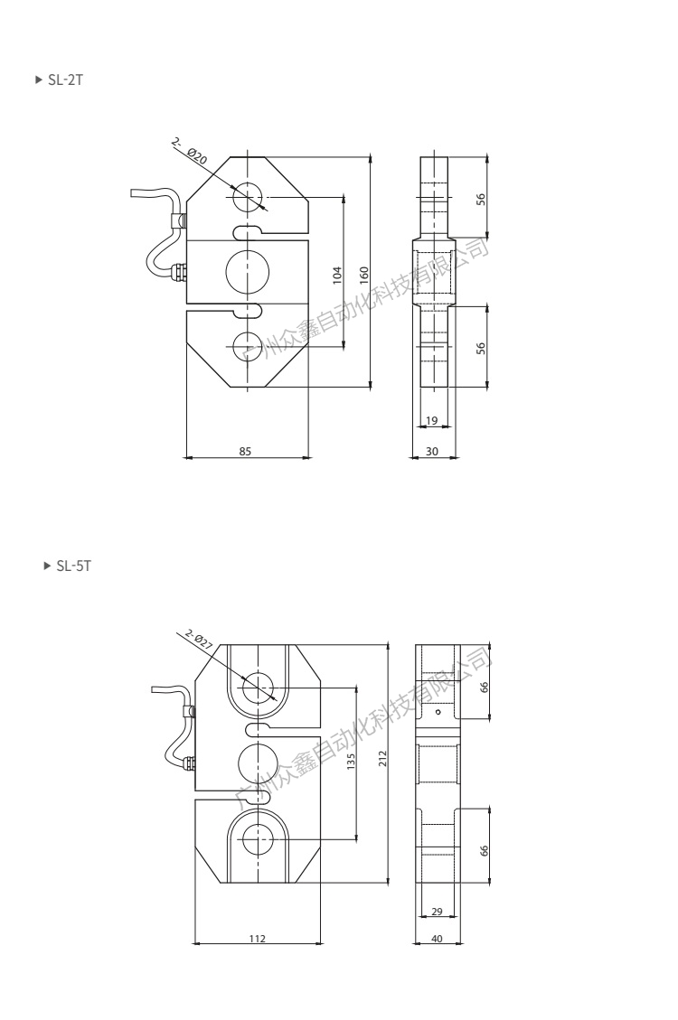
    SL-2T
    SL-5T

    三、韩国凯士CAS品牌 SL称重传感器图片

    四、韩国凯士CAS品牌 SL-5T称重传感器产品尺寸

    五、韩国凯士CAS品牌 SL-5T称重传感器技术参数


    产品推荐

    联系我们
    联系方式

    销售热线:

    陈小姐:18520271262

      陈小姐:18688494254

    黄先生:18688492451

      黄先生:18520471262

    上班时间:

    周一到周六9:00-18:00

    二维码
    扫一扫联系我们