搜索
热门搜索: 美国中克塞尔美国世铨美国特迪亚美国传力德国HBM梅特勒托利多
产品中心

    LS-200T轮辐式称重传感器 韩国凯士CAS

    产品介绍
     
    一、韩国凯士 LS-200T称重传感器产品介绍
     
     
    产品品牌:韩国凯士CAS
     
    产品系列:LS
     
    产品类型:轮辐式称重传感器
        
    韩国凯士代理商:香港金元宝免费资料

    产品量程:1,2,3,5,10,20,30,50,100,200,300
     
    产品介绍:LS是一款钢制的轮辐式传感器,其密封,紧致,压缩型外观使其适用于各类严酷的工业环境,如漏斗秤,罐装秤和筒仓秤。
     
    产品特点:
     
    (1)拉力/压力型
     
    (2)高度密封结构
     
    (3)按照IP67等级设计
     
    可选配:
     
    (1)拉力配件 (杆端轴承型配件)
     
    (2)压力配件 (压头型,球型配件)
     
    (3)LS-EXP 本安型 (Exia IIC T4)
     
    (4)LS-EXP-D防爆型 (Exia IIC T4)
     
    (5)LS-EXP-TD防尘型 (Ex tD A21 T135℃ IP68)
     
    (6)LS-NR (CE认证)
     
    产品应用范围:
     
    (1)罐装秤,漏斗秤,筒仓秤
     
    (2)拉力/压力测试机
     
     
     
    二、韩国凯士 LS-200T称重传感器相关型号
     
     
    LS-1T
    LS-2T
    LS-3T
    LS-5T
    LS-10T
    LS-20T
    LS-30T
    LS-50T
    LS-100T
    LS-200T
    LS-300T
     
     
    三、韩国凯士 LS称重传感器实拍图
     
     
    韩国凯士 LS称重传感器实拍图

    韩国凯士 LS称重传感器实拍图

    韩国凯士 LS称重传感器实拍图

    韩国凯士 LS称重传感器实拍图

     
     
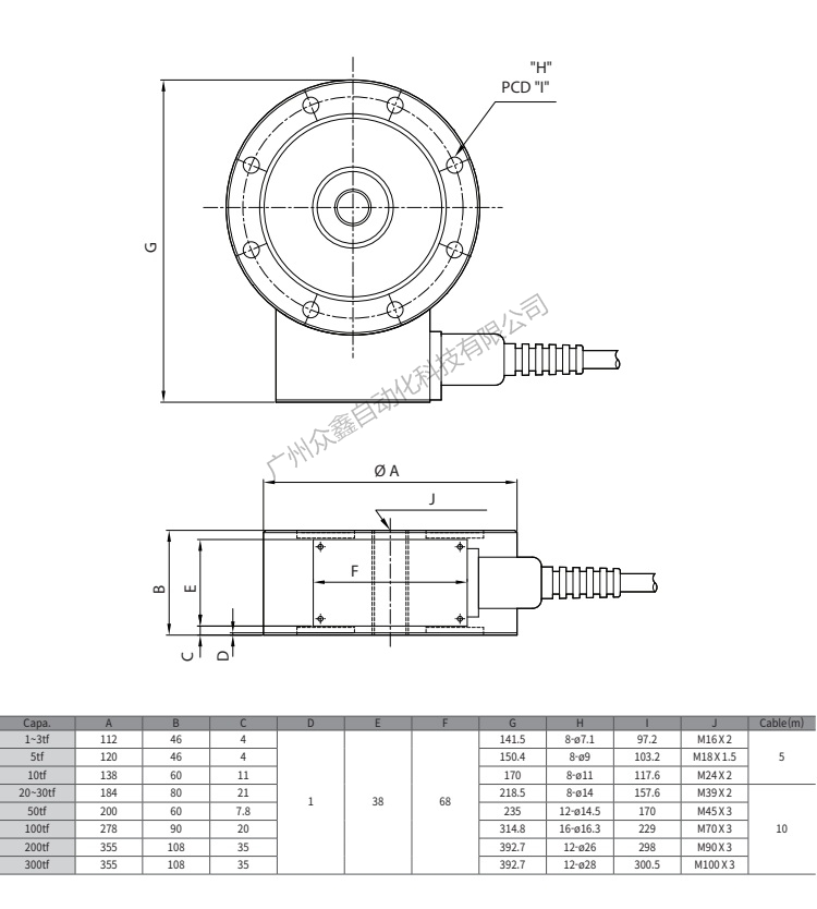
    四、韩国凯士 LS-200T称重传感器产品尺寸
     
    韩国凯士 LS-200T称重传感器产品尺寸
     
    五、韩国凯士 LS-200T称重传感器技术参数
     
    韩国凯士 LS-200T称重传感器技术参数
     
     
    香港金元宝免费资料重点推出以下品牌产品,确保全新原装正品,价优,欢迎新老客户咨询!
     
     
    ★ 德国HBM:称重传感器-- Z6F,C16A,RTN,HLCB1, PW2D, PW6D,PW2C,PW6K,PW6C,PW10A,PW12C,PW16A,PW22,S40A,C2等系列
    ★ 德国HBM:数字传感器-- C16I,FIT5AEB3,FIT7A
    ★ 德国HBM:扭矩/力传感器 -- T40B,T22,T5,U9C,C9C,S9M,U2B,S2M等系列
    ★ 德国HBM:称重仪表/变送器 -- WE2111,RM4220, BM40,AE101, AE301,EM201等系列
     
    ★ 美国世铨celtron:传感器 -- STC,HBB,LPS,LOC,PSD,LCD,MBB,SQB等系列
    ★ 特迪亚Tedea-huntleigh: --3410,616,355,1015,1040,1022,1260,120,1241,240等系列
    ★ 美国传力Transcell :传感器-- BSS,BSH,DBSL,SBST,CR,SBS,BAB等系列
     
    ★ 梅特勒托利多:称重传感器-- TSC,TSB,MTB,GD,SLB415,SLB215,MT1022,MT1260,MT1241,SB,SBS,SBH等系列
    ★ METTLER TOLEDO:数字传感器—GDD,SLC720,0760,PDX,SLC820等系列
    ★ 梅特勒托利多:控制仪表 -- IND331,IND245,IND320L,IND230,IND560,B520,IND110,WM0800,AJB等系列
     
     
    ※ 广州众鑫自动化服务宗旨:以诚信为本,用心服务理念;为客户提供完整的自动化控制解决方案。
    ※ 选择广州众鑫自动化理由:保证所售产品原装正品!货期快、效率高、货源正、价格优、值得信赖!
     
    产品推荐

    联系我们
    联系方式

    销售热线:

    陈小姐:18520271262

      陈小姐:18688494254

    黄先生:18688492451

      黄先生:18520471262

    上班时间:

    周一到周六9:00-18:00

    二维码
    扫一扫联系我们