搜索
热门搜索: 美国中克塞尔美国世铨美国特迪亚美国传力德国HBM梅特勒托利多
产品中心

    LS-300D传感器,韩国CAS凯士 LS-D-300tf 称重传感器

    产品介绍

    一、韩国凯士CAS品牌 LS-300D称重传感器产品介绍

    产品品牌:韩国凯士CAS
    产品系列:LS-D
    产品类型:轮辐式称重传感器
    产品经销商:香港金元宝免费资料
    产品量程:20tf,30tf,100tf,200tf,300tf
    产品介绍:LS-D是一款钢制轮辐式传感器, 可通过电子输出来诊断单个传感器, 在构建称重系统时, 可以轻松的进行4脚调试, 检测故障和替换传感器。封闭型压力和压缩型传感器适用于各种严酷的工业环境, 如漏斗秤, 灌装秤和筒仓秤。
    产品特点:
    (1)拉力/压力型
    (2)高输出型
    (3)CE认证
    (4)高度密封结构
    (5)按照IP67等级设计
    产品选配:
    (1)拉力配件 (杆端轴承型配件)
    (2)压力配件 (压头型, 球型配件)
    应用范围:
    (1)罐装秤, 漏斗秤, 筒仓秤
    (2)拉力/压力测试机

    二、韩国凯士CAS品牌 LS-D称重传感器全部型号

    LS-20D
    LS-30D
    LS-100D
    LS-200D
    LS-300D

    三、韩国凯士CAS品牌 LS-D称重传感器图片

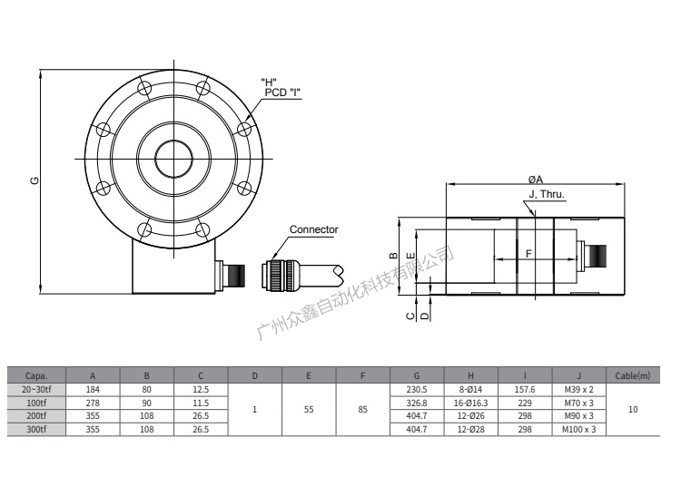
    四、韩国凯士CAS品牌 LS-300D称重传感器产品尺寸

    五、韩国凯士CAS品牌 LS-300D称重传感器技术参数

    产品推荐

    联系我们
    联系方式

    销售热线:

    陈小姐:18520271262

      陈小姐:18688494254

    黄先生:18688492451

      黄先生:18520471262

    上班时间:

    周一到周六9:00-18:00

    二维码
    扫一扫联系我们