搜索
热门搜索: 美国中克塞尔美国世铨美国特迪亚美国传力德国HBM梅特勒托利多
产品中心

    LSS-50T传感器,韩国CAS凯士 LSS-50tf 称重传感器

    产品介绍

    一、韩国凯士CAS品牌 LSS-50T称重传感器产品介绍

    产品品牌:韩国凯士CAS
    产品系列:LSS
    产品类型:轮辐式称重传感器
    产品经销商:广州众鑫自动化科技    有限公司
    产品量程:1tf,2tf,3tf,5tf,10tf,20tf,30tf,50tf
    产品介绍:LSS是一款不锈钢轮辐式传感器, 适用于漏斗秤, 罐装秤和筒仓秤。
    产品特点:
    (1)拉力/压力型
    (2)不锈钢材质
    (3)高度密封结构
    (4)按照IP68等级设计
    产品选配:
    (1)拉力配件(杆端轴承型)
    (2)压力配件(压头型, 球型配件)
    (3)LSS-EXP本安型 (Exia IIC T4)(1~300tf)
    (4)LSS-EXP-D防爆型 (Exia IIC T4)(1~50tf)
    (5)LSS-EXP-TD防尘型 (Ex tD A21 T135℃ IP68)(1~50tf)
    (6)LSS-NR (CE认证)
    应用范围:
    (1)罐装秤, 漏斗秤, 筒仓秤
    (2)拉力/压力测试机

    二、韩国凯士CAS品牌 LSS称重传感器全部型号

    LSS-1T
    LSS-2T
    LSS-3T
    LSS-5T
    LSS-10T
    LSS-20T
    LSS-30T
    LSS-50T

    三、韩国凯士CAS品牌 LSS称重传感器图片

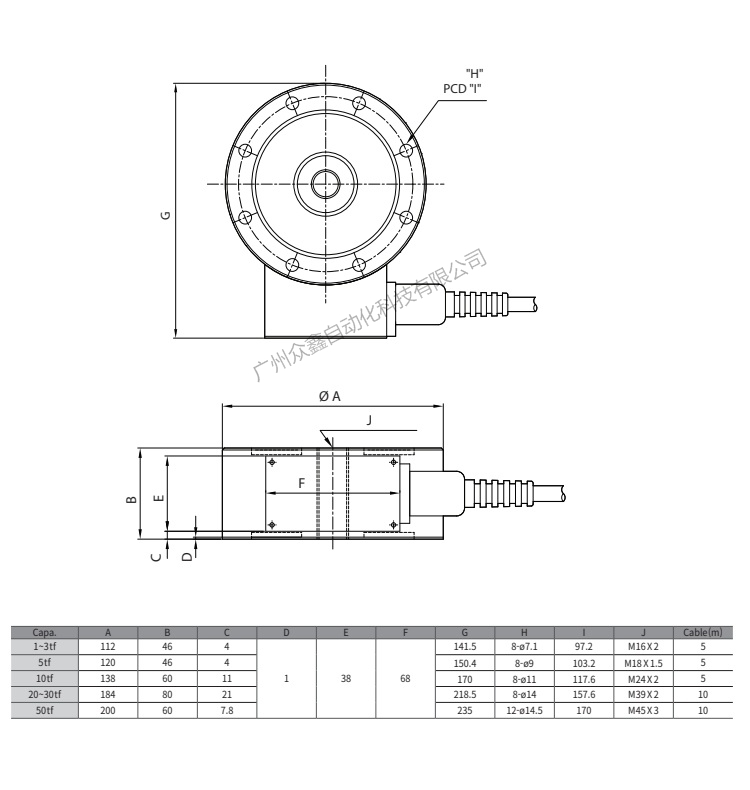
    四、韩国凯士CAS品牌 LSS-50T称重传感器产品尺寸

    五、韩国凯士CAS品牌 LSS-50T称重传感器技术参数

    产品推荐

    联系我们
    联系方式

    销售热线:

    陈小姐:18520271262

      陈小姐:18688494254

    黄先生:18688492451

      黄先生:18520471262

    上班时间:

    周一到周六9:00-18:00

    二维码
    扫一扫联系我们