搜索
热门搜索: 美国中克塞尔美国世铨美国特迪亚美国传力德国HBM梅特勒托利多
产品中心

    LSS-50T-NR传感器,韩国CAS凯士 LSS-NR-50tf 称重传感器

    产品介绍

    一、韩国凯士CAS品牌 LSS-50T-NR称重传感器产品介绍

    产品品牌:韩国凯士CAS
    产品系列:LSS-NR
    产品类型:轮辐式称重传感器
    产品经销商:香港金元宝免费资料
    产品量程:1tf,2tf,3tf,5tf,10tf,20tf,50tf
    产品介绍:LSS-NR是一款不锈钢轮辐式传感器, 具有高度电子耐受性。内部的保护电路能有效防止各种干扰, 浪涌和雷击。适用于漏斗秤, 罐装秤和筒仓秤。
    产品特点:
    (1)拉力/压力型
    (2)不锈钢材质
    (3)高度密封结构
    (4)内置抗干扰, 防浪涌电路
    (5)CE认证
    (6)按照IP67等级设计
    产品选配:
    (1)拉力配件 (杆端轴承型)
    (2)压力配件 (压头型, 球型配件)
    应用范围:
    (1)罐装秤, 漏斗秤, 筒仓秤
    (2)拉力/压力测试机

    二、韩国凯士CAS品牌 LSS-NR称重传感器全部型号

    LSS-1T-NR
    LSS-2T-NR
    LSS-3T-NR
    LSS-5T-NR
    LSS-10T-NR
    LSS-20T-NR
    LSS-50T-NR

    三、韩国凯士CAS品牌 LSS-NR称重传感器图片

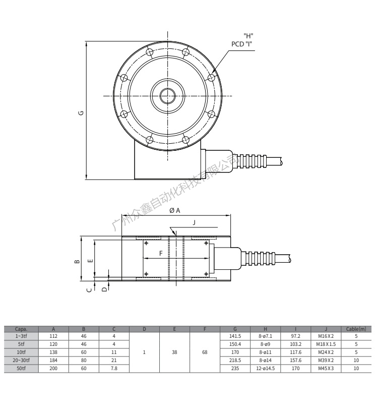
    四、韩国凯士CAS品牌 LSS-50T-NR称重传感器产品尺寸

    五、韩国凯士CAS品牌 LSS-50T-NR称重传感器技术参数


    产品推荐

    联系我们
    联系方式

    销售热线:

    陈小姐:18520271262

      陈小姐:18688494254

    黄先生:18688492451

      黄先生:18520471262

    上班时间:

    周一到周六9:00-18:00

    二维码
    扫一扫联系我们