搜索
热门搜索: 美国中克塞尔美国世铨美国特迪亚美国传力德国HBM梅特勒托利多
产品中心

    LSW-HM-3T传感器,韩国CAS凯士 LSW-HM-5T称重传感器

    产品介绍

    一、韩国凯士CAS品牌 LSW-HM称重传感器产品介绍

    产品品牌:韩国凯士CAS
    产品系列:LSW-HM
    产品类型:轮辐式称重传感器
    产品经销商:香港金元宝免费资料
    产品量程:3tf,5tf
    产品介绍:LSW-HM是一款钢制轮辐式传感器, 适用于压力测试仪和加载控制系统。
    产品特点:
    (1)压缩型
    (2)镂空型
    (3)按照IP66等级设计
    应用范围:
    压力测试机

    二、韩国凯士CAS品牌 LSW-HM称重传感器全部型号

    LSW-HM-3T
    LSW-HM-5T

    三、韩国凯士CAS品牌 LSW-HM称重传感器图片

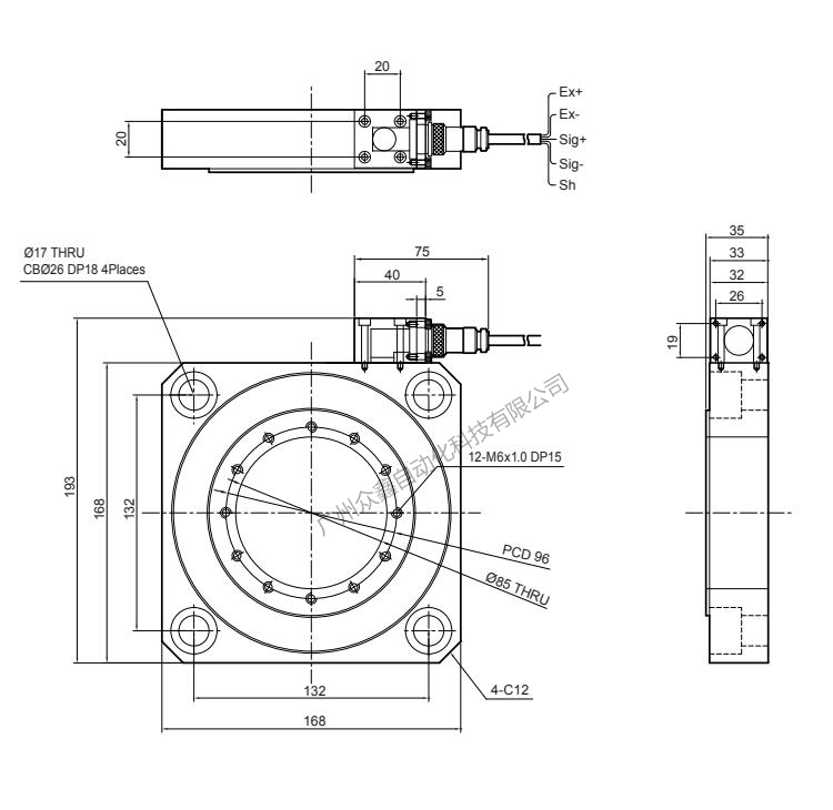
    四、韩国凯士CAS品牌 LSW-HM称重传感器产品尺寸

    五、韩国凯士CAS品牌 LSW-HM称重传感器技术参数


    产品推荐

    联系我们
    联系方式

    销售热线:

    陈小姐:18520271262

      陈小姐:18688494254

    黄先生:18688492451

      黄先生:18520471262

    上班时间:

    周一到周六9:00-18:00

    二维码
    扫一扫联系我们