搜索
热门搜索: 美国中克塞尔美国世铨美国特迪亚美国传力德国HBM梅特勒托利多
产品中心

    【特迪亚1030传感器】1030-2kg~1030-15kg_美国Vishay Tedea-Huntleigh称重传感器

    产品介绍
                                                                                                                                                         
    香港金元宝免费资料专业供应美国TEDEA特迪亚1030系列称重传感器,【特迪亚1030传感器】1030-2kg~1030-15kg_美国Vishay Tedea-Huntleigh称重传感器保证货期快捷,100%原装正品,努力打造中国传感器销售第一品牌商。TEDEA特迪亚1030系列称重传感器相关型号:1030-2KG,1030-3KG,1030-5KG,1030-7KG,1030-10KG,1030-15KG。

    Tedea特迪亚1030系列产品介绍

    产品品牌:美国Tedea称重传感器,特迪亚称重传感器
    产品特性:单点式称重传感器
    -低成本铝制材料设计
    -单点350 x 350mm 平台
    -自选功能:EEx ia IIC T4 hazardous area approval
    -1030传感器调频批准可以使用危险区域认证
    -OIML R60认证,IP65保护
    -可提供公制和UNC螺纹
    -1030系列称重传感器防护等级IP67
    -具有较好的防水防湿功能
    -量程范围:2KG,3KG,5KG,7KG,10KG,15KG
    -1030系列广泛应用:低容量表,精密级,珠宝秤,医药级

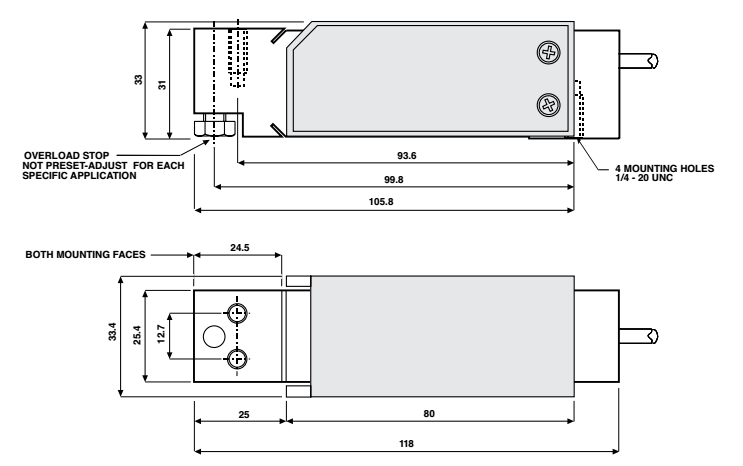
    Tedea特迪亚1030系列安装尺寸

    香港金元宝免费资料 
     
    Tedea特迪亚1030系列技术指标

     香港金元宝免费资料
     
    Tedea特迪亚1030系列接线方式
     
    香港金元宝免费资料 
     
    拓展阅读
     
    单点式称重传感器的概述
    在1979年第一届国际工业称重与测力展览会的讨论中,在传感器的名词术语中出现了一个新名词:“单点”式力传感,最近一代的零售秤里并不包含支承上部衡安称重软件平台的任何辅助挠曲件,平台是刚性地固定于中心传感器的。设计这类单点式力传感器,是基于平行四边形原则,但要为貼应变片提供一个附加的中心十字梁,以便来完成平行四边形顶部件与底部件中的测量梁和挠曲件的任务。其优点是应变片离开了由偏心加荷而引起的有扭曲效应的位置,同时增加了结构的刚性。这种力传感器在制造厂要经受偏心加荷试验。在半径为200亳米的范围内,以不同方向施加传感器极限负荷的1/3负荷。毎个传感器必须在中心读数值的±1/3000以内工作,一种典型的设计。在力传感器方面另一个引人注目的新消息是陀螺原理的推广应用,陀螺测力系统利用了陀螵的专有特性,使它能够作为精密、线性而复现性优良的一种力传感器,对这种力传感器的抗滞后、抗漂移及抗温度效应进行研究后,陀螺测力系统能以很高的抗干扰性将直接数字信号传输到显示单元。这些特性使它与恶劣环境条件完全无关。陀螺的转子以一不变的速度自转,转子的水平轴安装在万向支架里。有一个活节吊挂着外万向支架,此支架又承挂着陀螵下边的可转杠杆的一端。
     
         以上是【特迪亚1030传感器】1030-2kg~1030-15kg_美国Vishay Tedea-Huntleigh称重传感器详细信息,如果您对【特迪亚1030传感器】1030-2kg~1030-15kg_美国Vishay Tedea-Huntleigh称重传感器的价格、货期、型号、库存有什么疑问,欢迎拨打18520271262 获取【特迪亚1030传感器】1030-2kg~1030-15kg_美国Vishay Tedea-Huntleigh称重传感器的最新价格详情。
    产品推荐

    联系我们
    联系方式

    销售热线:

    陈小姐:18520271262

      陈小姐:18688494254

    黄先生:18688492451

      黄先生:18520471262

    上班时间:

    周一到周六9:00-18:00

    二维码
    扫一扫联系我们