搜索
热门搜索: 美国中克塞尔美国世铨美国特迪亚美国传力德国HBM梅特勒托利多
产品中心

    LSOC2-5T传感器,韩国CAS凯士 LSOC2-5tf 称重传感器

    产品介绍
    
    一、韩国凯士CAS品牌 LSOC2称重传感器产品介绍

    产品品牌:韩国凯士CAS
    产品系列:LSOC2
    产品类型:轮辐式称重传感器
    产品经销商:香港金元宝免费资料
    产品量程:5tf
    产品介绍:LSOC2是一款钢制轮辐式传感器, 镂空封闭压缩式设计使该产品适用于特种装备车辆, 货车支架载重测量系统, 以保证安全性。同时, 内置安全装置结构能够保障超载的安全性。
    产品特点:
    (1)压缩应用
    (2)按照IP66等级设计
    应用范围:
    (1)安全特种装备车辆
    (2)货架

    二、韩国凯士CAS品牌 LSOC2称重传感器全部型号

    LSOC2-5T

    三、韩国凯士CAS品牌 LSOC2称重传感器图片

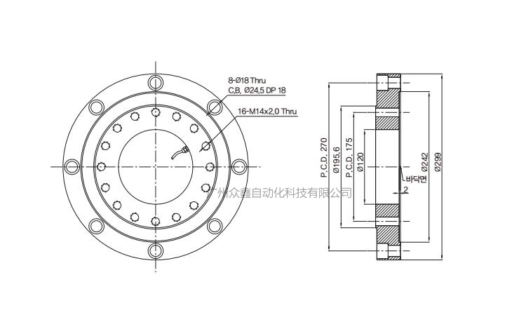
    四、韩国凯士CAS品牌 LSOC2称重传感器产品尺寸

    五、韩国凯士CAS品牌 LSOC2称重传感器技术参数

    产品推荐

    联系我们
    联系方式

    销售热线:

    陈小姐:18520271262

      陈小姐:18688494254

    黄先生:18688492451

      黄先生:18520471262

    上班时间:

    周一到周六9:00-18:00

    二维码
    扫一扫联系我们