搜索
热门搜索: 美国中克塞尔美国世铨美国特迪亚美国传力德国HBM梅特勒托利多
产品中心

    WBK-30D传感器,韩国CAS凯士 WBK-D-30tf 称重传感器

    产品介绍

    一、韩国凯士CAS品牌 WBK-30D称重传感器产品介绍

    产品品牌:韩国凯士CAS
    产品系列:WBK-D
    产品类型:柱式称重传感器
    产品经销商:香港金元宝免费资料
    产品量程:10tf,20tf,25tf,30tf
    产品介绍:
    WBK-D是一款不锈钢柱式传感器。数字输出功能使其能被单独诊断, 同时也可控制重量, 离心补偿, 诊断故障和简易更换。密封的压缩式结构使其适用于漏斗秤,罐装秤, 筒仓秤等严酷的工业环境。
    产品特点:
    (1)压力型
    (2)不锈钢材质
    (3)高精度数字输出
    (4)高度密封结构
    (5)按照IP68等级设计
    (6)OIML C四认证 (OIML R60,10~50tf)
    (7)CE认证
    产品选配:
    汽车衡配件套装
    应用范围:
    (1)罐装秤, 漏斗秤, 筒仓秤
    (2)压缩设备

    二、韩国凯士CAS品牌 WBK-D称重传感器全部型号

    WBK-10D
    WBK-20D
    WBK-25D
    WBK-30D

    三、韩国凯士CAS品牌 WBK-D称重传感器图片

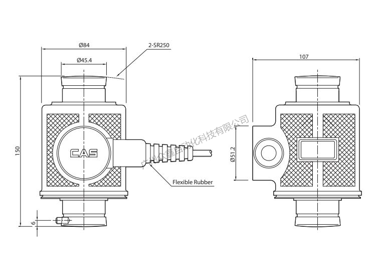
    四、韩国凯士CAS品牌 WBK-30D称重传感器产品尺寸

    五、韩国凯士CAS品牌 WBK-30D称重传感器技术参数

    产品推荐

    联系我们
    联系方式

    销售热线:

    陈小姐:18520271262

      陈小姐:18688494254

    黄先生:18688492451

      黄先生:18520471262

    上班时间:

    周一到周六9:00-18:00

    二维码
    扫一扫联系我们