一、LFSC称重传感器产品介绍
产品品牌:美国mkcells
产品系列:LFSC
产品类型:轮辐式称重传感器
产品经销商:香港金元宝免费资料
产品量程:1T,2T,3T,5T,10T,20T
产品特点:
(1)合金钢材质
(2)电缆长度12米
(3)精度等级:1~5T量程的为0.05;10~20T量程的为0.2
产品应用范围:
(1)轴重秤
(2)仓储秤
(3)实验机
二、LFSC称重传感器全部型号
LFSC-1T
LFSC-2T
LFSC-3T
LFSC-5T
LFSC-10T
LFSC-20T
三、LFSC称重传感器图片





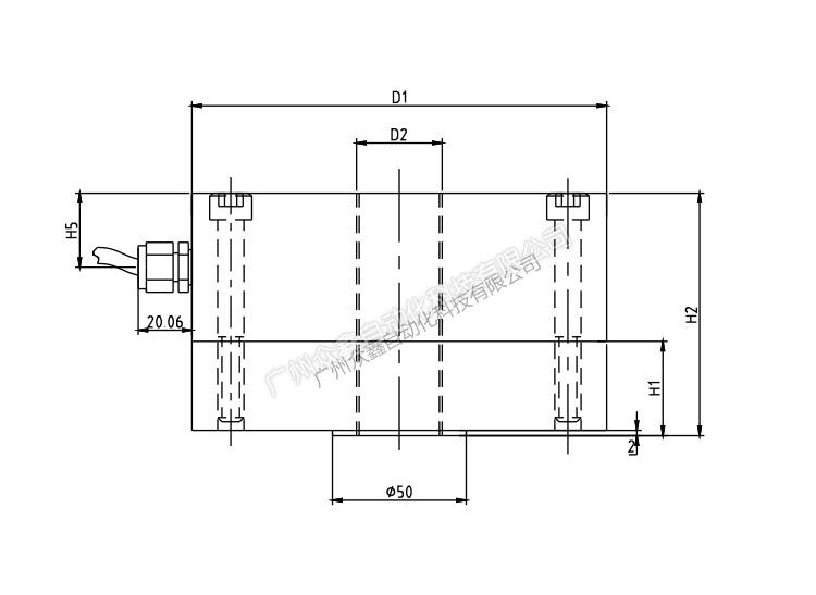
四、LFSC称重传感器产品尺寸

五、LFSC称重传感器技术参数
