搜索
热门搜索: 美国中克塞尔美国世铨美国特迪亚美国传力德国HBM梅特勒托利多
产品中心

    H2A-G3-5MN-5T传感器,美国ZEMIC 中航H2A-5MN 称重传感器

    产品介绍

    一、H2A-G3-5MN-5T称重传感器产品介绍

    产品品牌:ZEMIC
    产品系列:H2A
    产品类型:轮辐式称重传感器
    产品量程:200kg,250kg,500kg,700kg
    产品特点:
    (1)合金钢材质,喷漆,孔辐式结构,胶封,压向承载。
    (2)防护等级 IP67
    (3)适用于桩基测试等工程测量场合

    二、H2A称重传感器产品型号

    H2A-G2-1MN-5T
    H2A-G2-2MN-5T
    H2A-G2-3MN-5T
    H2A-G2-4MN-5T
    H2A-G2-5MN-5T

    H2A-G3-1MN-5T
    H2A-G3-2MN-5T
    H2A-G3-3MN-5T
    H2A-G3-4MN-5T
    H2A-G3-5MN-5T

    H2A-G5-1MN-5T
    H2A-G5-2MN-5T
    H2A-G5-3MN-5T
    H2A-G5-4MN-5T
    H2A-G5-5MN-5T

    三、ZEMIC品牌 H2A称重传感器产品图片

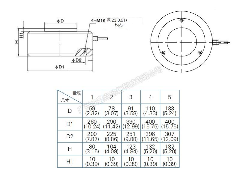
    四、ZEMIC品牌 H2A-G3-5MN-5T称重传感器产品尺寸

    五、ZEMIC品牌 H2A-G3-5MN-5T称重传感器技术参数



    产品推荐

    联系我们
    联系方式

    销售热线:

    陈小姐:18520271262

      陈小姐:18688494254

    黄先生:18688492451

      黄先生:18520471262

    上班时间:

    周一到周六9:00-18:00

    二维码
    扫一扫联系我们