搜索
热门搜索: 美国中克塞尔美国世铨美国特迪亚美国传力德国HBM梅特勒托利多
产品中心

    【富林泰克PC2传感器】PC2-20kg~PC2-150kg_德国FLINTEC称重传感器

    产品介绍
                                                                                                                                                                                     

           【香港金元宝免费资料】专业供应德国FLINTEC富林泰克PC2系列称重传感器,(【富林泰克PC2传感器】PC2-20kg~PC2-150kg_德国FLINTEC富林泰克称重传感器)保证货期快捷,100%原装进口,努力打造中国传感器销售第一品牌商。德国FLINTEC富林泰克PC2系列称重传感器相关型号:PC2-20KG-C3,PC2-150KG-C3,PC2-20KG-G3,PC2-150KG-G3,PC2-20KG-GP,PC2-150KG-GP。

    FLINTEC富林泰克PC2系列产品简介
     
    单点式称重传感器
    防护等级IP68
    选用不锈钢材质
    产品稳定性好
    安装简单、方便
    高输入阻抗
    量程可选:20kg,150kg
    最大平台尺寸:1 000 x 1 000 mm
    应用:传送带,料斗秤,配料系统等
     
    FLINTEC富林泰克PC2系列完整规格型号
     
    PC2-20KG-C3称重传感器,FLINTEC称重传感器,PC2-20KG-C3
    PC2-150KG-C3称重传感器,FLINTEC称重传感器,PC2-150KG-C3
    PC2-20KG-G3称重传感器,FLINTEC称重传感器,PC2-20KG-G3
    PC2-150KG-G3称重传感器,FLINTEC称重传感器,PC2-150KG-G3
    PC2-20KG-GP称重传感器,FLINTEC称重传感器,PC2-20KG-GP
    PC2-150KG-GP称重传感器,FLINTEC称重传感器,PC2-150KG-GP
     
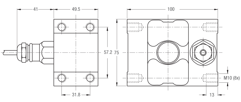
    FLINTEC富林泰克PC2系列安装尺寸

    香港金元宝免费资料
     
    FLINTEC富林泰克PC2系列技术数据

    香港金元宝免费资料
     
    拓展阅读
     
    品牌介绍
    德国FLINTEC Gmbh公司创建于1985年,是目前世界上最大的称重传感器制造商之一。公司总部及产品研发设在德国,在英国、美国、瑞典、印度、斯里兰卡等国家和地区拥有分公司和生产基地。公司始终坚持以人为本,以技术为先导,以质量为生命的企业理念。其主导产品不锈钢全密封系列传感器,以其设计独特,性能优良被广泛应用于各种工业场合特别是恶劣环境下的称重计量和力的检测。因此近些年在业内得以迅速发展处于主导地位。 FLINTEC的不锈钢全密封产品涵盖了单点式、悬臂樑式、平板式、S型和柱式,尤其是小量程全密封产品,拥有优良的C4性能和极好的IP68防护能力,是行业的领导者。 FLINTEC的产品全部拥有OIML,NTEP,PTB,FM认证,适用于各种恶劣环境,高精度,高可靠性的计量和力测量场合。 FLINTEC拥有强大的技术力量,其资深专业技术人员遍布全球各个分公司,在长期为客户良好的服务过程中FLINTEC积累了深厚的现场经验,可以快捷有效的为全球客户提供产品选型和各种复杂的应用技术支持。
     
    产品特点:
    1.FLINTEC的产品材质为全不锈钢金属焊接密封,从根本上解决了其他品牌产品的合金钢弹性体和不锈钢外壳两种材料焊接所造成的结合部锈蚀开裂的问题。真正做到了在恶劣环境中经久耐用IP67-68防护等级。
    2.FLINTEC的所有产品均采用高强度耐酸碱耐老化的电缆和接头并在封装时采取负压吸入封胶的措施保证了防护等级的可靠。
    3.FLINTEC所有投放到中国的产品精度等级均为国际认证的OIMLC3-C4。
    4.FLINTEC的RC1,RC3柱式传感器合理的设计了本体高度和受力面的曲率半径,因此在保证自复位的前提下具有了高达13mm的摇摆幅度。
    5.FLINTEC的所有产品均采用了优质的1100Ω高阻应变计,输入输出阻抗的提高大大减轻了电测系统的负载,同时也减小了因此造成的电热效应,提高了本身的温度性能。
    6.具有Eex ia IIC T6…T4防暴体系认证和制造能力,可根据用户需求提供该标准的防爆产品。
    7.可根据用户需求提供耐温高达250℃的高温产品。
    8.可根据用户需求提供内置避雷器(4X)的防雷产品。
    9.可提供数字量输出的数字式产品。
    10.可根据客户的需求,设计各种形式的传感器。 技术资料函索即付,欢迎垂询。
     
    单点式称重传感器的由来
    在1979年第一届国际工业称重与测力展览会的讨论中,在传感器的名词术语中出现了一个新名词:“单点”式力传感,最近一代的零售秤里并不包含支承上部衡安称重软件平台的任何辅助挠曲件,平台是刚性地固定于中心传感器的。设计这类单点式力传感器,是基于平行四边形原则,但要为貼应变片提供一个附加的中心十字梁,以便来完成平行四边形顶部件与底部件中的测量梁和挠曲件的任务。其优点是应变片离开了由偏心加荷而引起的有扭曲效应的位置,同时增加了结构的刚性。这种力传感器在制造厂要经受偏心加荷试验。在半径为200亳米的范围内,以不同方向施加传感器极限负荷的1/3负荷。毎个传感器必须在中心读数值的±1/3000以内工作,一种典型的设计。在力传感器方面另一个引人注目的新消息是陀螺原理的推广应用,陀螺测力系统利用了陀螵的专有特性,使它能够作为精密、线性而复现性优良的一种力传感器,对这种力传感器的抗滞后、抗漂移及抗温度效应进行研究后,陀螺测力系统能以很高的抗干扰性将直接数字信号传输到显示单元。这些特性使它与恶劣环境条件完全无关。陀螺的转子以一不变的速度自转,转子的水平轴安装在万向支架里。有一个活节吊挂着外万向支架,此支架又承挂着陀螵下边的可转杠杆的一端。
     
         以上是【富林泰克PC2传感器】PC2-20kg~PC2-150kg_德国FLINTEC称重传感器详细信息,如果您对【富林泰克PC2传感器】PC2-20kg~PC2-150kg_德国FLINTEC称重传感器的价格、货期、型号、库存有什么疑问,欢迎拨打18520271262 获取【富林泰克PC2传感器】PC2-20kg~PC2-150kg_德国FLINTEC称重传感器的最新价格详情。
     
    产品推荐

    联系我们
    联系方式

    销售热线:

    陈小姐:18520271262

      陈小姐:18688494254

    黄先生:18688492451

      黄先生:18520471262

    上班时间:

    周一到周六9:00-18:00

    二维码
    扫一扫联系我们