搜索
热门搜索: 美国中克塞尔美国世铨美国特迪亚美国传力德国HBM梅特勒托利多
产品中心

    B6F-C3-250kg-3B6传感器,美国ZEMIC B6F-250kg 称重传感器

    产品介绍
    香港金元宝免费资料】有卖美国ZEMIC B6F系列传感器厂家价格【中国正式★一级经销商】价格实在,质量保证,美国ZEMIC B6F系列传感器询价,找广州众鑫提供详细服务信息。
    广州众鑫国际传感器专家,测量控制系统专家。位移系列产品有:传感器,传感器,测力传感器,控制仪表有:位移控制器,测力控制器,变送器。位移控制系统:釜/罐/仓位移控制。饲料/化肥/食品配方控制。
    美国ZEMIC B6F系列传感器价格绝对优势,供应原装正品货,对待客户细心负责!
    中航电测ZEMIC传感器B6F系列产品参数:
     香港金元宝免费资料
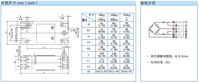
    中航电测ZEMIC传感器B6F系列产品尺寸:
     香港金元宝免费资料
    中航电测ZEMIC传感器B6F系列所有量程如下:
    B6F-50kg, B6F-100kg, B6F-150kg, B6F-200kg, B6F-250kg, B6F-300kg, B6F-400kg, B6F-500kg, B6F-750kg, B6F-1000kg, B6F-1500kg, B6F-2000kg,
     拓展阅读
    直线传感器概述
    直线传感器主要用于控制、调节和测量系统中对位移和长度的直接精确测量,无拉杆设计使传感器电刷在传感器侧面,沿传感器长度方向移动,这样就避免了一般传感器常见的由于“泵”效应引起的传感器失效问题,并且量程可达3000豪米。新颖的球绞使由于不平或倾斜产生的扭力得到释放,传感器的承受拉力均匀。安装卡具可以进行微调。基于材料和工艺的关系,传感器的温度系数极低,坚固的结构和材料使传感器可以在恶劣的温度和震动条件下可靠工作。传感器测量原理简单,无源以及绝对值输出使得它不受外界的电磁影响,同时它不需要内置电源,能在断电时保持实时位移数据。
    以上是【B6F传感器】B6F中航电测ZEMIC传感器详细信息,如果您对【B6F传感器】B6F中航电测ZEMIC传感器的价格、货期、型号、库存有什么疑问,欢迎拨打18520271262陈工获取【B6F传感器】B6F_中航电测ZEMIC传感器的最新价格详情。
     

    产品推荐

    联系我们
    联系方式

    销售热线:

    陈小姐:18520271262

      陈小姐:18688494254

    黄先生:18688492451

      黄先生:18520471262

    上班时间:

    周一到周六9:00-18:00

    二维码
    扫一扫联系我们