搜索
热门搜索: 美国中克塞尔美国世铨美国特迪亚美国传力德国HBM梅特勒托利多
产品中心

    ZXEC-200kg~ZXEC-1t美国ZX单点式称重传感器

    产品介绍
          【香港金元宝免费资料】专业供应ZXEC系列美国ZX单点式称重传感器,(ZXEC系列美国ZX单点式称重传感器系列)保证货期快捷,100%原装正品,10年行业经验专注高端高质传感器服务,提供自动化完整解决方案。ZXEC系列美国ZX单点式称重传感器相关型号:ZXEC-200kg,ZXEC-300kg,ZXEC-500kg,ZXEC-800kg,ZXEC-1t.

    ZXEC系列称重传感器产品介绍

    英文名称:美国Zxscell
    中文名称:中克塞尔
    产品名称:称重传感器
    产品特性:单点式称重传感器
    ★. 抗偏载能力强
    ★.全焊接密封,防护等级高
    ★. ZXEC功能:高温、低温、防尘、防潮。
    ★. ZXEC-A系列适用于平台秤、包装秤等。
    ★.量程可选:200kg,300kg,500kg,800kg,1t

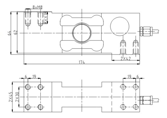
    ZXEC系列称重传感器产品尺寸

    香港金元宝免费资料
    ZXEC系列称重传感器技术指标

    TECHICAL PARAMETER丨4Wires Exc+(Red);Exc-(Black);Sig+(Green);Sig-(White)
    额定载荷: 200,300,500,800kg,1t 绝缘电阻: ≥5000MΩ
    精度等级: 0.03 额定温度: -10_+40℃
    灵敏度: 2.0±0.2mv/v 工作稳定范围: -30_+70℃
    线性误差: ±0.03%F.S 安全负载: 150% F.S
    滞后误差: ±0.03%F.S 破坏负载: 200% F.S
    蠕变(30min): ±0.02%F.S 额定激励电压: 10-12V DC
    零点温度影响: ±0.02%F.S/10℃ 密封等级: IP67
    灵敏度温度影响: ±0.02%F.S/10℃ 材料: 不锈钢
    输入阻抗: 400±20Ω 电缆: 1.5m
    输出阻抗: 352±5Ω 最大秤台尺寸: 600*600mm
     
             以上ZXEC-200kg~ZXEC-1t美国ZX单点式称重传感器详细信息,如果您对ZXEC-200kg~ZXEC-1t美国ZX单点式称重传感器的价格、货期、型号、库存有什么疑问,欢迎拨打18520271262 获取ZXEC-200kg~ZXEC-1t美国ZX单点式称重传感器最新价格详情。

    产品推荐

    联系我们
    联系方式

    销售热线:

    陈小姐:18520271262

      陈小姐:18688494254

    黄先生:18688492451

      黄先生:18520471262

    上班时间:

    周一到周六9:00-18:00

    二维码
    扫一扫联系我们