搜索
热门搜索: 美国中克塞尔美国世铨美国特迪亚美国传力德国HBM梅特勒托利多
产品中心

    BM14D-C2-100t-20B-D41称重传感器 美国ZEMIC柱式传感器

    产品介绍
     
     
    一、ZEMIC称重传感器 BM14D-C2-100t-20B-D41称重传感器产品介绍
     
     
    产品品牌:ZEMIC
     
    产品系列:BM14D
     
    产品类型:悬臂梁式称重传感器
     
    产品量程:10t,20t,25t,30t,40t,50t,60t,100t
     
    产品特点:
     
    (1)合金钢材质,镀镍,单柱式结构,焊接密封,拉向或压向承载。
     
    (2)防护等级 IP68
     
    (3)防雷击可达一万伏,适用于大型工控和测试类设备。
     
     
     
    二、ZEMIC称重传感器 BM14D-C2-100t-20B-D41称重传感器相关型号
     
     
     
    BM14D-C2-10t-20B-D41
     
    BM14D-C2-20t-20B-D41
     
    BM14D-C2-25t-20B-D41
     
    BM14D-C2-30t-20B-D41
     
    BM14D-C2-40t-20B-D41
     
    BM14D-C2-50t-20B-D41
     
    BM14D-C2-60t-20B-D41
     
    BM14D-C2-100t-20B-D41
     
     
     
    三、ZEMIC称重传感器 BM14D-C2称重传感器实拍图
     
     
    ZEMIC称重传感器 BM14D-C2称重传感器实拍图
     
    ZEMIC称重传感器 BM14D-C2称重传感器实拍图
     
    ZEMIC称重传感器 BM14D-C2称重传感器实拍图
     
    ZEMIC称重传感器 BM14D-C2称重传感器实拍图
     
     
     
     
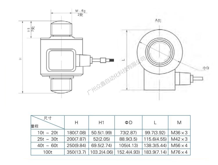
    四、ZEMIC称重传感器 BM14D-C2-100t-20B-D41称重传感器产品尺寸
     
    ZEMIC称重传感器 BM14D-C2-100t-20B-D41称重传感器产品尺寸
     
    五、ZEMIC称重传感器 BM14D-C2-100t-20B-D41称重传感器技术参数
     
    ZEMIC称重传感器 BM14D-C2-100t-20B-D41称重传感器技术参数


    香港金元宝免费资料重点推出以下品牌产品,确保全新原装正品,价优,欢迎新老客户咨询!
     
    ★ 德国HBM:称重传感器-- Z6F,C16A,RTN,HLCB1, PW2D, PW6D,PW2C,PW6K,PW6C,PW10A,PW12C,PW16A,PW22,S40A,C2等系列
    ★ 德国HBM:数字传感器-- C16I,FIT5AEB3,FIT7A
    ★ 德国HBM:扭矩/力传感器 -- T40B,T22,T5,U9C,C9C,S9M,U2B,S2M等系列
    ★ 德国HBM:称重仪表/变送器 -- WE2111,RM4220, BM40,AE101, AE301,EM201等系列
     
    ★ 美国世铨celtron:传感器 -- STC,HBB,LPS,LOC,PSD,LCD,MBB,SQB等系列
    ★ 特迪亚Tedea-huntleigh: --3410,616,355,1015,1040,1022,1260,120,1241,240等系列
    ★ 美国传力Transcell :传感器-- BSS,BSH,DBSL,SBST,CR,SBS,BAB等系列
     
    ★ 梅特勒托利多:称重传感器-- TSC,TSB,MTB,GD,SLB415,SLB215,MT1022,MT1260,MT1241,SB,SBS,SBH等系列
    ★ METTLER TOLEDO:数字传感器—GDD,SLC720,0760,PDX,SLC820等系列
    ★ 梅特勒托利多:控制仪表 -- IND331,IND245,IND320L,IND230,IND560,B520,IND110,WM0800,AJB等系列
     
    ※ 广州众鑫自动化服务宗旨:以诚信为本,用心服务理念;为客户提供完整的自动化控制解决方案。
    ※ 选择广州众鑫自动化理由:保证所售产品原装正品!货期快、效率高、货源正、价格优、值得信赖!
     
    产品推荐

    联系我们
    联系方式

    销售热线:

    陈小姐:18520271262

      陈小姐:18688494254

    黄先生:18688492451

      黄先生:18520471262

    上班时间:

    周一到周六9:00-18:00

    二维码
    扫一扫联系我们