香港金元宝免费资料-资料免费精选
语言
国家/地区
中文
English
专注自动化称重系统
全国咨询热线:
18520271262
020-28186246
首页
搜索
热门搜索:
美国中克塞尔
美国世铨
美国特迪亚
美国传力
德国HBM
梅特勒托利多
产品中心
当前位置:
首页
>
产品中心
>
称重传感器
>
单点式称重传感器
YZC-664-300kg传感器,广州电测 YZC-664-300kg 称重传感器
联系我们
查看pdf
产品介绍
【广州众鑫自动化
科技有限公司
】有卖广州电测
YZC-664系列传感器
厂家价格【中国正式★一级经销商】价格实在,质量保证,
广州电测
YZC-664
系列传感器
询价,找广州众鑫提供详细服务信息。
广州众鑫国际传感器专家,测量控制系统专家。位移系列产品有:传感器,传感器,测力传感器,控制仪表有:位移控制器,测力控制器,变送器。位移控制系统:釜/罐/仓位移控制。饲料/化肥/食品配方控制。
广州电测 YZC-664系列传感器价格绝对优势,供应原装正品货,对待客户细心负责!
广州电测传感器
YZC-664
系列产品参数:
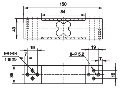
广州电测传感器
YZC-664
系列产品尺寸:
广州电测传感器
YZC-664
系列所有量程如下:
YZC-664-60kg, YZC-664-100kg, YZC-664-200kg, YZC-664-300kg
拓展阅读
称重传感器
行业如何落实“供给侧”改革的发展战略,如何将信息技术与制造技术深度融合实现数字化、网络化、智能化 设计与制造,是行业内较大型企业必须面对的课题。近年来,三维数字化设计制造能力已经成为国内外企业竞争的核心,是实现企业研制能力变革的支点和突破口, 这一具有风向标性质的变化应引起称重传感器企业高度重视。
尽管应变式称重传感器的原理和制造工艺决定了它不能象机器零部件那样自动化、智能化无缝连接生产 线大批量生产,但也应该用互联网思维升级称重传感器的结构设计与制造工艺,使其尽量接近数字化、智能化或部分数字化、智能化生产。
以上是【YZC-664传感器】YZC-664广州电测传感器详细信息,如果您对【YZC-664传感器】YZC-664广州电测传感器的价格、货期、型号、库存有什么疑问,欢迎拨打
18520271262
陈工
获取【YZC-664传感器】YZC-664_
广州电测传感器
的最新价格详情。
产品推荐
DZM-X1卡轨式称重变送模块-美国中克塞尔品牌
详情
LCT6(03)重量变送器
详情
ZXM-P1高精度称重显示控制器-ZXMP1美国中克塞尔品牌称重仪表
详情
ZM02力值显示控制器-美国中克塞尔品牌称重仪表
详情
上一篇:YZC-664-250kg传感器,广州电测 YZC-664-250kg 称重传感器
下一篇:YZC-665-100kg传感器,广州电测 YZC-665-100kg 称重传感器
联系我们
销售工程师-陈小姐
销售工程师-谢小姐
销售工程师-黄先生
联系方式
销售热线:
陈小姐:18520271262
陈小姐:18688494254
黄先生:18688492451
黄先生:18520471262
上班时间:
周一到周六
9:00-
18:00
二维码
联
系
我
们