搜索
热门搜索: 美国中克塞尔美国世铨美国特迪亚美国传力德国HBM梅特勒托利多
产品中心
    当前位置: 首页  > 产品中心  > 称重传感器  > S型称重传感器

    【DEE传感器】DEE-50kg~DEE-7t_美国MKcells称重传感器

    产品介绍
                                                                                                                                                                        

    香港金元宝免费资料】专业供应DEE系列美国MKcells拉式S型称重传感器,( 【DEE传感器】DEE-50kg~DEE-7t_美国MKcells称重传感器)保证货期快捷,100%原装正品,10年行业经验专注高端高质传感器服务,提供自动化完整解决方案。DEE系列美国MKcells拉式S型称重传感器相关型号:DEE-50kg,DEE-100kg,DEE-150kg,DEE-200kg,DEE-250kg,DEE-300kg,DEE-500kg,DEE-750kg,DEE-1t,DEE-1.2t,DEE-1.5t,DEE-2t,DEE-3t,DEE-5t,DEE-7t.

    DEE系列称重传感器产品介绍

    英文品牌:美国MKCELLS
    产品名称:称重传感器
    产品特性:S型称重传感器
    ★采用优质的合金钢材质
    ★材质可选:不锈钢
    ★防护等级:IP65 IP68
    ★DEE系列形状可选:直角或圆角
    ★主要应用于吊钩秤、皮带秤、配料系统。
    ★量程可选:50kg,100kg,150kg,200kg,250kg,300kg,500kg,750kg;1t,1.5t,2t,3t,5t,7t。
     
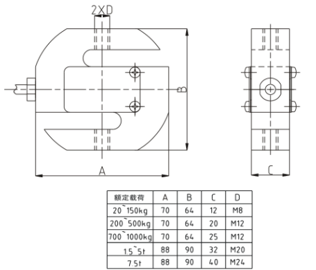
    DEE系列称重传感器安装尺寸

    香港金元宝免费资料

    DEE系列称重传感器完整型号

    DEE-50kg,DEE-100kg,DEE-150kg,DEE-200kg,DEE-250kg,DEE-300kg,DEE-500kg,DEE-750kg,DEE-1t,DEE-1.2t,DEE-1.5t,DEE-2t,DEE-3t,DEE-5t,DEE-7t
    DEE-A-50kg,DEE-A-100kg,DEE-A-150kg,DEE-A-200kg,DEE-A-250kg,DEE-A-300kg,DEE-A-500kg,DEE-A-750kg,DEE-A-1t,DEE-A-1.2t,DEE-A-1.5t,DEE-A-2t,
    DEE-A-3t,DEE-A-5t,DEE-A-7t,DEE-SS-50kg,DEE-SS-100kg,DEE-SS-150kg,DEE-SS-200kg,DEE-SS-250kg,DEE-SS-300kg,DEE-SS-500kg,
    DEE-SS-750kg;DEE-SS-1t,DEE-SS-1.5t,DEE-SS-2t,DEE-SS-3t,DEE-SS-5t,DEE-SS-7t
     
    拓展阅读

    防护密封的基础和方法
    称重传感器的密封护的基础,是防护面胶涂刷电阻应变计。塑料防护面:
    (1)电介质强度>5000M,体积电阻率10141018Ω.cm;
    (2)与金属表面有很强的凝聚力,从该接口,以防止湿气穿透;
    (3)吸湿小,内聚强度;
    (4)的固化反应不会释放有害的化合物,无腐蚀性的电阻应变仪;
    (5)固化膜的柔软,在应变范围内的弹性部件的弹性常数。
    电阻应变计防护面塑料刷牙和清洗前刷牙的时间是必不可少的。在生产过程中的称重传感器,完成下列两项任务,其中之一是补丁,加压固化,固化救济,质量检验
    调查,粘贴端子,压线组桥接,并测量其绝缘电阻的每一个过程中的质量标准;第二是可接受的质量的过程中,弹性元件的整体清洗。弹性元件的整体清洗后,必须迅速放入高温的试验容器中,加热40℃,保温一定的时间内,从包装盒中的弹性元件刷牙的保护面胶(1)在干燥的除去环境条件下。其目的是为了防止电阻应变计生产过程中的水分,奠定基础,最终保护和密封。
     
           以上【DEE传感器】DEE-50kg~DEE-7t_美国MKcells称重传感器详细信息,如果您对【DEE传感器】DEE-50kg~DEE-7t_美国MKcells称重传感器的价格、货期、型号、库存有什么疑问,欢迎拨打18520271262 获取【DEE传感器】DEE-50kg~DEE-7t_美国MKcells称重传感器最新价格详情。
    产品推荐

    联系我们
    联系方式

    销售热线:

    陈小姐:18520271262

      陈小姐:18688494254

    黄先生:18688492451

      黄先生:18520471262

    上班时间:

    周一到周六9:00-18:00

    二维码
    扫一扫联系我们