搜索
热门搜索: 美国中克塞尔美国世铨美国特迪亚美国传力德国HBM梅特勒托利多
产品中心
    当前位置: 首页  > 产品中心  > 称重传感器  > S型称重传感器

    【赛多利斯PR6246传感器】PR6246/12D1-100kg~PR6246/33D1-3t_德国sartorius称重传感器

    产品介绍
         【香港金元宝免费资料】专业供应瑞士德国sartorius赛多利斯PR6246系列称重传感器,(【赛多利斯PR6246传感器】PR6246/12D1-100kg~PR6246/33D1-3t_德国sartorius称重传感器)保证货期快捷,100%原装正品,努力打造中国传感器销售第一品牌商。德国sartorius赛多利斯PR6246系列称重传感器相关型号:PR6246/12D1_100kg,PR6246/22D1_200kg, PR6246/32D1_300kg,PR6246/52D1_500kg,PR6246/13D1_1t,PR6246/23D1_2t,PR6246/33D1_3t。

    德国sartorius赛多利斯PR6246系列产品简介

    英文名称:sartorius
    中文名称:赛多利斯
    产品名称:S型称重传感器
    产品原理:电阻应变式
    产品系列:PR6246
    防护等级:IP68
    材质选用:不锈钢外壳
    具有长期稳定性等优点
    量程可选:100kg,200kg,300kg,500kg,1t,2t,3t.
    应用领域:过程称重,吊钓秤,配料秤

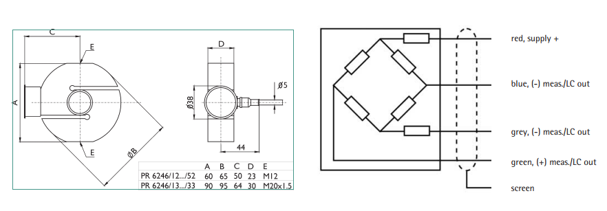
    德国sartorius赛多利斯PR6246系列尺寸
    香港金元宝免费资料

    德国sartorius赛多利斯PR6246系列参数
    香港金元宝免费资料

    德国sartorius赛多利斯PR6246系列完整规格

    D1精度
    赛多利斯PR6246/12D1_100kg,赛多利斯PR6246/13D1_1t,
    赛多利斯PR6246/22D1_200kg,赛多利斯PR6246/23D1_2t
    赛多利斯PR6246/32D1_300kg,赛多利斯PR6246/33D1_3t
    赛多利斯PR6246/52D1_500kg
     
    C3精度
    赛多利斯PR6246/12C3_100kg,赛多利斯PR6246/13C3_1t,
    赛多利斯PR6246/22C3_200kg,赛多利斯PR6246/23C3_2t
    赛多利斯PR6246/32C3_300kg,赛多利斯PR6246/33C3_3t
    赛多利斯PR6246/52C3_500kg
     
    C6精度
    赛多利斯PR6246/12C6_100kg,赛多利斯PR6246/13C6_1t,
    赛多利斯PR6246/22C6_200kg,赛多利斯PR6246/23C6_2t
    赛多利斯PR6246/32C6_300kg,赛多利斯PR6246/33C6_3t
    赛多利斯PR6246/52C6_500kg
     
    拓展阅读

    以上为德国赛多利斯sartorius_中国总代理【众鑫★自动化】郑重承诺
    原装正品出售,质量好,价格低廉,高品质、专业的沟通,快速的运输,最好的服务。给你最好的交易每一天!欢迎订购。注意:如果你需要大量或者没有找到你所需要的产品在我们的商店,请随时与我们联系。我们总是提供最好的质量和极具竞争力的价格给你。我们郑重承若,3个月内不满意时无条件退换货,不收任何费用,质保2年,随时提供免费维修。
     
    S型称重传感器概述
    S型称重传感器是传感器中最为常见的一种传感器,主要用于测固体间的拉力和压力,通用也人们也称之为拉压力传感器,因为它的外形像S形状,所以习惯上也称S型称重传感器,此传感器采用合金钢材质,胶密封防护处理,安装容易,使用方便,适用于吊秤,配料秤,机改秤等电子测力称重系统.
     
           以上是【赛多利斯PR6246传感器】PR6246/12D1-100kg~PR6246/33D1-3t_德国sartorius称重传感器详细信息,如果您对【赛多利斯PR6246传感器】PR6246/12D1-100kg~PR6246/33D1-3t_德国sartorius称重传感器的价格、货期、型号、库存有什么疑问,欢迎拨打18520271262获取【赛多利斯PR6246传感器】PR6246/12D1-100kg~PR6246/33D1-3t_德国sartorius称重传感器的最新价格详情。
    产品推荐

    联系我们
    联系方式

    销售热线:

    陈小姐:18520271262

      陈小姐:18688494254

    黄先生:18688492451

      黄先生:18520471262

    上班时间:

    周一到周六9:00-18:00

    二维码
    扫一扫联系我们