搜索
热门搜索: 美国中克塞尔美国世铨美国特迪亚美国传力德国HBM梅特勒托利多
产品中心

    【QS-A传感器】QS-A-5t~QS-A-50t_英国OAP称重传感器

    产品介绍
                                                                                                                                                                          

    香港金元宝免费资料】专业供应QS系列英国OAP桥式称重传感器,(【QS-A传感器】QS-A-5t~QS-A-50t_英国OAP称重传感器)系列保证货期快捷,100%原装正品,10年行业经验专注高端高质传感器服务,提供自动化完整解决方案。QS系列英国OAP桥式称重传感器相关型号:QS-A-5t,QS-A-10t,QS-A-15t,QS-A-20t,QS-A-25t,QS-A-30t,QS-A-40t,QS-A-50t.

    QS系列称重传感器产品介绍

    品名:英国OAP称重传感器
    产品特性:桥式传感器
    ★.采用优质合金钢材料
    ★.材质可选:合金钢、不锈钢
    ★.安装方便,防护等级IP66
    ★.量程可选:5t,10t,15t,20t,25t,30t,40t,50t
    ★.QS-A系列适用于汽车衡、轨道衡、配料秤及各种专用衡器

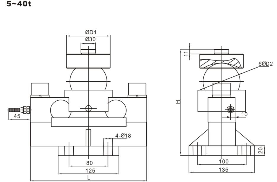
    QS系列称重传感器安装尺寸

    香港金元宝免费资料

    QS系列称重传感器技术参数

    TECHICAL PARAMETER丨4Wires Exc+(Red);Exc-(Black);Sig+(Green);Sig-(White)
    额定载荷: 5,10,15,20,25,30,40,50t 绝缘电阻: ≥5000MΩ
    精度等级 C1~C3 额定温度: -10_+40℃
    灵敏度: 2.0±0.002mv/v 工作温度范围: -30_+70℃
    最大激励电压: 15VDC 安全负载: 150% F.S
    零点平衡: ±1 %F.S 破坏负载: 200% F.S
    蠕变(30min): ±1%F.S 推荐激励电压: 10-12V DC
    零点温度影响: ±0.02%F.S/10℃ 防封等级: IP68
    输出温度影响: ±0.02%F.S/10℃ 材料: 合金钢
    输入阻抗: 750±10Ω 不锈钢
    输出阻抗: 702±3Ω 电缆: 5.2m(5t),8m(10t),10m(15t),10/12m(20t)

    QS系列称重传感器完整型号

    英国OAP QS-5t称重传感器
    英国OAP QS-10t称重传感器
    英国OAP QS-15t称重传感器
    英国OAP QS-20t称重传感器
    英国OAP QS-25t称重传感器
    英国OAP QS-30t称重传感器
    英国OAP QS-40t称重传感器
    英国OAP QS-50t称重传感器
     
    英国OAP QS-A-5t称重传感器
    英国OAP QS-A-10t称重传感器
    英国OAP QS-A-15t称重传感器
    英国OAP QS-A-20t称重传感器
    英国OAP QS-A-25t称重传感器
    英国OAP QS-A-30t称重传感器
    英国OAP QS-A-40t称重传感器
    英国OAP QS-A-50t称重传感器
     
    英国OAP QS-ASS-5t称重传感器
    英国OAP QS-ASS-10t称重传感器
    英国OAP QS-ASS-15t称重传感器
    英国OAP QS-ASS-20t称重传感器
    英国OAP QS-ASS-25t称重传感器
    英国OAP QS-ASS-30t称重传感器
    英国OAP QS-ASS-40t称重传感器
    英国OAP QS-ASS-50t称重传感器
     
    拓展阅读

    英国OAP_中国总代理【众鑫★自动化】郑重承诺:
    原装正品出售,质量好,价格低廉,高品质、专业的沟通,快速的运输,最好的服务。给你最好的交易每一天!欢迎订购。注意:如果你需要大量或者没有找到你所需要的产品在我们的商店,请随时与我们联系。我们总是提供最好的质量和极具竞争力的价格给你。我们郑重承若,3个月内不满意时无条件退换货,不收任何费用,质保2年,随时提供免费维修。
     
    桥式称重传感器概述
    采用桥式称重传感器的长承载器衡器,在使用过程中其球状压头随着承载器长度变化,压头也在弹性体的球窝内沿长度方向滚动,使作用力加载方向偏移,从而产生偏载。虽然此类称重传感器的抗偏载性能比较好,但是位移量较大时也会影响一定的计量性能。
     
          以上【QS-A传感器】QS-A-5t~QS-A-50t_英国OAP称重传感器详细信息,如果您对【QS-A传感器】QS-A-5t~QS-A-50t_英国OAP称重传感器的价格、货期、型号、库存有什么疑问,欢迎拨打18520271262 获取【QS-A传感器】QS-A-5t~QS-A-50t_英国OAP称重传感器最新价格详情。
    产品推荐

    联系我们
    联系方式

    销售热线:

    陈小姐:18520271262

      陈小姐:18688494254

    黄先生:18688492451

      黄先生:18520471262

    上班时间:

    周一到周六9:00-18:00

    二维码
    扫一扫联系我们