搜索
热门搜索: 美国中克塞尔美国世铨美国特迪亚美国传力德国HBM梅特勒托利多
产品中心
    当前位置: 首页  > 产品中心  > 称重传感器  > S型称重传感器

    PR6241/23D1 2T称重传感器,德国茵泰科(赛多利斯)传感器

    产品介绍
     
     
    一、德国茵泰科 PR6241/23D1称重传感器产品介绍

     
    1、产品介绍
     
      德国茵泰科(赛多利斯)品牌的PR6241 S型压式传感器专门设计用于称量中小型工艺容器,并用于高精度计量。应用于防爆1、2、20、21、22和FM DIV 1区。

      PR 6241系列称重传感器是特别为了称量小体积和中等尺寸过程容器和高精度配料成设计的。独特的设计原理,结合FlexLock安装套件,使它能平衡机械或者容器热胀冷缩以及支撑结构引起的震动。
     
    2、产品特点:
     
    (1)易于安装使用
    (2)易于使用匹配传感器一致性输出
    (3)全不锈钢结构
    (4)温度适应范围广
    (5)防震
    (6)密封焊接,IP68防护等级(1.5m水下浸没10,000小时)
    (7)提供防爆型号
    (8)W&M认证(OIML R60)
     
    3、应用案例:
     
    (1)灌装量控制
    (2)灌装和计量
    (3)称重



    二、德国茵泰科 PR6241/23D1称重传感器产品技术参数
     
     
    1、传感器结构
     
      S型设计,集成负载。全不锈钢结构、密封焊接、惰性气体填充。
     
    2、材料
     
      传感器:1.4542 (DIN 17440) 类似于S604, S622 (B.S.), 17 - 4PH
     
    3、防护
     
      IP 68, IEC 529 (等同于NEMA 6)。传感器能在1.5m水下浸没10,000小时。
     
      坚固、灵活;鞘:TPE Thermopl。Elastomere, 颜色: 灰色(防爆: 蓝色); 直径: 5 mm, 电缆 4 x 0.35 mm2; 长: 5 m
     
    4、弯曲半径
     
      固定安装:≥ 50mm; 灵活安装: ≥ 150mm
     
    5、PR 6241/..E认证证书
     
      EX: II 1G EEx ia IIC T6, II 1D IP65 85°C; 注册号: PTB 02 ATEX 2059, TÜV 03 ATEX 2301x



     
    三、德国茵泰科 PR6241称重传感器产品实拍图


    德国茵泰科 PR6241称重传感器产品实拍图

    德国茵泰科 PR6241称重传感器产品实拍图

    德国茵泰科 PR6241称重传感器产品实拍图

     

     
    四、德国茵泰科 PR6241称重传感器产品型号介绍

     
    PR6241/12D1 (量程为100kg)
    PR6241/22D1 (量程为300kg)
    PR6241/32D1 (量程为300kg)
    PR6241/52D1 (量程为500kg)
    PR6241/13D1 (量程为1t)
    PR6241/23D1 (量程为2t)
    PR6241/33D1 (量程为3t)
    PR6241/53D1 (量程为5t)
     
     
    PR6241/22C3 (量程为200kg)
    PR6241/32C3 (量程为300kg)
    PR6241/52C3 (量程为500kg)
    PR6241/13C3 (量程为1t)
    PR6241/23C3 (量程为2t)
    PR6241/33C3 (量程为3t)
    PR6241/53C3 (量程为5t)
     
     
    PR6241/22C6 (量程为200kg)
    PR6241/32C6 (量程为300kg)
    PR6241/52C6 (量程为500kg)
    PR6241/13C6 (量程为1t)
    PR6241/23C6 (量程为2t)
    PR6241/33C6 (量程为3t)
     

     
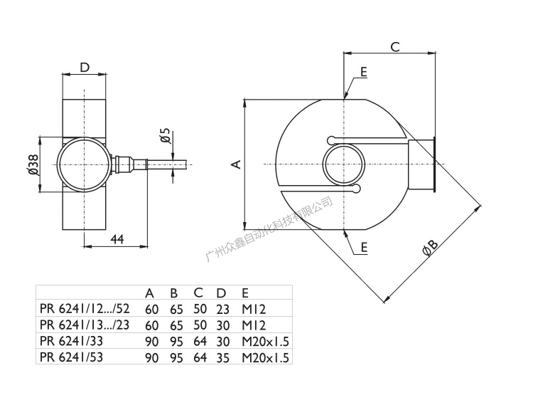
    五、德国茵泰科 PR6241/23D1称重传感器产品尺寸

    德国茵泰科 PR6241/23D1称重传感器产品尺寸


    香港金元宝免费资料重点推出以下品牌产品,确保全新原装正品,价优,欢迎新老客户咨询!
     
    ★ 德国HBM:称重传感器-- Z6F,C16A,RTN,HLCB1, PW2D, PW6D,PW2C,PW6K,PW6C,PW10A,PW12C,PW16A,PW22,S40A,C2等系列
    ★ 德国HBM:数字传感器-- C16I,FIT5AEB3,FIT7A
    ★ 德国HBM:扭矩/力传感器 -- T40B,T22,T5,U9C,C9C,S9M,U2B,S2M等系列
    ★ 德国HBM:称重仪表/变送器 -- WE2111,RM4220, BM40,AE101, AE301,EM201等系列
     
    ★ 美国世铨celtron:传感器 -- STC,HBB,LPS,LOC,PSD,LCD,MBB,SQB等系列
    ★ 特迪亚Tedea-huntleigh: --3410,616,355,1015,1040,1022,1260,120,1241,240等系列
    ★ 美国传力Transcell :传感器-- BSS,BSH,DBSL,SBST,CR,SBS,BAB等系列
     
    ★ 梅特勒托利多:称重传感器-- TSC,TSB,MTB,GD,SLB415,SLB215,MT1022,MT1260,MT1241,SB,SBS,SBH等系列
    ★ METTLER TOLEDO:数字传感器—GDD,SLC720,0760,PDX,SLC820等系列
    ★ 梅特勒托利多:控制仪表 -- IND331,IND245,IND320L,IND230,IND560,B520,IND110,WM0800,AJB等系列
     
    ※ 广州众鑫自动化服务宗旨:以诚信为本,用心服务理念;为客户提供完整的自动化控制解决方案。
    ※ 选择广州众鑫自动化理由:保证所售产品原装正品!货期快、效率高、货源正、价格优、值得信赖!
     

    产品推荐

    联系我们
    联系方式

    销售热线:

    陈小姐:18520271262

      陈小姐:18688494254

    黄先生:18688492451

      黄先生:18520471262

    上班时间:

    周一到周六9:00-18:00

    二维码
    扫一扫联系我们