搜索
热门搜索: 美国中克塞尔美国世铨美国特迪亚美国传力德国HBM梅特勒托利多
产品中心

    【韩国bongshin】BCH-500kg~BCH-50t_韩国奉信bongshin称重传感器

    产品介绍
        【香港金元宝免费资料】专业供应韩国bongshin 奉信BCH系列称重传感器,(【韩国奉信BCH传感器】BCH-500kg~BCH-50t_韩国bongshin称重传感器)保证货期快捷,100%原装进口,为多种工业领域提高完整的自动化称重解决方案。韩国bongshin 奉信BCH系列称重传感器相关型号:BCH-500kg,BCH-1t,BCH-2t,BCH-3t,BCH-5t,BCH-10t,BCH-20t,BCH-30t,BCH-50t.
     
    韩国Bongshin BCH称重传感器是本公司的重点优势产品之一,拥有绝对优势价格,现货、原装、正品、可靠!保证满意价格质量!
     
    我们郑重承诺:“三个月内不满意随时无条件退换货,退还全部货款,不收任何费用”。质保两年,随时免费维修!

    韩国BONGSHIN奉信BCH系列产品简介

    英文名称:韩国BONGSHIN
    中文名称:韩国奉信
    产品型号:BCH
    产品类型:韩国称重传感器
    量程可选:500kg,1t,2t,3t,5t,10t,20t,30t,50t.

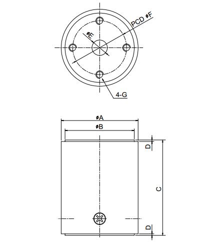
    韩国BONGSHIN奉信BCH系列安装尺寸

    香港金元宝免费资料

    香港金元宝免费资料

    韩国BONGSHIN奉信BCH系列技术指标

    香港金元宝免费资料

    韩国BONGSHIN奉信BCH系列柱式型号

    Bongshin BCH-500kg称重传感器
    Bongshin BCH-1t称重传感器
    Bongshin BCH-2t称重传感器,
    Bongshin BCH-3t称重传感器,
    Bongshin BCH-5t称重传感器,
    Bongshin BCH-10t称重传感器,
    Bongshin BCH-20t称重传感器,
    Bongshin BCH-30t称重传感器,
    Bongshin BCH-50t称重传感器

    拓展阅读

    自1985年以来,工业称重传感器附庸的发展开始蔓延韩国BONGSHIN称重传感器有限公司,天车秤,称重系统,如数字指标不断的研究努力,在生产一个完整的产品的领导者,只能希望,结果却得到了众多行业不断努力的最被认可为国内和国外收入在世界上,与美国,欧洲,日本等38个国家和出口是质量交货。
    此外, OIML , NTEP ,以及美国和欧洲,并获得CE认证。继续不断的开发和严格的质量控制和完善的产品,是比最好的更好会尽我所能来服务。
     
    其他搜索方式:
     
    OBBH称重传感器,可搜索型号:OBBH-10kg OBBH-20kg OBBH-50kg
    OBBS称重传感器,可搜索型号:OBBS-10kg OBBS-20kg OBBS-50kg OBBS-100kg OBBS-200kg OBBS-500kg
    OBBA称重传感器,可搜索型号:OBBA-10;OBBA-20;OBBA-50;OBBA-100;OBBA-200;OBBA-300
     
           以上是【韩国奉信BCH传感器】BCH-500kg~BCH-50t_韩国bongshin称重传感器详细信息,如果您对【韩国奉信BCH传感器】BCH-500kg~BCH-50t_韩国bongshin称重传感器的价格、货期、型号、库存有什么疑问,欢迎拨打18520271262获取【韩国奉信BCH传感器】BCH-500kg~BCH-50t_韩国bongshin称重传感器的最新价格详情。
    产品推荐

    联系我们
    联系方式

    销售热线:

    陈小姐:18520271262

      陈小姐:18688494254

    黄先生:18688492451

      黄先生:18520471262

    上班时间:

    周一到周六9:00-18:00

    二维码
    扫一扫联系我们