搜索
热门搜索: 美国中克塞尔美国世铨美国特迪亚美国传力德国HBM梅特勒托利多
产品中心

    【IL传感器】IL-50kg~IL-2t_英国OAP称重传感器

    产品介绍
                                                                                                                                                          

    香港金元宝免费资料】专业供应IL系列英国OAP箱式称重传感器,(【IL传感器】IL-50kg~IL-2t_英国OAP称重传感器)保证货期快捷,100%原装正品,10年行业经验专注高端高质传感器服务,提供自动化完整解决方案。IL系列英国OAP箱式称重传感器相关型号:IL-50kg,IL-100kg,IL-150kg,IL-200kg,IL-250kg,IL-300kg,IL-500kg,IL-1000kg,IL-2000kg,IL-1t,IL-2t.

    IL系列称重传感器产品介绍

    产品名称:英国称重传感器
    产品品牌:英国OAP
    产品特性:单点式称重传感器
    ★.采用优质合金钢材料
    ★.安装方便,防护等级IP65
    ★.最大秤台尺寸800*800mm
    ★.量程可选:50kg~2t.
    ★.IL系列适用于各种台秤、料斗秤。

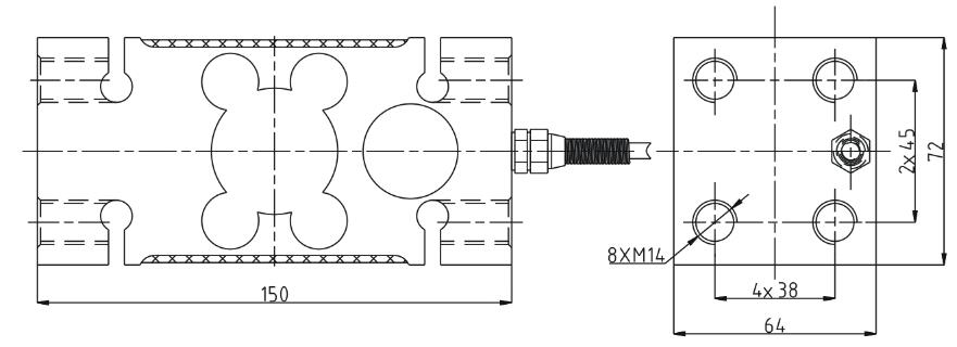
    IL系列称重传感器安装尺寸

    香港金元宝免费资料

    IL系列称重传感器技术参数

    TECHICAL PARAMETER4Wires Exc+(Red);Exc-(Black);Sig+(Green);Sig-(White)
    额定载荷: 50,100,150,200,250,300,500kg,1t,2t 绝缘电阻: ≥5000MΩ
    精度等级: 0.03 温度补偿范围: -10℃_+40℃
    灵敏度: 2.0±0.02mv/v 工作温度范围: -30_+70℃
    线性误差: ±0.03%F.S 安全负载: 150% F.S
    滞后误差: ±0.03%F.S 破坏负载: 200% F.S
    蠕变
    (30min):
    ±0.0.02%F.S 额定激励电压: 10-12V DC
    零点温度影响: ±0.02%F.S/10℃ 最大激励电压: 15VDC
    灵敏度温度影响: ±0.02%F.S/10℃ 密封等级: IP65
    输入阻抗: 400±20Ω 材料: 合金钢
    输出阻抗: 352±5Ω 电缆: 3m

    IL系列称重传感器完整型号

    IL-1t,IL-100kg,IL-150kg,IL-200kg
    IL-2t,IL-250kg,IL-300kg,IL-500kg
    IL-50kg,IL-1000kg,IL-2000kg
     
    拓展阅读
    防护密封的基础和方法
    称重传感器的密封护的基础,是防护面胶涂刷电阻应变计。塑料防护面:
    (1)电介质强度>5000M,体积电阻率10141018Ω.cm;
    (2)与金属表面有很强的凝聚力,从该接口,以防止湿气穿透;
    (3)吸湿小,内聚强度;
    (4)的固化反应不会释放有害的化合物,无腐蚀性的电阻应变仪;
    (5)固化膜的柔软,在应变范围内的弹性部件的弹性常数。
    电阻应变计防护面塑料刷牙和清洗前刷牙的时间是必不可少的。在生产过程中的称重传感器,完成下列两项任务,其中之一是补丁,加压固化,固化救济,质量检验
    调查,粘贴端子,压线组桥接,并测量其绝缘电阻的每一个过程中的质量标准;第二是可接受的质量的过程中,弹性元件的整体清洗。弹性元件的整体清洗后,必须迅速放入高温的试验容器中,加热40℃,保温一定的时间内,从包装盒中的弹性元件刷牙的保护面胶(1)在干燥的除去环境条件下。其目的是为了防止电阻应变计生产过程中的水分,奠定基础,最终保护和密封。
     
    单点式称重传感器的由来
    在1979年第一届国际工业称重与测力展览会的讨论中,在传感器的名词术语中出现了一个新名词:“单点”式力传感,最近一代的零售秤里并不包含支承上部衡安称重软件平台的任何辅助挠曲件,平台是刚性地固定于中心传感器的。设计这类单点式力传感器,是基于平行四边形原则,但要为貼应变片提供一个附加的中心十字梁,以便来完成平行四边形顶部件与底部件中的测量梁和挠曲件的任务。其优点是应变片离开了由偏心加荷而引起的有扭曲效应的位置,同时增加了结构的刚性。这种力传感器在制造厂要经受偏心加荷试验。在半径为200亳米的范围内,以不同方向施加传感器极限负荷的1/3负荷。毎个传感器必须在中心读数值的±1/3000以内工作,一种典型的设计。在力传感器方面另一个引人注目的新消息是陀螺原理的推广应用,陀螺测力系统利用了陀螵的专有特性,使它能够作为精密、线性而复现性优良的一种力传感器,对这种力传感器的抗滞后、抗漂移及抗温度效应进行研究后,陀螺测力系统能以很高的抗干扰性将直接数字信号传输到显示单元。这些特性使它与恶劣环境条件完全无关。陀螺的转子以一不变的速度自转,转子的水平轴安装在万向支架里。有一个活节吊挂着外万向支架,此支架又承挂着陀螵下边的可转杠杆的一端。
     
           以上【IL传感器】IL-50kg~IL-2t_英国OAP称重传感器详细信息,如果您对【IL传感器】IL-50kg~IL-2t_英国OAP称重传感器的价格、货期、型号、库存有什么疑问,欢迎拨打18520271262 获取【IL传感器】IL-50kg~IL-2t_英国OAP称重传感器最新价格详情。
    产品推荐

    联系我们
    联系方式

    销售热线:

    陈小姐:18520271262

      陈小姐:18688494254

    黄先生:18688492451

      黄先生:18520471262

    上班时间:

    周一到周六9:00-18:00

    二维码
    扫一扫联系我们