搜索
热门搜索: 美国中克塞尔美国世铨美国特迪亚美国传力德国HBM梅特勒托利多
产品中心

    【NHS-A传感器】NHS-A-1t~NHS-A-150t_美国MKcells称重传感器

    产品介绍
                                                                                                                                                                             

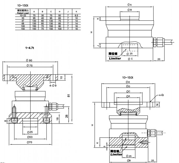
    香港金元宝免费资料】专业供应NHS-A系列美国MKcells扭环式称重传感器,( 【NHS-A传感器】NHS-A-1t~NHS-A-150t_美国MKcells称重传感器)保证货期快捷,100%原装正品,10年行业经验专注高端高质传感器服务,提供自动化完整解决方案。NHS-A系列美国MKcells扭环式拉式称重传感器相关型号:NHS-SS-1t,NHS-SS-2.2t,NHS-SS-3.3t,NHS-SS-4.7t,NHS-SS-10t,NHS-SS-15t,NHS-SS-22t,NHS-SS-33t,NHS-SS-47t,NHS-SS-68t,NHS-SS-100t,NHS-SS-150t,NHS-A-1t,NHS-A-2.2t,NHS-A-3.3t,NHS-A-4.7t,NHS-A-10t,NHS-A-15t,NHS-A-22t,NHS-A-33t,NHS-A-47t,NHS-A-68t,NHS-A-100t,NHS-A-150t
     
    NHS-A系列称重传感器产品介绍

    品名:美国MKcells称重传感器
    产品特性:扭环式称重传感器
    ★防护等级:IP68
    ★采用优质的合金钢材质
    ★工作温度范围:-30℃~+70℃
    ★材质可选:不锈钢,合金钢
    ★应用于平台秤,汽车衡和过程称重等工业称重领域
    ★量程可选:1t,2.2t,3.3t,4.7t,10t,15t,22t,33t,47t,68t,100t,150t
     
    NHS-A系列称重传感器安装指南
     
    香港金元宝免费资料
     
    NHS-A系列称重传感器完整型号

    NHS普通型
    NHS-1t,NHS-2.2t,NHS-3.3t,NHS-4.7t,NHS-10t,NHS-15t,NHS-22t,NHS-33t,NHS-47t,NHS-68t,NHS-100t,NHS-150t
     
    NHS-A合金钢
    NHS-A-1t,NHS-A-2.2t,NHS-A-3.3t,NHS-A-4.7t,NHS-A-10t,NHS-A-15t,NHS-A-22t,NHS-A-33t,NHS-A-47t,NHS-A-68t,NHS-A-100t,NHS-A-150t
     
    NHS-SS不锈钢
    NHS-SS-1t,NHS-SS-2.2t,NHS-SS-3.3t,NHS-SS-4.7t,NHS-SS-10t,NHS-SS-15t,NHS-SS-22t,NHS-SS-33t,NHS-SS-47t,NHS-SS-68t,NHS-SS-100t,NHS-SS-150t
     
    NHS-ASS不锈钢
    NHS-ASS-1t,NHS-ASS-2.2t,NHS-ASS-3.3t,NHS-ASS-4.7t,NHS-ASS-10t,NHS-ASS-15t,NHS-ASS-22t,NHS-ASS-33t,NHS-ASS-47t,NHS-ASS-68t,NHS-ASS-100t,NHS-ASS-150t
     
    拓展阅读

    以上为美国MKcells_中国总代理【众鑫自动化】郑重承诺:
    原装正品出售,质量好,价格低廉,高品质、专业的沟通,快速的运输,最好的服务。给你最好的交易每一天!欢迎订购。注意:如果你需要大量或者没有找到你所需要的产品在我们的商店,请随时与我们联系。我们总是提供最好的质量和极具竞争力的价格给你。我们郑重承若,3个月内不满意时无条件退换货,不收任何费用,质保2年,随时提供免费维修。


    防护密封的基础和方法
    称重传感器的密封护的基础,是防护面胶涂刷电阻应变计。塑料防护面:
    (1)电介质强度>5000M,体积电阻率10141018Ω.cm;
    (2)与金属表面有很强的凝聚力,从该接口,以防止湿气穿透;
    (3)吸湿小,内聚强度;
    (4)的固化反应不会释放有害的化合物,无腐蚀性的电阻应变仪;
    (5)固化膜的柔软,在应变范围内的弹性部件的弹性常数。
    电阻应变计防护面塑料刷牙和清洗前刷牙的时间是必不可少的。在生产过程中的称重传感器,完成下列两项任务,其中之一是补丁,加压固化,固化救济,质量检验
    调查,粘贴端子,压线组桥接,并测量其绝缘电阻的每一个过程中的质量标准;第二是可接受的质量的过程中,弹性元件的整体清洗。弹性元件的整体清洗后,必须迅速放入高温的试验容器中,加热40℃,保温一定的时间内,从包装盒中的弹性元件刷牙的保护面胶(1)在干燥的除去环境条件下。其目的是为了防止电阻应变计生产过程中的水分,奠定基础,最终保护和密封。
     
           以上【NHS-A传感器】NHS-A-1t~NHS-A-150t_美国MKcells称重传感器详细信息,如果您对【NHS-A传感器】NHS-A-1t~NHS-A-150t_美国MKcells称重传感器的价格、货期、型号、库存有什么疑问,欢迎拨打18520271262 获取【NHS-A传感器】NHS-A-1t~NHS-A-150t_美国MKcells称重传感器最新价格详情。
    产品推荐

    联系我们
    联系方式

    销售热线:

    陈小姐:18520271262

      陈小姐:18688494254

    黄先生:18688492451

      黄先生:18520471262

    上班时间:

    周一到周六9:00-18:00

    二维码
    扫一扫联系我们