搜索
热门搜索: 美国中克塞尔美国世铨美国特迪亚美国传力德国HBM梅特勒托利多
产品中心

    【韩国Dacell】CWW-50kgf~CWW-200tf_韩国大拿Dacell称重传感器

    产品介绍
        【香港金元宝免费资料】专业供应韩国Dacell 大拿CWW系列测力传感器,【韩国大拿CWW传感器】CWW-50kgf~CWW-200tf_韩国Dacell称重传感器保证货期快捷,100%原装进口,为多种工业领域提高完整的自动化称重解决方案。韩国Dacell 大拿CWW系列力传感器相关型号:CWW-50kgf,CWW-100kgf,CWW-200kgf,CWW-500kgf,CWW-1tf,CWW-2tf,CWW-3tf,CWW-5tf,CWW-10tf,CWW-20tf,CWW-30tf,CWW-50tf,CWW-100tf,CWW-150tf,CWW-200tf。
     
    韩国Dacell _CWW力传感器是本公司的重点优势产品之一,拥有绝对优势价格,现货、原装、正品、可靠!保证满意价格质量!
     
    我们郑重承诺:“三个月内不满意随时无条件退换货,退还全部货款,不收任何费用”。质保两年,随时免费维修!

    CWW测力传感器产品简介

    品牌:Dacell
    名称:韩国称重传感器
    型号:CWW
    类型:力传感器
    材质:高强度合金钢
    结构:中心通孔,结构坚固
    优点:精度高,设置简便
    量程:50kgf~200tf
    应用于隧道和桥梁等的压力测定。

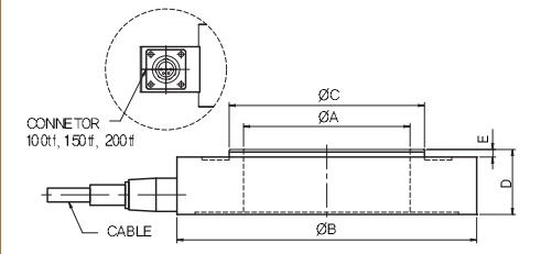
    CWW系列测力传感器安装尺寸

    香港金元宝免费资料
     
    CWW测力传感器技术指标

    香港金元宝免费资料

    CWW测力传感器完整型号

    CWW-50kgf, CWW-100kgf,CWW-200kgf,CWW-500kgf CWW-1tf,CWW-2tf
    CWW-3tf,CWW-5tf
    CWW-10tf,CWW-20tf
    CWW-30tf,CWW-50tf
    CWW-100tf,CWW-150tf,CWW-200tf
     
    拓展阅读

    防护密封的基础和方法
    称重传感器的密封护的基础,是防护面胶涂刷电阻应变计。塑料防护面:
    (1)电介质强度>5000M,体积电阻率10141018Ω.CMM2;
    (2)与金属表面有很强的凝聚力,从该接口,以防止湿气穿透;
    (3)吸湿小,内聚强度;
    (4)的固化反应不会释放有害的化合物,无腐蚀性的电阻应变仪;
    (5)固化膜的柔软,在应变范围内的弹性部件的弹性常数。
    电阻应变计防护面塑料刷牙和清洗前刷牙的时间是必不可少的。在生产过程中的称重传感器,完成下列两项任务,其中之一是补丁,加压固化,固化救济,质量检验
    调查,粘贴端子,压线组桥接,并测量其绝缘电阻的每一个过程中的质量标准;第二是可接受的质量的过程中,弹性元件的整体清洗。弹性元件的整体清洗后,必须迅速放入高温的试验容器中,加热40℃,保温一定的时间内,从包装盒中的弹性元件刷牙的保护面胶(1)在干燥的除去环境条件下。其目的是为了防止电阻应变计生产过程中的水分,奠定基础,最终保护和密封。

    其他搜索方式:
    OBBH称重传感器,可搜索型号:OBBH-10kg OBBH-20kg OBBH-50kg
    OBBS称重传感器,可搜索型号:OBBS-10kg OBBS-20kg OBBS-50kg OBBS-100kg OBBS-200kg OBBS-500kg
    OBBA称重传感器,可搜索型号:OBBA-10;OBBA-20;OBBA-50;OBBA-100;OBBA-200;OBBA-300
     
           以上是【韩国大拿CWW传感器】CWW-50kgf~CWW-200tf_韩国Dacell称重传感器详细信息,如果您对【韩国大拿CWW传感器】CWW-50kgf~CWW-200tf_韩国Dacell称重传感器的价格、货期、型号、库存有什么疑问,欢迎拨打18520271262获取【韩国大拿CWW传感器】CWW-50kgf~CWW-200tf_韩国Dacell称重传感器的最新价格详情。
     
    产品推荐

    联系我们
    联系方式

    销售热线:

    陈小姐:18520271262

      陈小姐:18688494254

    黄先生:18688492451

      黄先生:18520471262

    上班时间:

    周一到周六9:00-18:00

    二维码
    扫一扫联系我们