搜索
热门搜索: 美国中克塞尔美国世铨美国特迪亚美国传力德国HBM梅特勒托利多
产品中心

    【韩国大拿CB2传感器】CB2-60kgf~CB2-300kgf_韩国Dacell称重传感器

    产品介绍
        【香港金元宝免费资料】专业供应韩国Dacell 大拿CB2系列称重传感器,(【韩国大拿CB2传感器】CB2-60kgf~CB2-300kgf_韩国Dacell称重传感器)保证货期快捷,100%原装进口,为多种工业领域提高完整的自动化称重解决方案。韩国Dacell 大拿CB2系列单点式称重传感器相关型号:CB2-60kgf,CB2-100 kgf,CB2-250 kgf,CB2-300kgf。
     
    韩国Dacell CB2称重传感器是本公司的重点优势产品之一,拥有绝对优势价格,现货、原装、正品、可靠!保证满意价格质量!
     
    我们郑重承诺:“三个月内不满意随时无条件退换货,退还全部货款,不收任何费用”。质保两年,随时免费维修!

    CB2称重传感器产品简介

    品牌:Dacell
    型号:CB2
    类型:韩国称重传感器
    名称:单点式传感器
    防护等级:IP65
    材质:高强度铝合金材料
    价格实惠,精度高(1/5000)
    轻巧方便使用,量程多样化,适用于测量
    应用领域:可用于工业电子秤及商业电子称
    量程范围:60kgf,100 kgf,250 kgf,300kgf

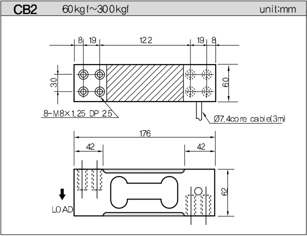
    CB2称重传感器安装尺寸

    香港金元宝免费资料

    CB2称重传感器技术指标

    香港金元宝免费资料

    CB2称重传感器型号

    Dacell CB2-60kgf称重传感器
    Dacell CB2-100 kgf称重传感器
    Dacell CB2-250 kgf称重传感器
    Dacell CB2-300kgf称重传感器
     
    拓展阅读
     
    防护密封的基础和方法
    称重传感器的密封护的基础,是防护面胶涂刷电阻应变计。塑料防护面:
    (1)电介质强度>5000M,体积电阻率10141018Ω.cm;
    (2)与金属表面有很强的凝聚力,从该接口,以防止湿气穿透;
    (3)吸湿小,内聚强度;
    (4)的固化反应不会释放有害的化合物,无腐蚀性的电阻应变仪;
    (5)固化膜的柔软,在应变范围内的弹性部件的弹性常数。
    电阻应变计防护面塑料刷牙和清洗前刷牙的时间是必不可少的。在生产过程中的称重传感器,完成下列两项任务,其中之一是补丁,加压固化,固化救济,质量检验
    调查,粘贴端子,压线组桥接,并测量其绝缘电阻的每一个过程中的质量标准;第二是可接受的质量的过程中,弹性元件的整体清洗。弹性元件的整体清洗后,必须迅速放入高温的试验容器中,加热40℃,保温一定的时间内,从包装盒中的弹性元件刷牙的保护面胶(1)在干燥的除去环境条件下。其目的是为了防止电阻应变计生产过程中的水分,奠定基础,最终保护和密封。


          以上是【韩国大拿CB2传感器】CB2-60kgf~CB2-300kgf_韩国Dacell称重传感器详细信息,如果您对【韩国大拿CB2传感器】CB2-60kgf~CB2-300kgf_韩国Dacell称重传感器的价格、货期、型号、库存有什么疑问,欢迎拨打18520271262获取【韩国大拿CB2传感器】CB2-60kgf~CB2-300kgf_韩国Dacell称重传感器的最新价格详情。
    产品推荐

    联系我们
    联系方式

    销售热线:

    陈小姐:18520271262

      陈小姐:18688494254

    黄先生:18688492451

      黄先生:18520471262

    上班时间:

    周一到周六9:00-18:00

    二维码
    扫一扫联系我们