搜索
热门搜索: 美国中克塞尔美国世铨美国特迪亚美国传力德国HBM梅特勒托利多
产品中心

    1-HLCB2C3/1.76t称重传感器,德国HBM 1-HLCB2C3系列传感器

    产品介绍

    德国HBM称重传感器1-HLCB2C3/1.76T称重传感器简述

    香港金元宝免费资料代理经销的德国HBM 1-HLCB2C3系列称重传感器属于悬臂梁式称重传感器,量程范围110kg至4.4T。1-HLCB2C3/1.76T传感器的精度等级C3,保护等级高达IP68、IP69K。其采用6线制连接方式,可应用于平台秤,皮带秤和料斗秤等领域,并有符合ATEX和IECEx的防爆版本可供选择。
     
    产品品牌:德国HBM,德国HBM称重传感器
    产品特点:
    悬臂梁式称重传感器
    - C3精度
    - 防锈材料
    - 密封封装(IP68、IP69K)
    - 最大容量:110千克至4.4吨
    - 六线配置
    - 为并联优化
    - 符合EN 45 501:2015的EMC要求
    - 根据OIML R60至6000部门进行合法贸易
    - 选项:符合ATEX和IECEx的防爆版本
    - 可用于平台秤,皮带秤和料斗秤等
    - 量程可选 110kg,220kg,550kg;1.1t,1.76t,2.2t,4.4t
     
     
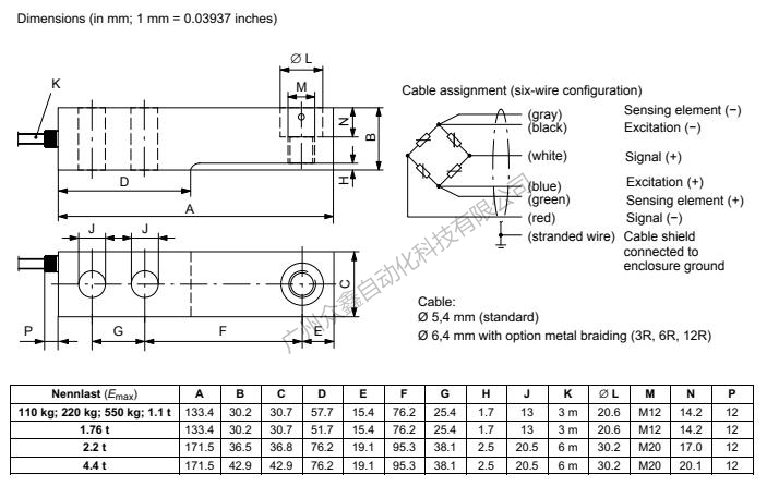
    德国HBM称重传感器1-HLCB2C3/1.76T称重传感器尺寸
     
    德国HBM称重传感器1-HLCB2C3/1.76T称重传感器尺寸
     
     
    德国HBM称重传感器1-HLCB2C3/1.76T称重传感器技术参数
     
    德国HBM称重传感器1-HLCB2C3/1.76T称重传感器技术参数
     

    德国HBM称重传感器1-HLCB2C3/1.76T称重传感器热销型号

    1-HLCB2C3系列
    1-HLCB2C3/550kg,1-HLCB2C3/1.1t,1-HLCB2C3/1.76t
    1-HLCB2C3/2.2t(进口),1-HLCB2C3/4.4t(进口)
     
    1-HLCB1C3系列
    1-HLCB1C3/110kg,1-HLCB1C3/220kg,1-HLCB1C3/550kg
    1-HLCB1C3/1.1t,1-HLCB1C3/1.76t
    1-HLCB1C3/2.2t(进口),1-HLCB1C3/4.4t(进口)

    1-HLCB1C6系列
    1-HLCB1C6/220kg(高精度),1-HLCB1C6/550kg(高精度),1-HLCB1C6/1.1t(高精度)

    1-HLCB1D1系列
    1-HLCB1D1/110kg,1-HLCB1D1/220kg,1-HLCB1D1/550kg
    1-HLCB1D1/1.1t,1-HLCB1D1/1.76t
    HLCB1D1/2.2t(进口),HLCB1D1/4.4t(进口),HLCB1D1/10t(进口)
     
     
    德国HBM称重传感器1-HLCB2C3/1.76T称重传感器实拍图

     
    德国HBM称重传感器1-HLCB2C3/1.76T称重传感器实拍图1

    德国HBM称重传感器1-HLCB2C3/1.76T称重传感器实拍图2

    德国HBM称重传感器1-HLCB2C3/1.76T称重传感器实拍图3

    德国HBM称重传感器1-HLCB2C3/1.76T称重传感器实拍图4

    德国HBM称重传感器1-HLCB2C3/1.76T称重传感器实拍图5

     

    香港金元宝免费资料重点推出以下品牌产品,确保全新原装正品,价优,欢迎新老客户咨询!

     

    ★ 德国HBM:称重传感器-- Z6F,C16A,RTN,HLCB1, PW2D, PW6D,PW2C,PW6K,PW6C,PW10A,PW12C,PW16A,PW22,S40A,C2等系列

    ★ 德国HBM:数字传感器-- C16I,FIT5AEB3,FIT7A

    ★ 德国HBM:扭矩/力传感器 -- T40B,T22,T5,U9C,C9C,S9M,U2B,S2M等系列
    ★ 德国HBM:称重仪表/变送器 -- WE2111,RM4220, BM40,AE101, AE301,EM201等系列
    ★ 美国世铨celtron:传感器 -- STC,HBB,LPS,LOC,PSD,LCD,MBB,SQB等系列
    ★ 特迪亚Tedea-huntleigh: --3410,616,355,1015,1040,1022,1260,120,1241,240等系列
    ★ 美国传力Transcell :传感器-- BSS,BSH,DBSL,SBST,CR,SBS,BAB等系列
    ★ 梅特勒托利多:称重传感器-- TSC,TSB,MTB,GD,SLB415,SLB215,MT1022,MT1260,MT1241,SB,SBS,SBH等系列
    ★ METTLER TOLEDO:数字传感器—GDD,SLC720,0760,PDX,SLC820等系列

    ★ 梅特勒托利多:控制仪表 -- IND331,IND245,IND320L,IND230,IND560,B520,IND110,WM0800,AJB等系列

     
    产品推荐

    联系我们
    联系方式

    销售热线:

    陈小姐:18520271262

      陈小姐:18688494254

    黄先生:18688492451

      黄先生:18520471262

    上班时间:

    周一到周六9:00-18:00

    二维码
    扫一扫联系我们