搜索
热门搜索: 美国中克塞尔美国世铨美国特迪亚美国传力德国HBM梅特勒托利多
产品中心

    【日本Minebea】CBE1-10kg~CBE1-200kg_日本Minebea称重传感器

    产品介绍
                                                                                                                                                                         
    【香港金元宝免费资料】专业供应日本MINEBEA CBE1系列称重传感器【CBE1传感器】CBE1-10kg~CBE1-200kg_日本Minebea称重传感器保证货期快捷,100%原装正品,努力打造中国传感器销售第一品牌商。日本Minebea BCL系列称重传感器相关型号:CBE1-10kg, CBE1-20kg, CBE1-50kg, CMM1-100kgf, CBE1-200kg
     
    日本MINEBEA CBE1传感器是本公司的重点优势产品之一,拥有绝对优势价格,现货、原装、正品、可靠!保证满意价格质量!我们郑重承诺:“三个月内质量问题随时无条件退换货,退还全部货款,不收任何费用”。质保1年,随时维修!
    日本Minebea CBE1系列简介
    产品品牌:日本Minebea称重传感器
    产品简称:日本CBE1称重传感器
    产品型号:CBE1
    产品特性:波纹管称重传感器
    产品原理:电阻应变式
    可选量程范围:10kg~200kg
    应用范围:电子秤,商品秤,平台秤,料斗秤

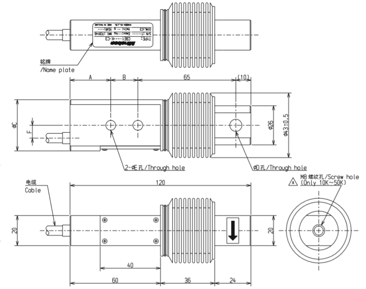
    日本MINEBEA(CBE1) CBE1系列外观尺寸
    香港金元宝免费资料
     
    日本MINEBEA(CBE1) CBE1系列规格参数
    香港金元宝免费资料
     
    日本MINEBEA(CMM1) CMM1系列完整型号
    日本MINEBEA(CMM1) CMM1-10kg称重传感器,量程10kg
    日本MINEBEA(CMM1) CMM1-20kg称重传感器,量程20kg
    日本MINEBEA(CMM1) CMM1-50kg称重传感器,量程50kg
    日本MINEBEA(CMM1) CMM1-100kg称重传感器,量程100kg
    日本MINEBEA(CMM1) CMM1-200kg称重传感器,量程200kg
     
     
    拓展阅读
    称重传感器性能指标
    一个称重系统的性能可以由“线性、滞后、重复性和蠕变”等指标来衡量。
    线性: 表示系统的实际输出和理论直线的一致程度。如图所示,当产生线性误差时,系统在空载和满载时的输出是正确的,但这两点 之间的输入-输出点和理想状态不一致。线性误差就是理论直线和实际输出曲线之间的最大差值。
    滞后: 表示系统在加载和卸载过程中输入-输出曲线不重合的程度。
    重复性: 表示系统在加载或卸载过程中对于同一重量连续几次称重输出的不一致程度。通常表示为系统在相同加载情况下最小输出和最大输出之间的差值所占总输出的百分比。
    蠕变: 表示系统在一定温度下承受一恒定重量,由于传感器弹性体材料机械形变使输出随时间而变化的特性。
     
     压力传感器的常用定义

    标准压力:以大气压为标准表示的压力大小。大于大气压的叫正压;小于大气压的叫负压。
    差压(压差):两个压力之间的相对差值。
    绝对压力(A):以绝对真空为标准表示的压力大小。
    相对压力(表压力)(G):相对于标准压力而言。表压力=绝对压力-大气压。
    大气压:指地球表面上的空气柱因重力而产生的压力。它和所处的海拔高度、纬度及气象状况有关。1标准大气压(1atm)相当于高度为760mm水银柱的压力。
    真空:指低于大气压的压力状态。1Torr=1/760气压(atm)。
    压力传感器的安装指南
     
    安装前请仔细阅读产品使用说明书,并核对产品的相关信息。
    传感器应安装在通风、干燥、无蚀、阴凉处,如露天安装应加防护罩,避免因阳光照射和雨淋影响产品的正常使用。
    安装时忌强力冲击、棒打。
    按正确接线方式接线,同时注意保护传感器的引出线。
    清洁传感器压力接口和引压孔时,应使用三氯乙烯或酒精注入引压孔中,并轻轻晃动,再将液体倒出,反复多次。
    禁止使用任何坚硬器具伸入引压孔中,以免损伤敏感芯体。



    以上是【CBE1传感器】CBE1-10kg~CBE1-200kg_日本Minebea称重传感器详细信息,如果您对【CBE1传感器】CBE1-10kg~CBE1-200kg_日本Minebea称重传感器的价格、货期、型号、库存有什么疑问,欢迎拨打18520271262 获取【CBE1传感器】CBE1-10kg~CBE1-200kg_日本Minebea称重传感器的最新价格详情。
     
     
     
     
     

    产品推荐

    联系我们
    联系方式

    销售热线:

    陈小姐:18520271262

      陈小姐:18688494254

    黄先生:18688492451

      黄先生:18520471262

    上班时间:

    周一到周六9:00-18:00

    二维码
    扫一扫联系我们