搜索
热门搜索: 美国中克塞尔美国世铨美国特迪亚美国传力德国HBM梅特勒托利多
产品中心

    LCD-60TMH阶梯孔轮辐式称重传感器,美国世铨传感器

    产品介绍
     
    LCD-60TMH阶梯孔称重传感器属于美国世铨Celtron品牌的产品,是一款轮辐式称重传感器,材质为合金钢无电解镀镍,防护等级为IP67,适用于卡车/轨道衡、筒仓/料斗/储罐称重、通用材料测试仪等。
     
    一、美国世铨 LCD-60TMH阶梯孔称重传感器产品介绍
     
    产品描述:
      - 出于安全考虑,对于一些具有临界高度的困难应用,薄型压缩盘被设计为最终解决方案。即使在正常操作中不可避免地存在侧向力时,剪切腹板设计也能提供优异的性能。侧向力阻力的典型例子是在汽车衡中的应用。
     
      - LCD由合金钢制成,并完全封装在符合IP67的特殊化合物中,提供极好的防潮和防潮保护。
     
    产品类型:美国世铨称重传感器轮辐式称重传感器
     
    产品系列:LCD
     
    产品特征
      - 容量:60T,100T
      - 合金钢无电解镀镍
      - 高输出小变形
      - 低截面的紧凑设计
      - 偏心加载补偿
    产品应用
      - 卡车/轨道衡
      - 筒仓/料斗/储罐称重
      - 通用材料测试仪
      - 拉力/拉力测量
     
    
    二、美国世铨 LCD-TMH阶梯孔称重传感器实拍图





     
    三、美国世铨 LCD-60TMH阶梯孔称重传感器相关型号

     
    LCD-60TMH 通孔
    LCD-60TMH 阶梯孔
    LCD-100TMH  

     
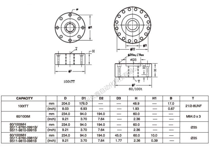
    四、美国世铨 LCD-60TMH阶梯孔称重传感器产品尺寸
     
    美国世铨 LCD-60TMH称重传感器产品尺寸

    五、美国世铨 LCD-60TMH阶梯孔称重传感器产品技术参数

    美国世铨 LCD-60TMH称重传感器产品技术参数
     
    六、美国世铨 LCD-60TMH称重传感器安全说明

     
    1、LCD系列称重传感器设计用于称重应用,用于任何其他用途应视为不符合相关的规定。
     
    2、为确保安全操作,称重传感器只能按照安装说明中的说明使用。在使用过程中,还必须遵守相关应用的法律和安全要求。这同样适用于附件的使用。
     
    3、如果称重传感器发生破损时可能会导致设备损坏或危害人身安全,那么用户必须采取适当的安全措施(如防止坠落、倒塌或过载的安全装置)。为了安全无故障运行,称重传感器不仅必须正确运输、储存、定位和安装,还必须小心操作和维护,避免过载使用。
     
    4、LCD-60TMH称重传感器的最大载荷为60T,使用时要注意瞬间过载发生的可能,瞬间的过载亦可能导致传感器的损坏。

     

     
    香港金元宝免费资料重点推出以下品牌产品,确保全新原装正品,价优,欢迎新老客户咨询!
     
     
    ★ 德国HBM:称重传感器-- Z6F,C16A,RTN,HLCB1, PW2D, PW6D,PW2C,PW6K,PW6C,PW10A,PW12C,PW16A,PW22,S40A,C2等系列
    ★ 德国HBM:数字传感器-- C16I,FIT5AEB3,FIT7A
    ★ 德国HBM:扭矩/力传感器 -- T40B,T22,T5,U9C,C9C,S9M,U2B,S2M等系列
    ★ 德国HBM:称重仪表/变送器 -- WE2111,RM4220, BM40,AE101, AE301,EM201等系列
     
    ★ 美国世铨celtron:传感器 -- STC,HBB,LPS,LOC,PSD,LCD,MBB,SQB等系列
    ★ 特迪亚Tedea-huntleigh: --3410,616,355,1015,1040,1022,1260,120,1241,240等系列
    ★ 美国传力Transcell :传感器-- BSS,BSH,DBSL,SBST,CR,SBS,BAB等系列
     
    ★ 梅特勒托利多:称重传感器-- TSC,TSB,MTB,GD,SLB415,SLB215,MT1022,MT1260,MT1241,SB,SBS,SBH等系列
    ★ METTLER TOLEDO:数字传感器—GDD,SLC720,0760,PDX,SLC820等系列
    ★ 梅特勒托利多:控制仪表 -- IND331,IND245,IND320L,IND230,IND560,B520,IND110,WM0800,AJB等系列

    产品推荐

    联系我们
    联系方式

    销售热线:

    陈小姐:18520271262

      陈小姐:18688494254

    黄先生:18688492451

      黄先生:18520471262

    上班时间:

    周一到周六9:00-18:00

    二维码
    扫一扫联系我们