搜索
热门搜索: 美国中克塞尔美国世铨美国特迪亚美国传力德国HBM梅特勒托利多
产品中心

    美国世铨DSR-1K称重传感器 DSR-1KLBS单点式称重传感器

    产品介绍
     
    DSR-1KLBS称重传感器属于美国世铨Celtron品牌的产品,是一款单点式称重传感器,材质为化学镀镍合金钢,可选不锈钢版本。防护等级为IP67,适用于筒仓/料斗/储罐称重。
     
    一、美国世铨 DSR-1Klbs称重传感器产品介绍
     
    产品描述:
     
      双端安装为油箱的可能移动提供了良好的约束,在许多情况下,无需使用止回杆。剪切梁的设计为高承载力负载提供了优异的性能。输出被合理化,以便于多单元应用。
      
      DSR由合金工具钢制成,封装在IP67中,提供良好的防潮和防潮保护。
     
    产品类型:美国世铨称重传感器单点式称重传感器
     
    产品系列:DSR
     
    产品特征
      - 容量1k–75k磅
      - 双端中心荷载剪力梁设计
      - 产出合理化
      - 无水平移动
      - 对侧向荷载不敏感
      - 化学镀镍合金工具钢
      - 可选: 密封的,密封的;不锈钢可供选择;FM批准可用
    产品应用
      - 筒仓/料斗/储罐称重
     
    
    二、美国世铨 DSR-1Klbs称重传感器实拍图


    美国世铨 DSR-1Klbs称重传感器实拍图1

    美国世铨 DSR-1Klbs称重传感器实拍图2

    美国世铨 DSR-1Klbs称重传感器实拍图3

    美国世铨 DSR-1Klbs称重传感器实拍图4
     
     
    三、美国世铨 DSR-1Klbs称重传感器相关型号
     

    DSR-1Klbs 称重传感器
    DSR-1.5Klbs 称重传感器
    DSR-2Klbs 称重传感器
    DSR-2.5Klbs 称重传感器
    DSR-3Klbs 称重传感器
    DSR-5Klbs(2.2t) 称重传感器
    DSR-10Klbs(4.5t) 称重传感器
    DSR-25Klbs(11.3t) 称重传感器
    DSR-50Klbs(22.7t) 称重传感器

     
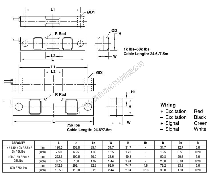
    四、美国世铨 DSR-1Klbs称重传感器产品尺寸
     
    美国世铨 DSR-1Klbs称重传感器产品尺寸
    五、美国世铨 DSR-1Klbs称重传感器产品技术参数
    美国世铨 DSR-1Klbs称重传感器产品技术参数
    六、美国世铨 DSR-1Klbs称重传感器安全说明

     
    1、DSR系列称重传感器设计用于称重应用,用于任何其他用途应视为不符合相关的规定。
     
    2、为确保安全操作,称重传感器只能按照安装说明中的说明使用。在使用过程中,还必须遵守相关应用的法律和安全要求。这同样适用于附件的使用。
     
    3、如果称重传感器发生破损时可能会导致设备损坏或危害人身安全,那么用户必须采取适当的安全措施(如防止坠落、倒塌或过载的安全装置)。为了安全无故障运行,称重传感器不仅必须正确运输、储存、定位和安装,还必须小心操作和维护,避免过载使用。
     
    4、DSR-1Klbs称重传感器的最大载荷为1Klbs,使用时要注意瞬间过载发生的可能,瞬间的过载亦可能导致传感器的损坏。

     

     
    香港金元宝免费资料重点推出以下品牌产品,确保全新原装正品,价优,欢迎新老客户咨询!
     
     
    ★ 德国HBM:称重传感器-- Z6F,C16A,RTN,HLCB1, PW2D, PW6D,PW2C,PW6K,PW6C,PW10A,PW12C,PW16A,PW22,S40A,C2等系列
    ★ 德国HBM:数字传感器-- C16I,FIT5AEB3,FIT7A
    ★ 德国HBM:扭矩/力传感器 -- T40B,T22,T5,U9C,C9C,S9M,U2B,S2M等系列
    ★ 德国HBM:称重仪表/变送器 -- WE2111,RM4220, BM40,AE101, AE301,EM201等系列
     
    ★ 美国世铨celtron:传感器 -- STC,HBB,LPS,LOC,PSD,LCD,MBB,SQB等系列
    ★ 特迪亚Tedea-huntleigh: --3410,616,355,1015,1040,1022,1260,120,1241,240等系列
    ★ 美国传力Transcell :传感器-- BSS,BSH,DBSL,SBST,CR,SBS,BAB等系列
     
    ★ 梅特勒托利多:称重传感器-- TSC,TSB,MTB,GD,SLB415,SLB215,MT1022,MT1260,MT1241,SB,SBS,SBH等系列
    ★ METTLER TOLEDO:数字传感器—GDD,SLC720,0760,PDX,SLC820等系列
    ★ 梅特勒托利多:控制仪表 -- IND331,IND245,IND320L,IND230,IND560,B520,IND110,WM0800,AJB等系列

    产品推荐

    联系我们
    联系方式

    销售热线:

    陈小姐:18520271262

      陈小姐:18688494254

    黄先生:18688492451

      黄先生:18520471262

    上班时间:

    周一到周六9:00-18:00

    二维码
    扫一扫联系我们